GM Service Manual Online
For 1990-2009 cars only
Makes
🢒
Chevrolet
🢒
2009
🢒
Chevy Suburban - 4WD
🢒
Diagnostic Navigation
🢒
Vehicle Diagnostic Information
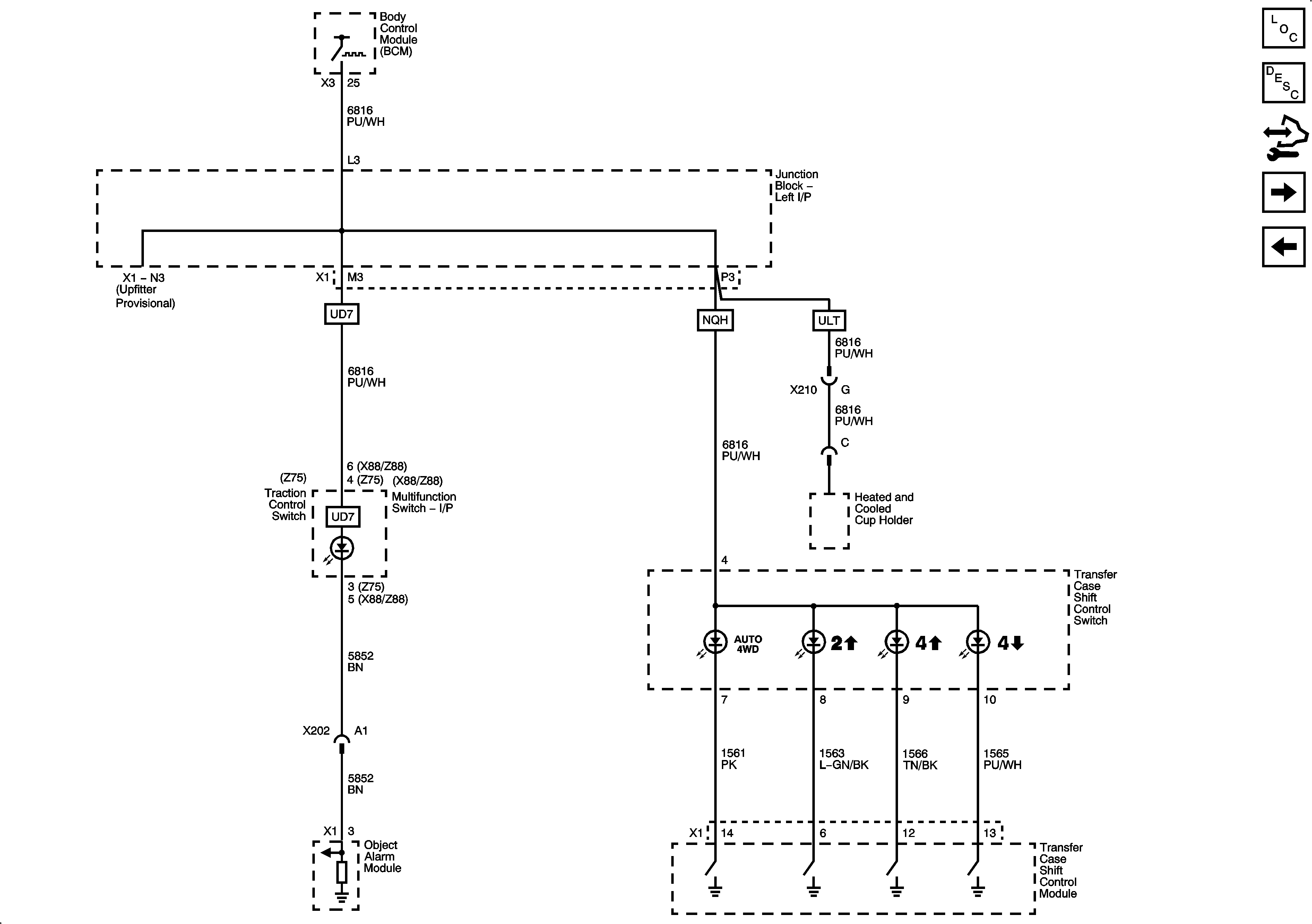
🢒 Interior Lights Dimming Schematics
Figure
1:
Dimming Control and LED Dimming - 1 of 3
Figure
2:
LED Dimming - 2 of 3
Figure
3:
LED Dimming - 3 of 3
Figure
4:
I/P Bulb Dimming