GM Service Manual Online
For 1990-2009 cars only
Figure 1:

Module Power, Ground, and Serial Data and Front Sensors


Object Number: 2075115  Size: FS
Figure 2:

Steering Wheel and I/P Module


Object Number: 2075118  Size: FS
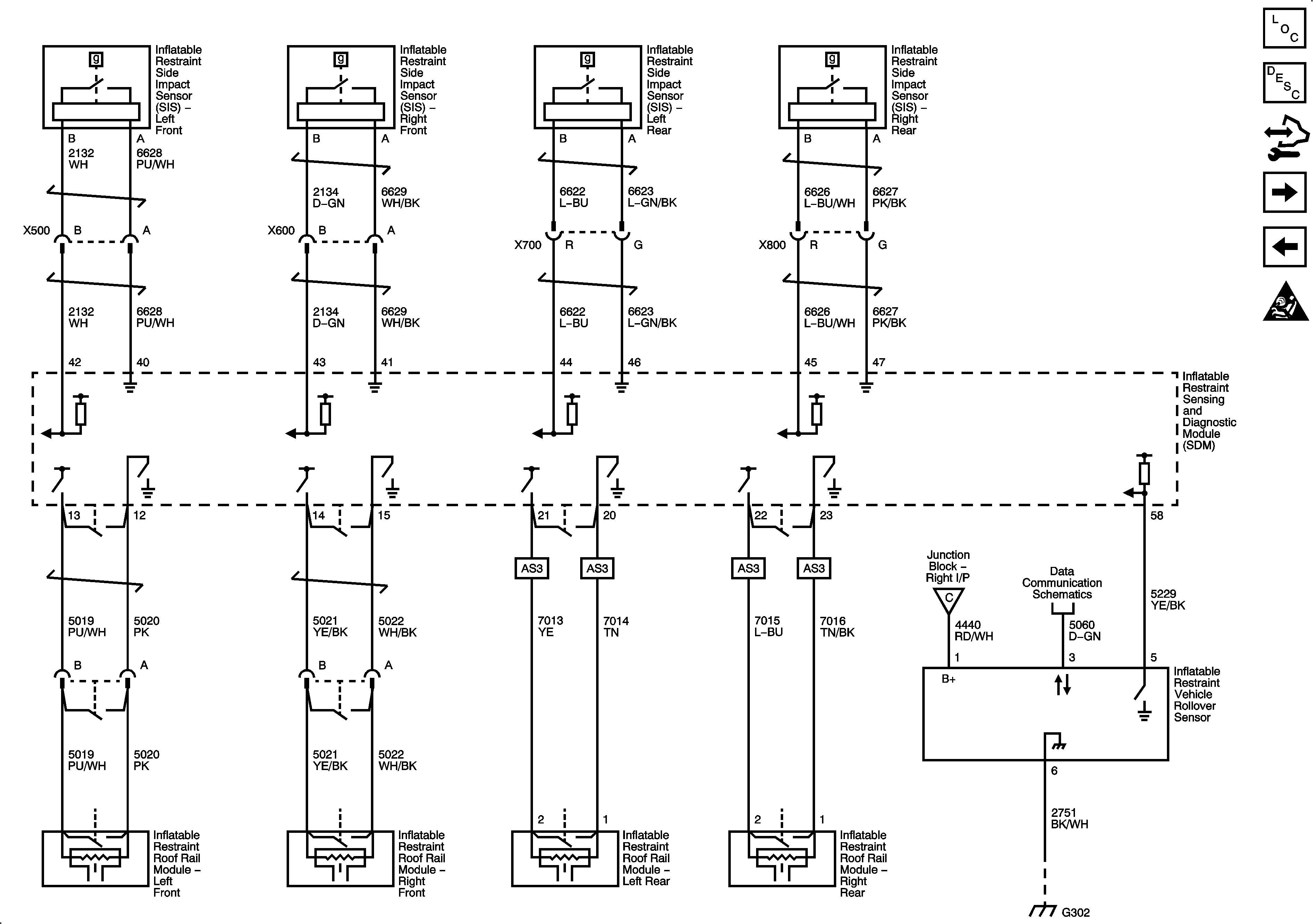
Figure 3:

Side Impact Sensors and Modules


Object Number: 2075120  Size: FS
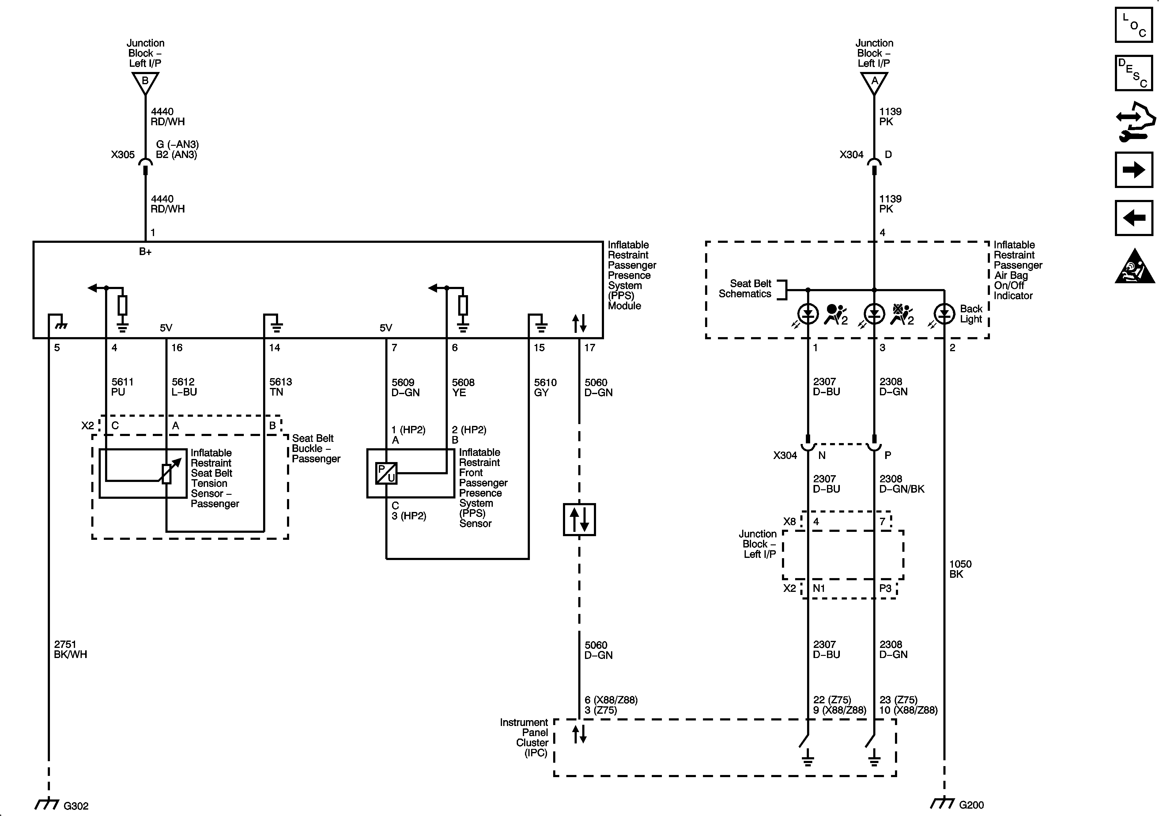
Figure 4:

Passenger Presence System - 1 of 2


Object Number: 2075122  Size: FS
Figure 5:

Passenger Presence System - 2 of 2


Object Number: 2075124  Size: FS