GM Service Manual Online
For 1990-2009 cars only
Figure 1:

Front


Object Number: 2075535  Size: FS
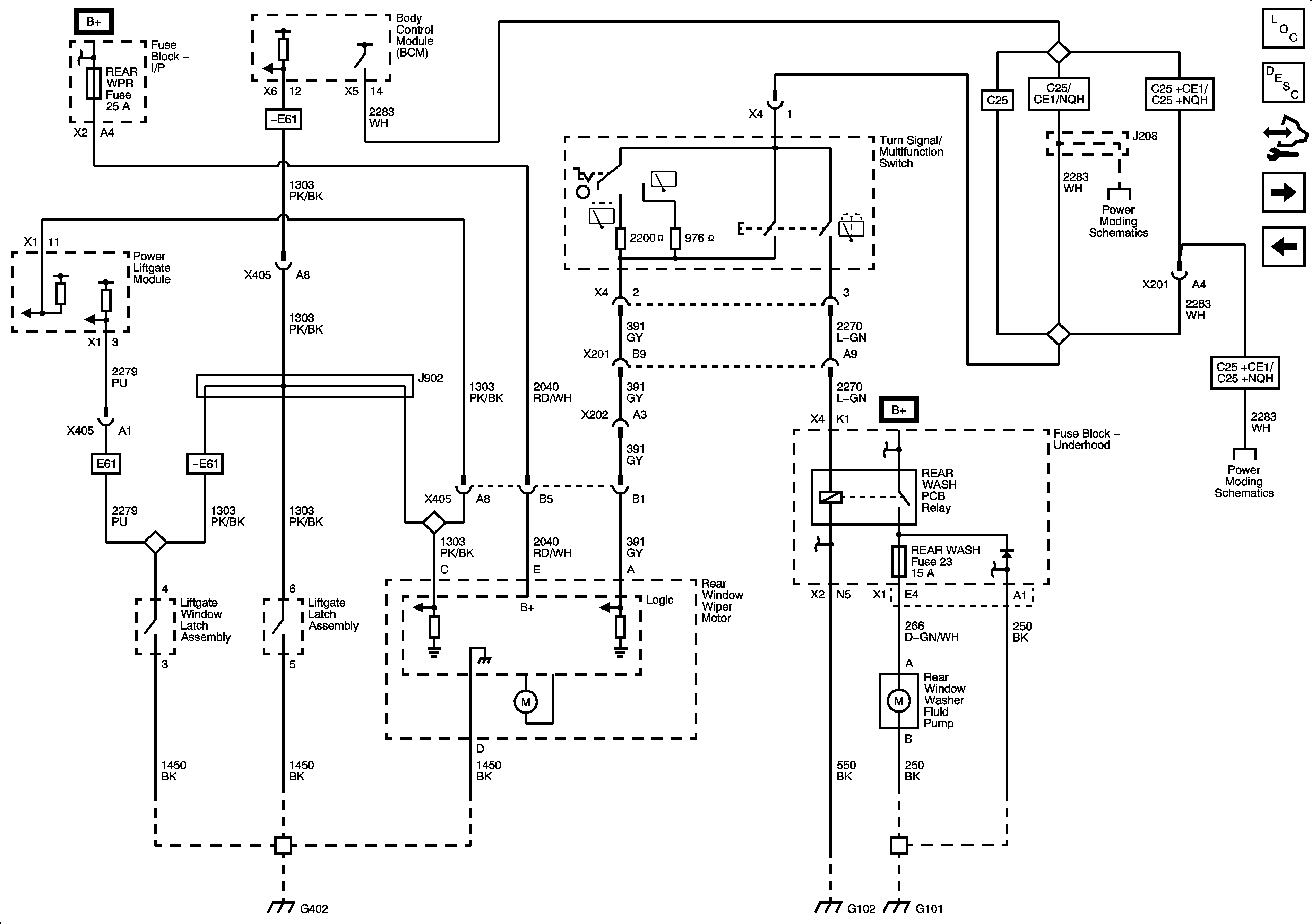
Figure 2:

Rear


Object Number: 2075538  Size: FS
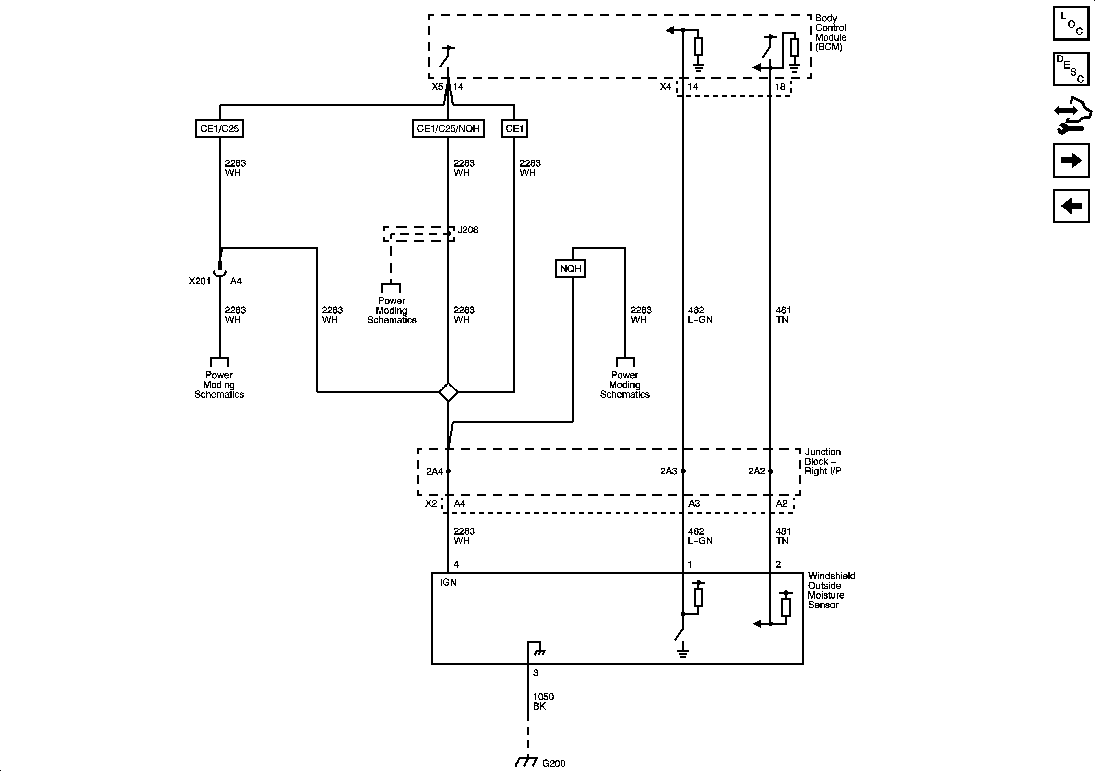
Figure 3:

Outside Moisture Sensor


Object Number: 2075540  Size: FS
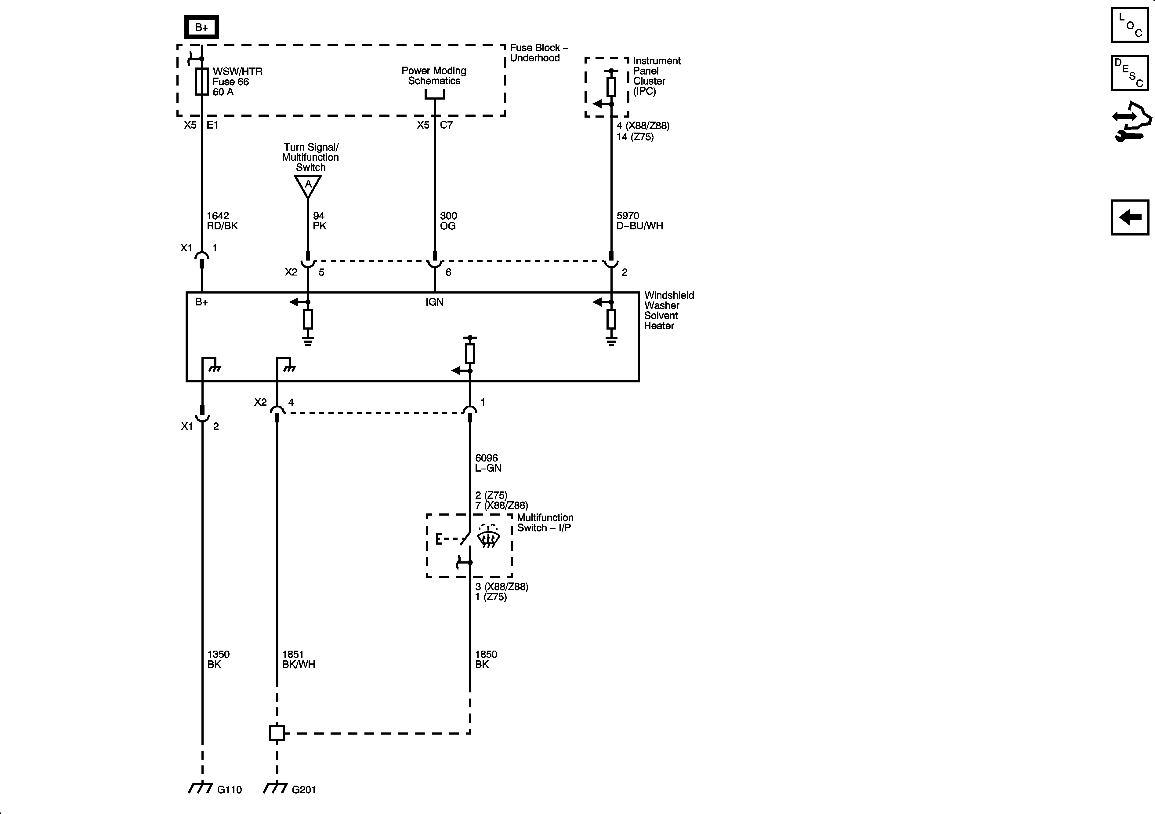
Figure 4:

Heated Washer System


Object Number: 2075545  Size: FS