GM Service Manual Online
For 1990-2009 cars only
Figure 1:

G100


Object Number: 2074617  Size: FS
Figure 2:

G101


Object Number: 2074619  Size: FS
Figure 3:

G102, G104 and G108


Object Number: 2074622  Size: FS
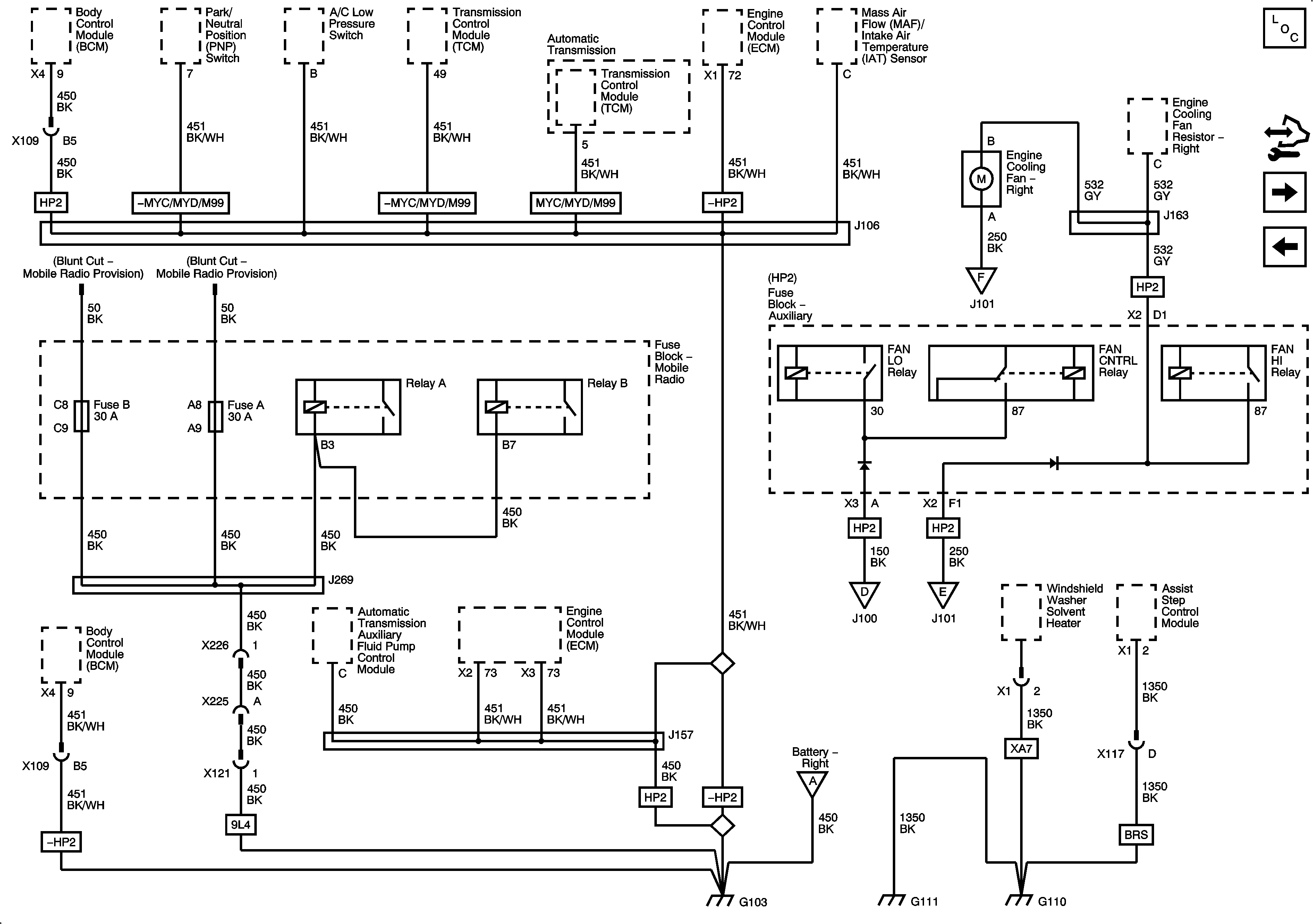
Figure 4:

G103, G110, and G111


Object Number: 2074624  Size: FS
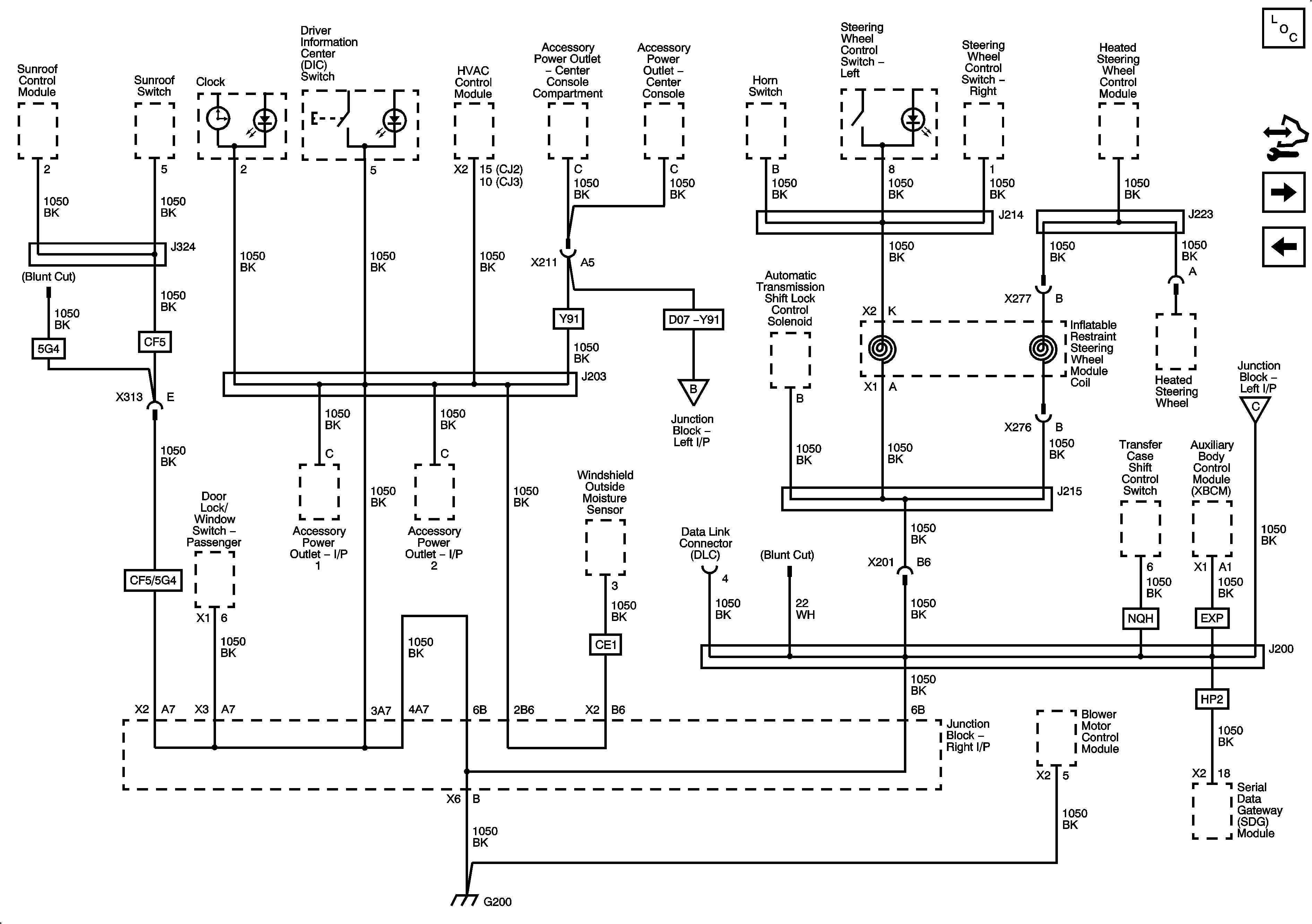
Figure 5:

G200 - 1 of 2


Object Number: 2074628  Size: FS
Figure 6:

G200 - 2 of 2


Object Number: 2074632  Size: FS
Figure 7:

G201


Object Number: 2074635  Size: FS
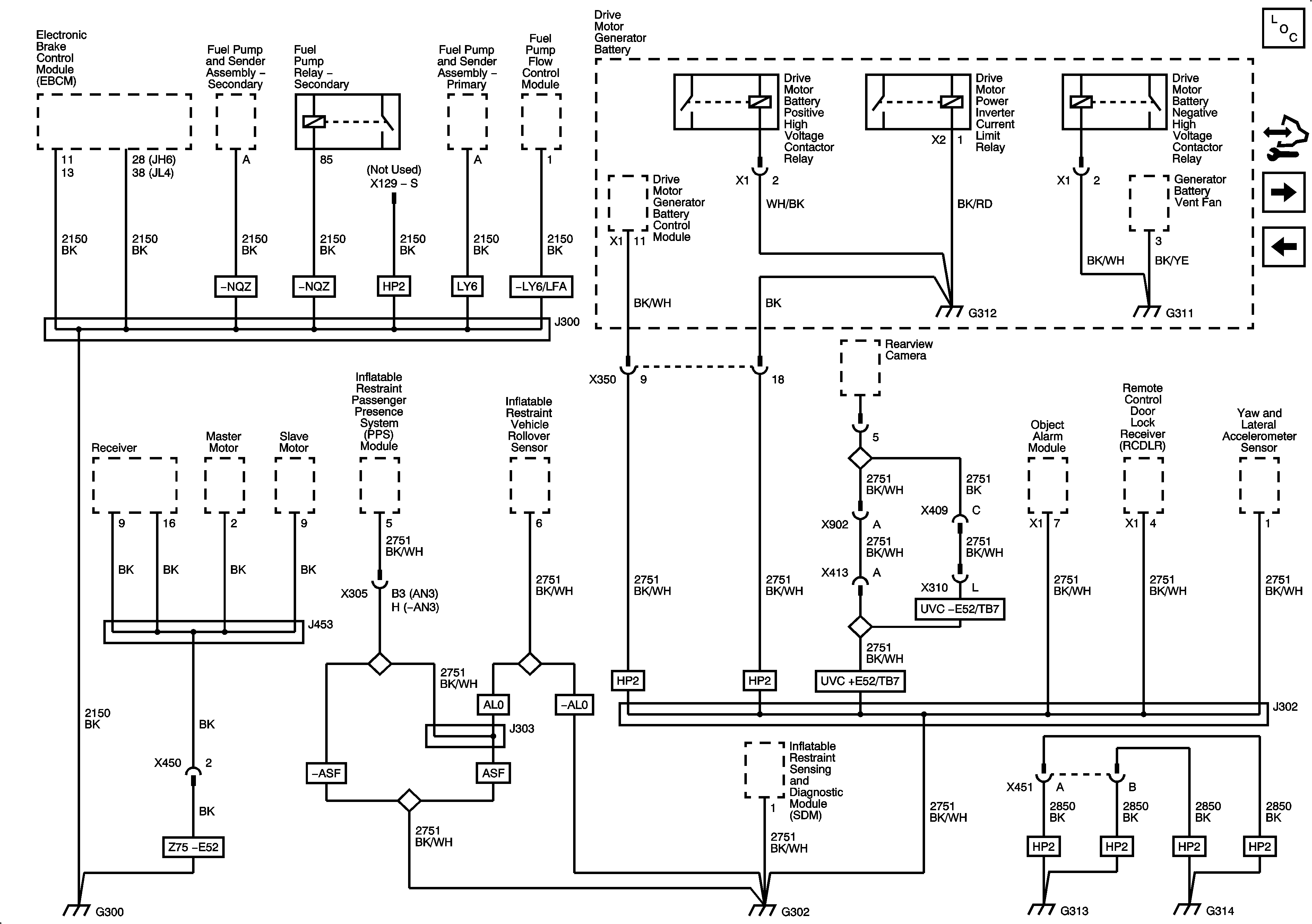
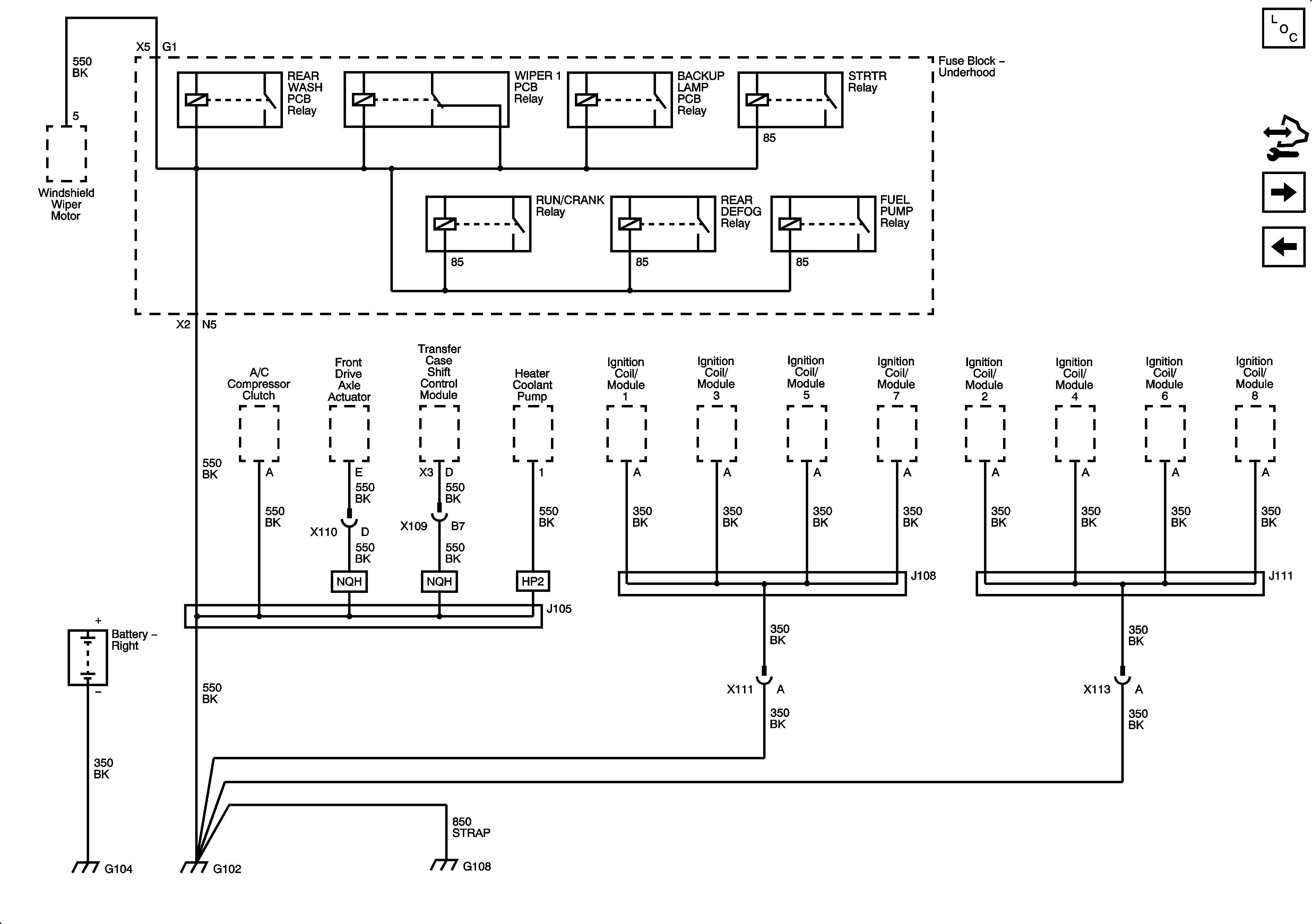
Figure 8:

G300, G302, G311, G312, G313 (HP2) and G314 (HP2)


Object Number: 2074639  Size: FS
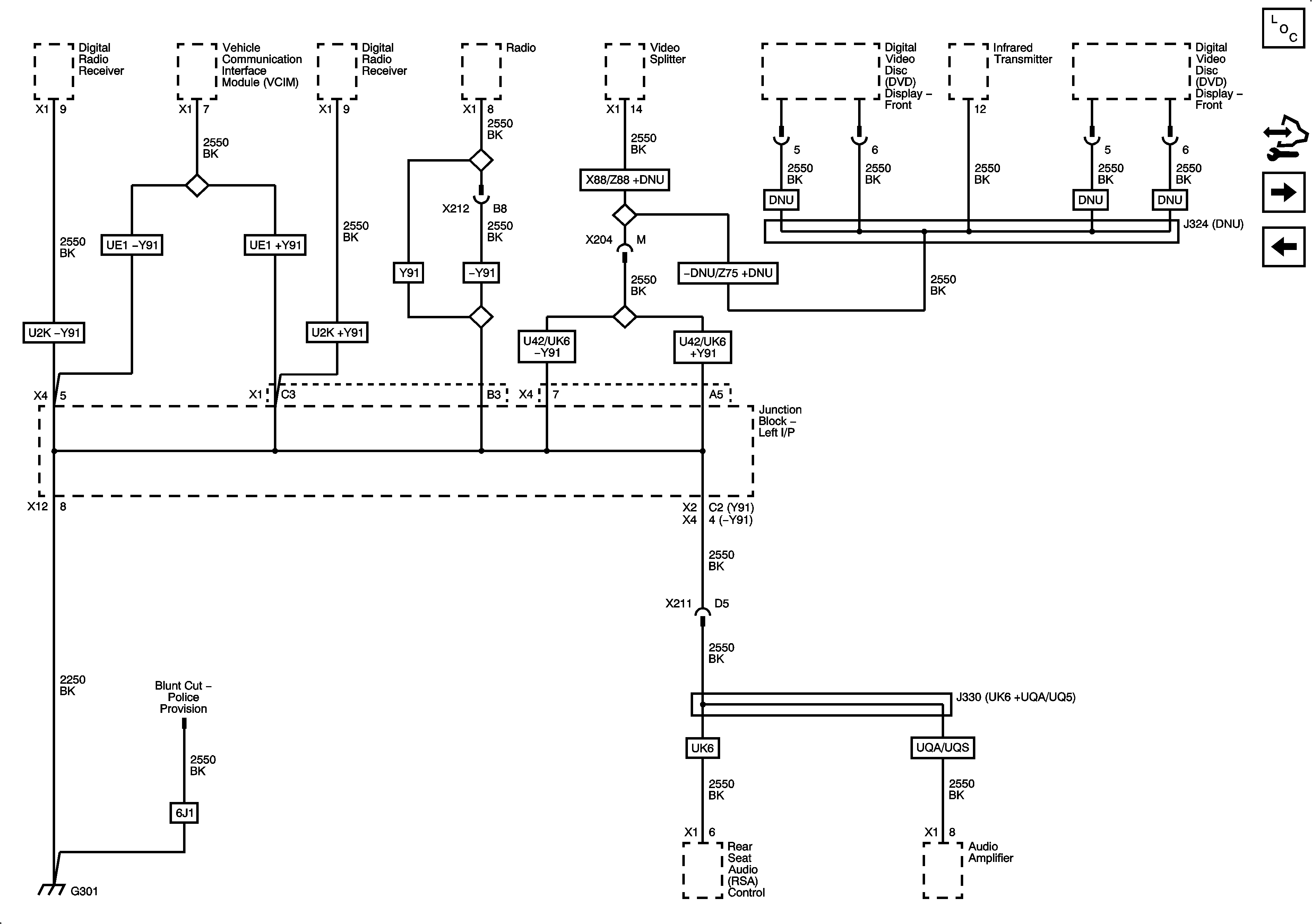
Figure 9:

G301


Object Number: 2074643  Size: FS
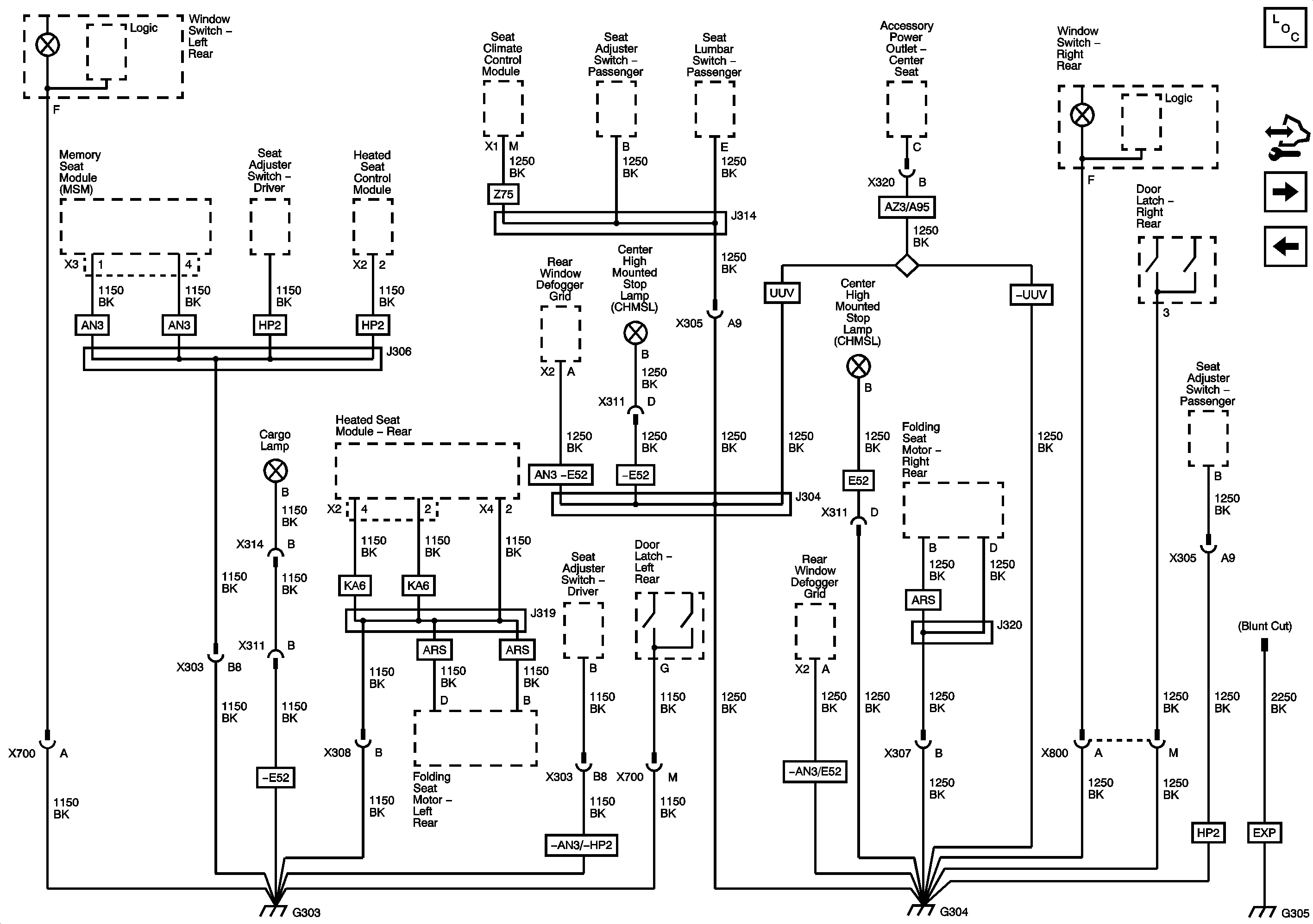
Figure 10:

G303, G304, and G305


Object Number: 2074650  Size: FS
Figure 11:

G400


Object Number: 2074652  Size: FS
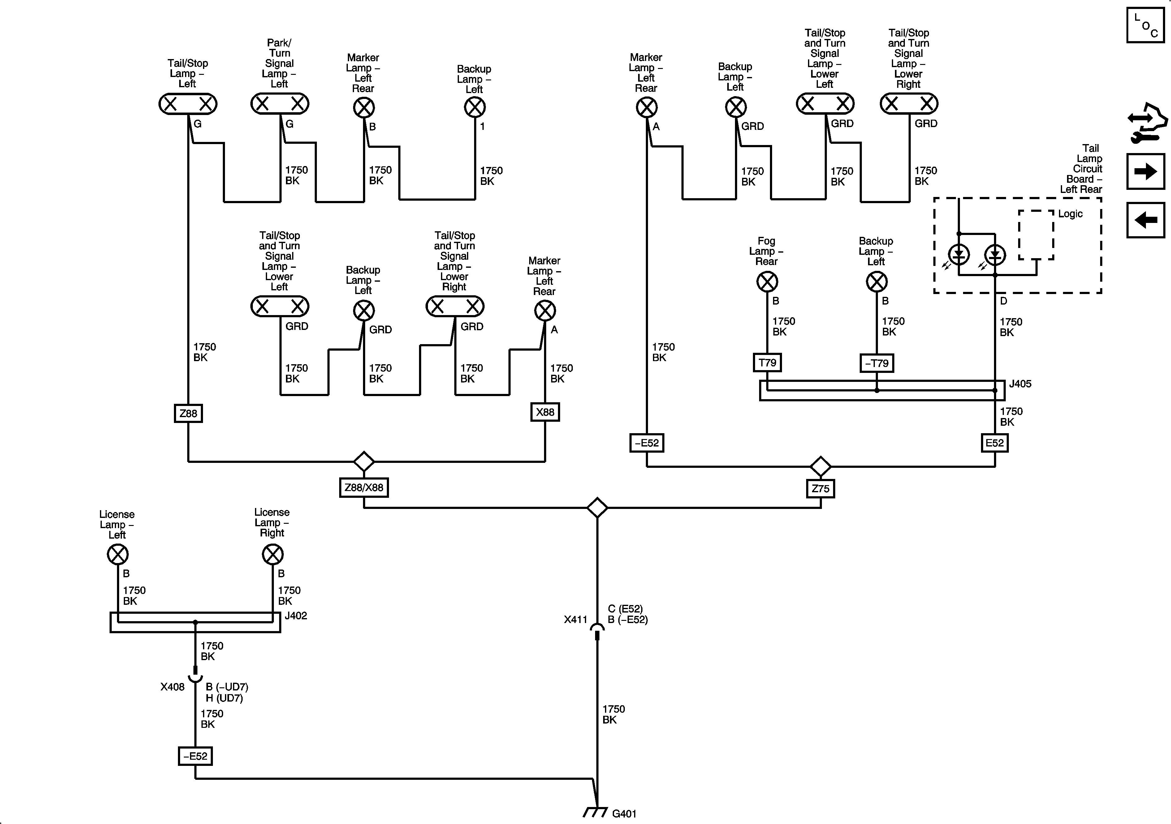
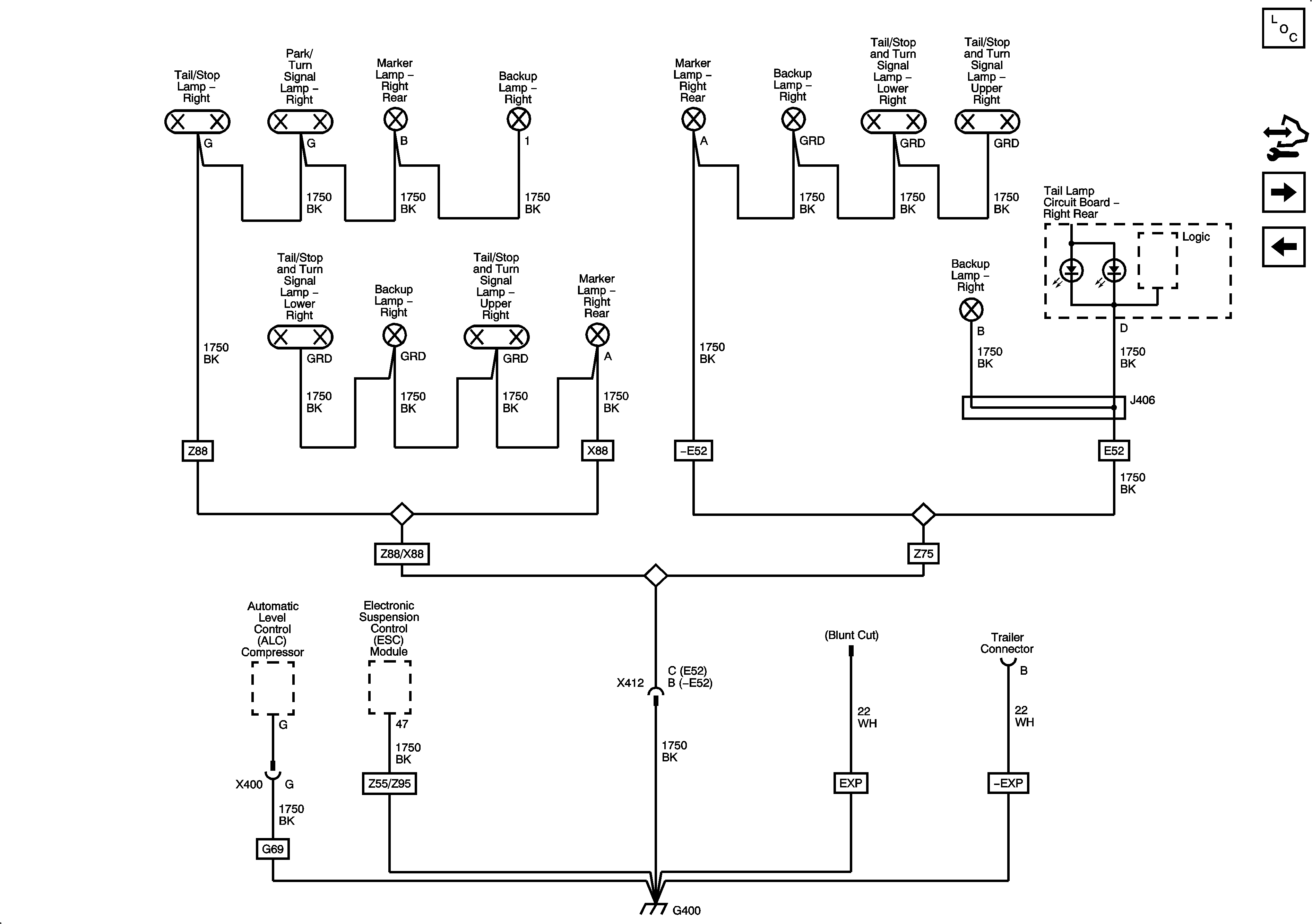
Figure 12:

G401


Object Number: 2074654  Size: FS
Figure 13:

G402 - E52


Object Number: 2074656  Size: FS