GM Service Manual Online
For 1990-2009 cars only
Makes
🢒
Chevrolet
🢒
2009
🢒
Chevy Suburban - 4WD
🢒
Diagnostic Navigation
🢒
Vehicle Diagnostic Information
🢒 Automatic Transmission Controls Schematics
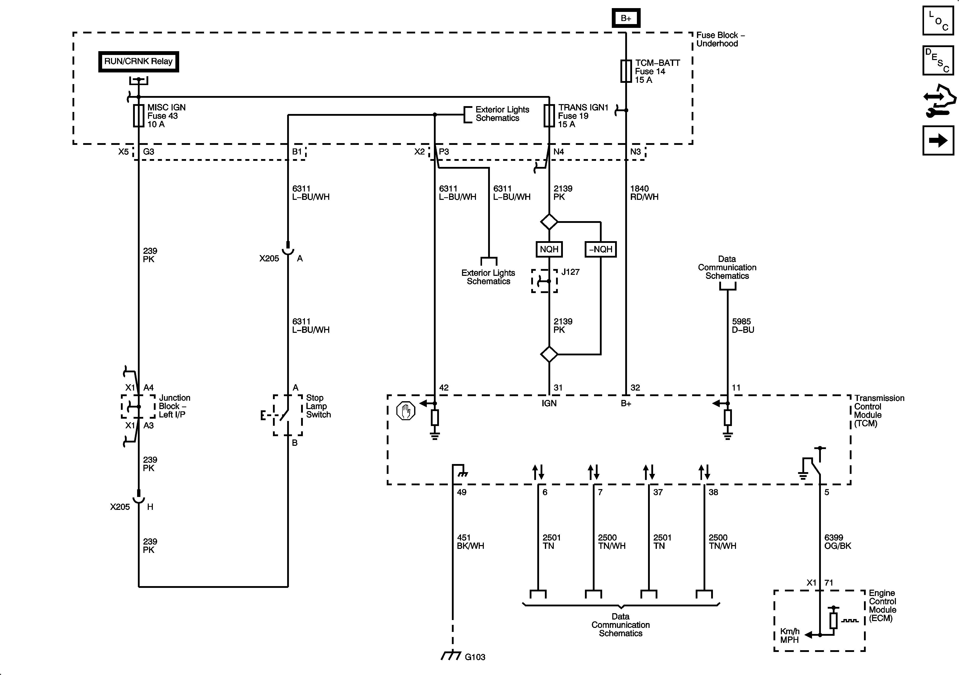
Figure
1:
Module Power, Ground, and Serial Data
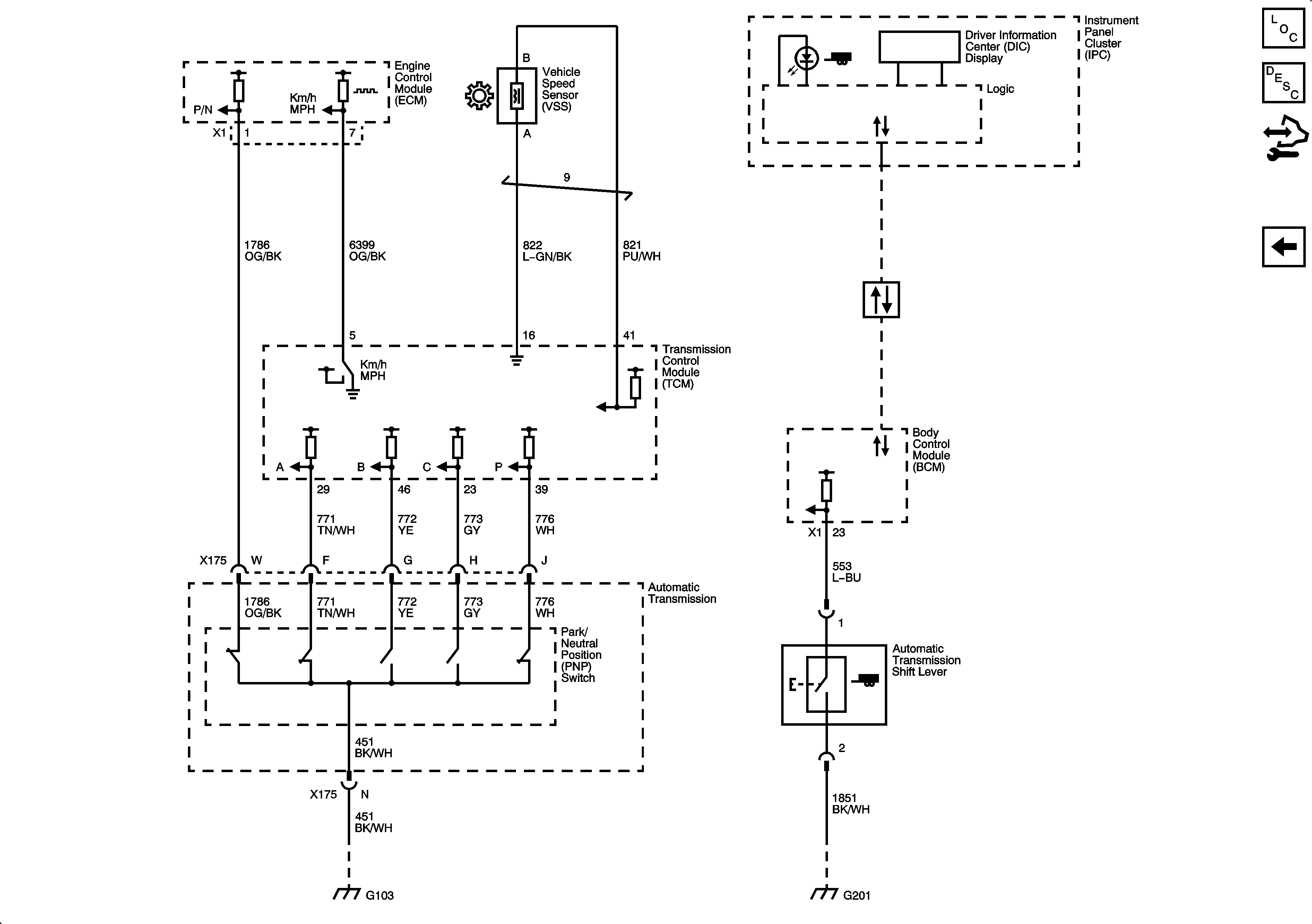
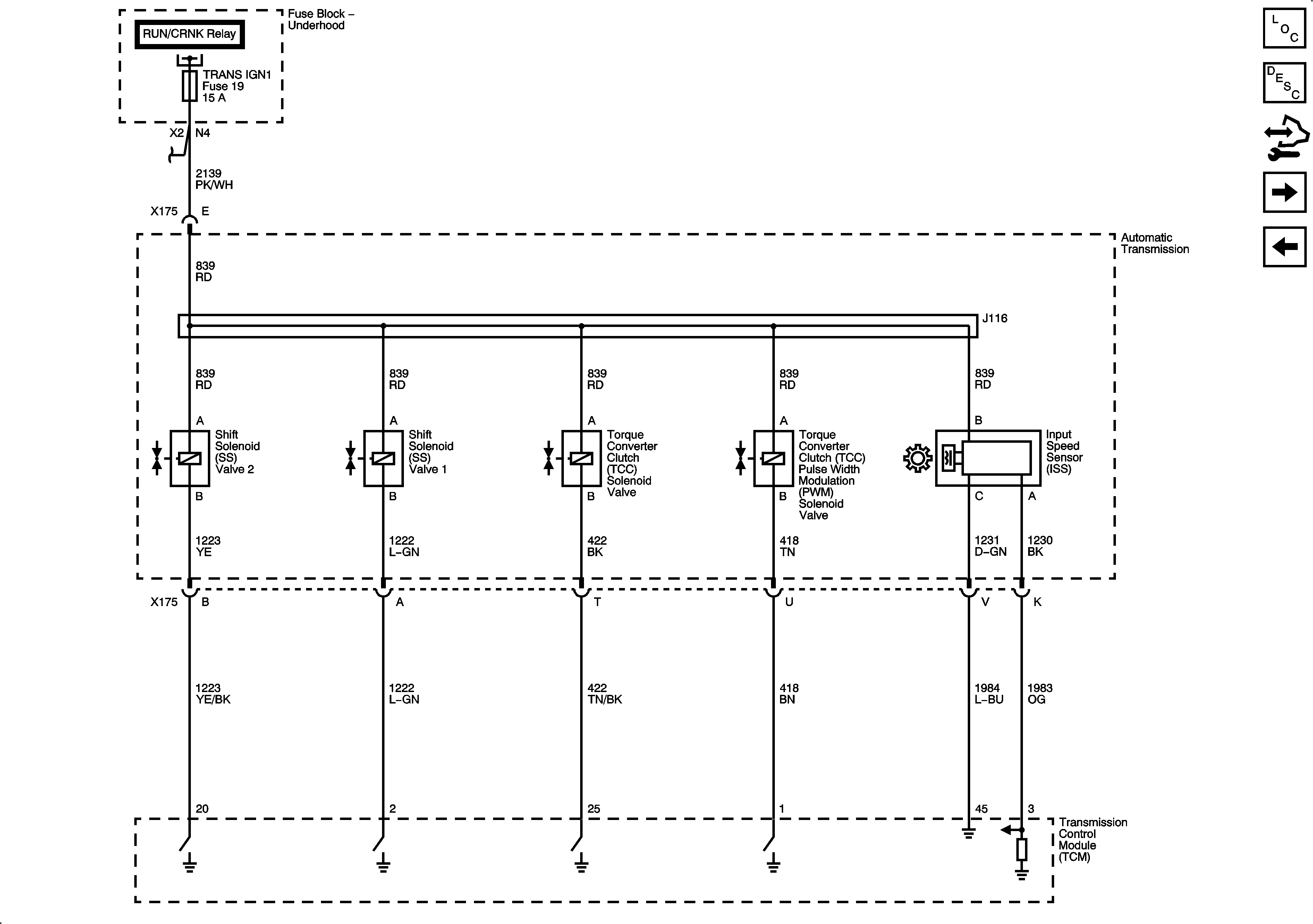
Figure
2:
Shift Controls
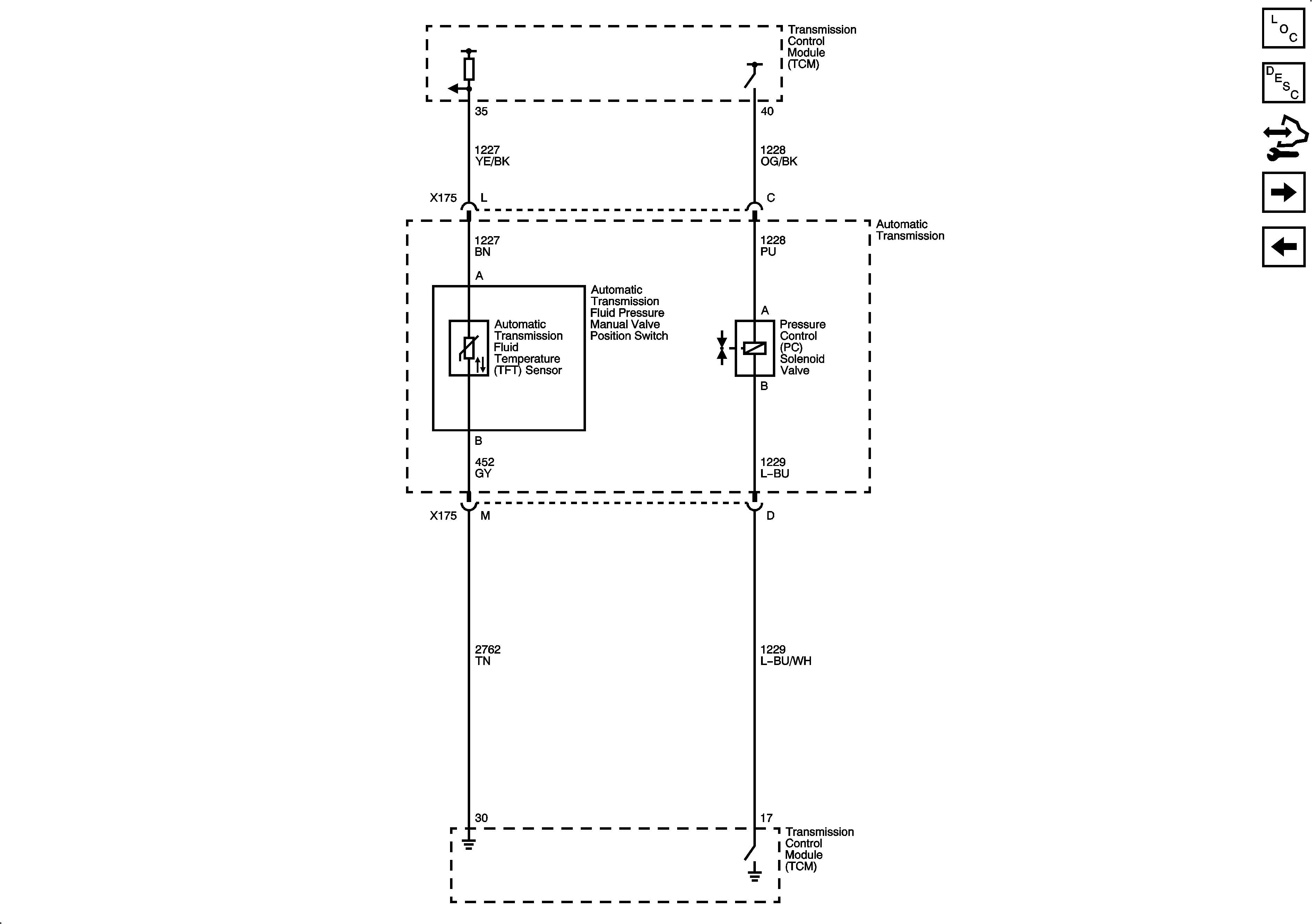
Figure
3:
Pressure and Temperature Controls
Figure
4:
PNP Signals, VSS Signals, and Tow/Haul Signal