GM Service Manual Online
For 1990-2009 cars only
Makes
🢒
Chevrolet
🢒
2009
🢒
Chevy Suburban - 4WD
🢒
Transmission
🢒
Automatic Transmission - 6L50/6L80/6L90
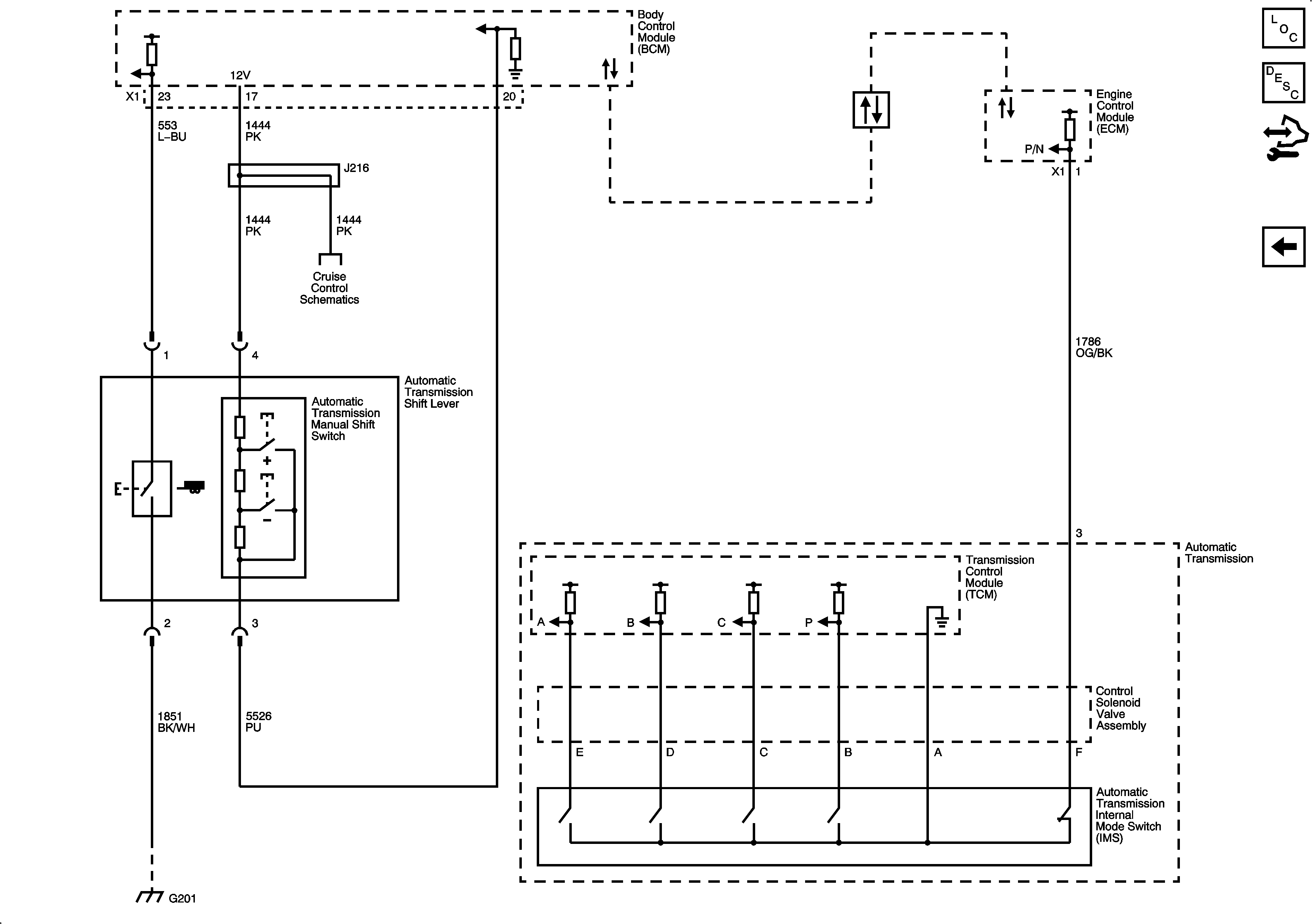
🢒 Automatic Transmission Controls Schematics
Figure
1:
Module Power, Ground, Serial Data and Stop Lamp Switch
Figure
2:
Pressure Controls - 1 of 2 and Shift Controls
Figure
3:
Pressure Controls - 2 of 2 and Speed Sensors
Figure
4:
Transmission Range Signals and Driver Shift Request