GM Service Manual Online
For 1990-2009 cars only
Makes
🢒
Chevrolet
🢒
2009
🢒
Chevy Suburban - 4WD
🢒
Power and Signal Distribution
🢒
Data Communications
🢒 Driver Information System Schematics
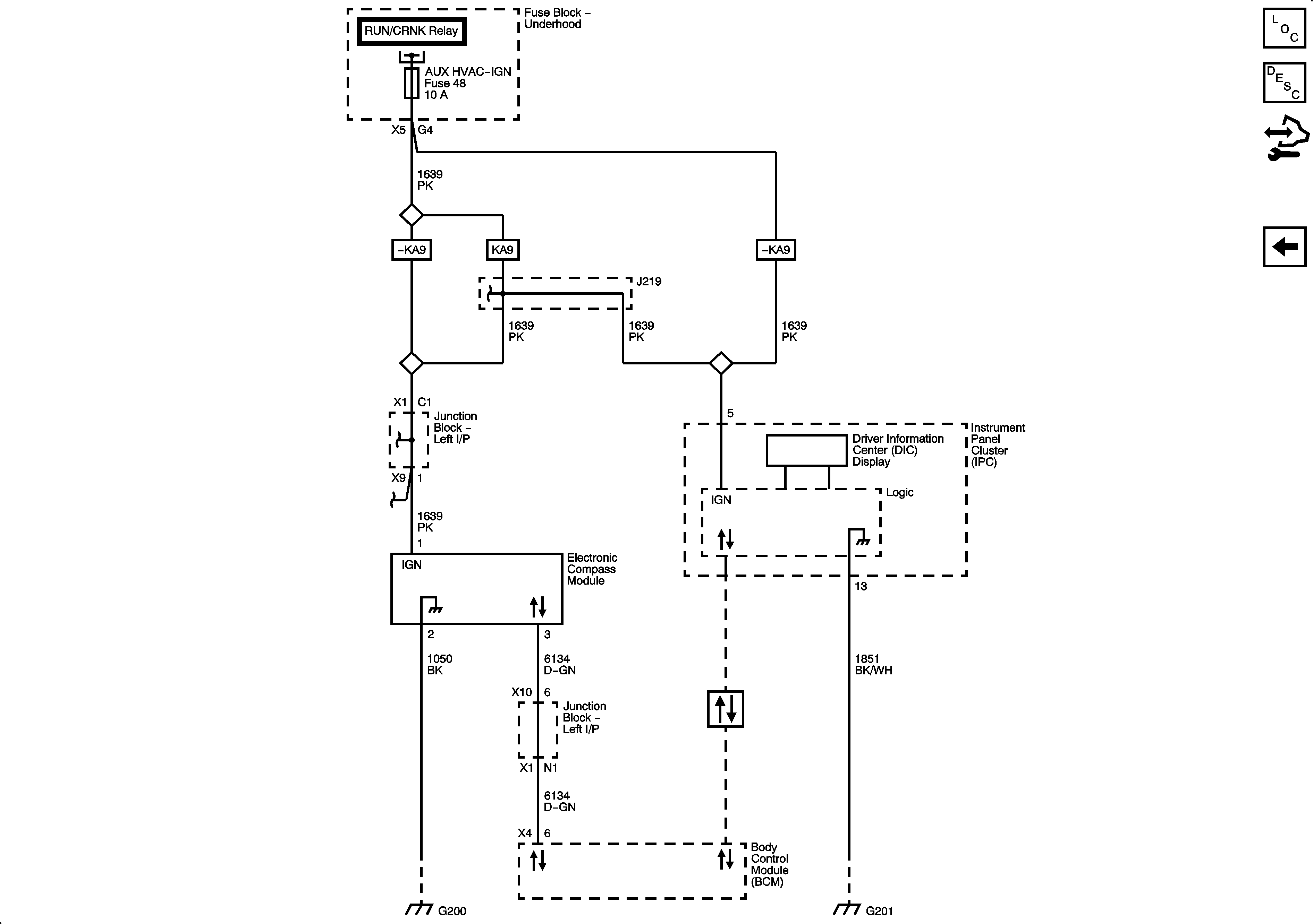
Figure
1:
Analog Clock (Z75)
Figure
2:
Electronic Compass - YE9