GM Service Manual Online
For 1990-2009 cars only
Makes
🢒
Chevrolet
🢒
2009
🢒
Chevy Suburban - 4WD
🢒
Power and Signal Distribution
🢒
Wiring Systems and Power Management
🢒 Trailer Connector/Provision Schematics
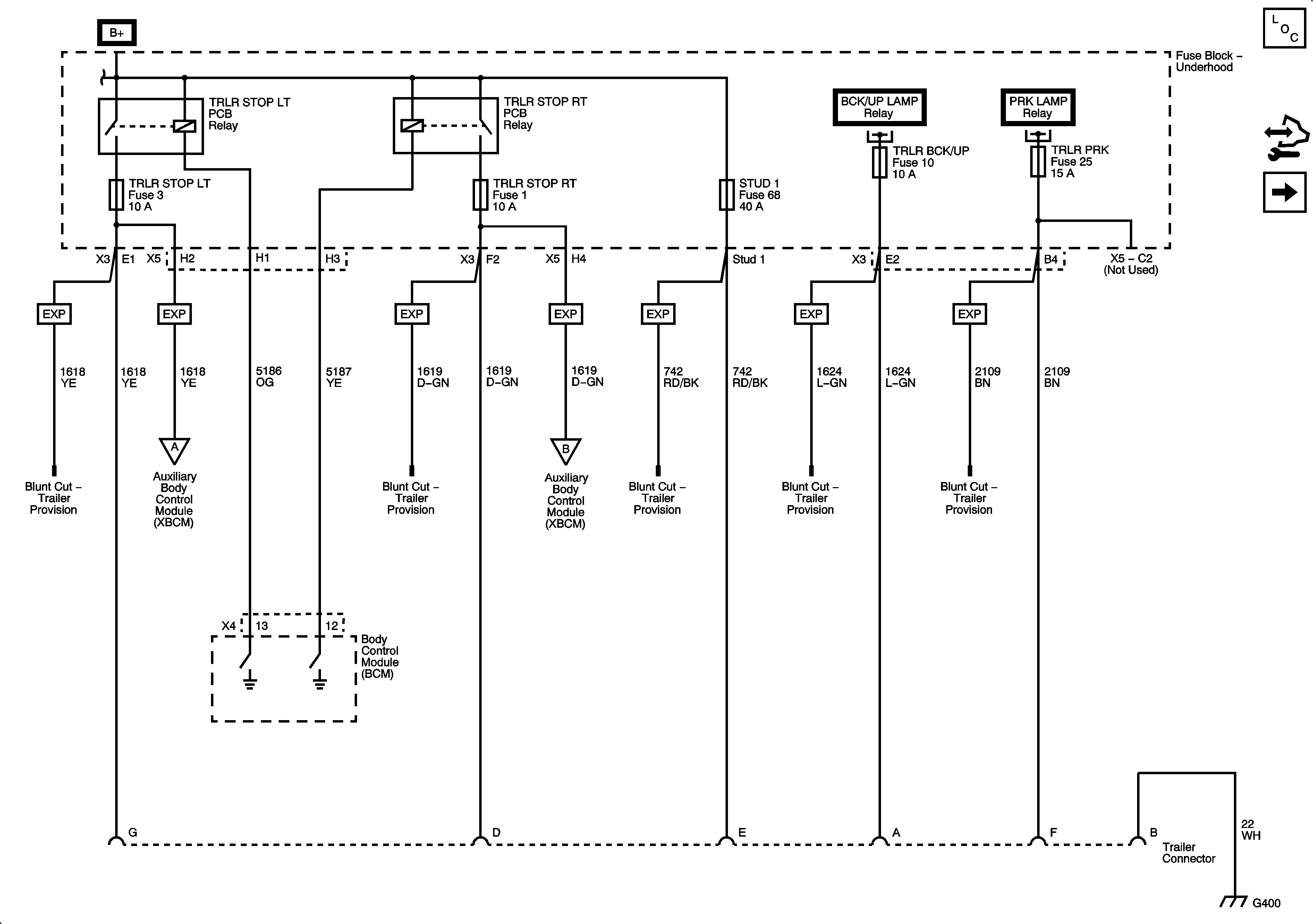
Figure
1:
Trailer Lighting Control - Export 1 of 2 and all Domestic
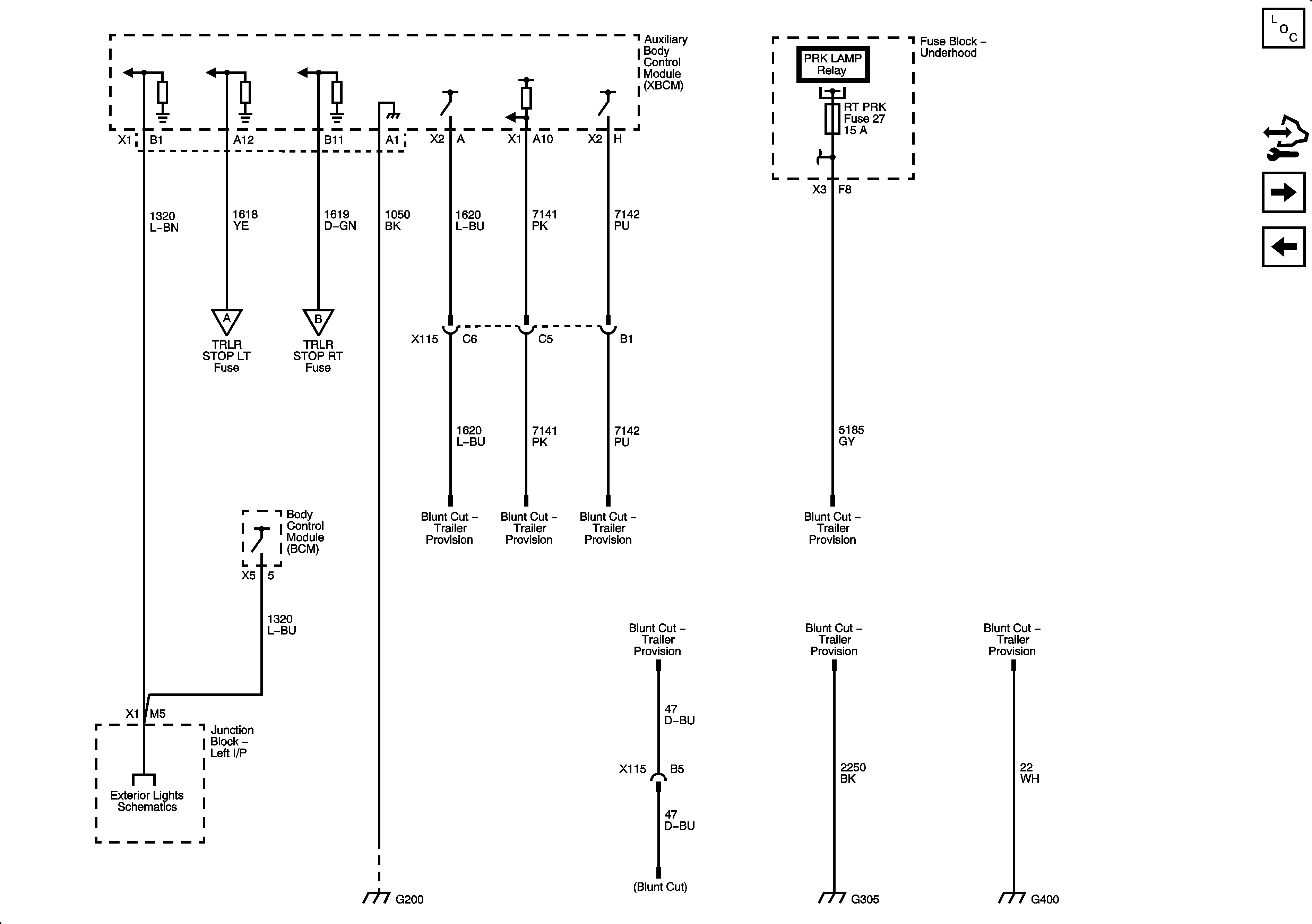
Figure
2:
Export Trailer Wiring - 2 of 2
Figure
3:
Trailer Brake Control - Domestic