GM Service Manual Online
For 1990-2009 cars only
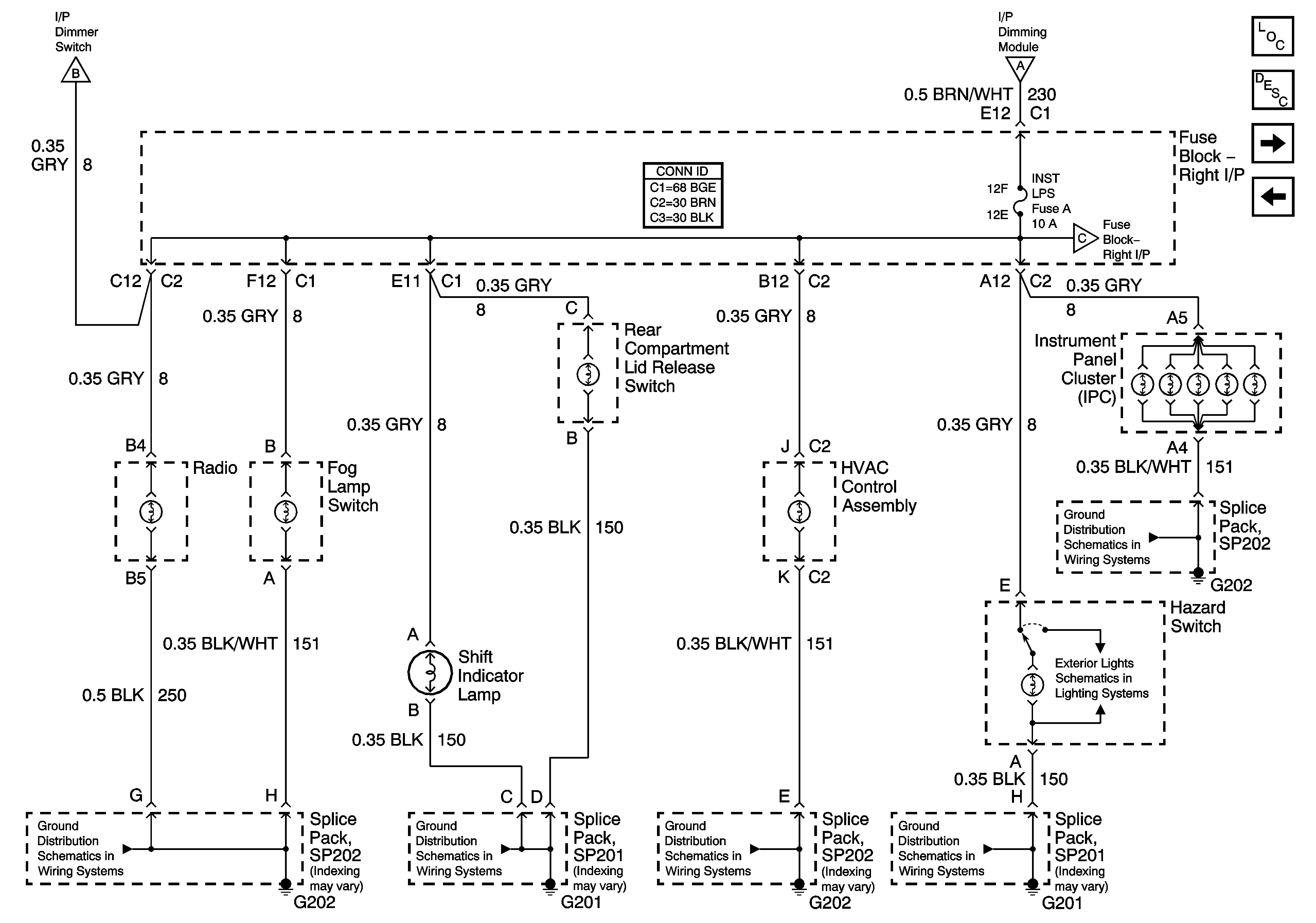
Figure 1:

Dimmer Switch


Object Number: 782525  Size: FS
Master Electrical Component List
Interior Lighting Systems Description and Operation
Panel Dimming
AUX PWR/CIGAR, PRK LMS, and PCM BATT Fuses
Panel Dimming
SP202
Power, Grounds, and Park Lamp Relay
Power, Grounds, and Park Lamp Relay
Panel Dimming
Figure 2:

Panel Dimming


Object Number: 784206  Size: FS
Master Electrical Component List
Interior Lighting Systems Description and Operation
Door Dimming
Dimmer Switch
Dimmer Switch
Dimmer Switch
Door Dimming
SP202
SP202
SP201
SP202
SP201
Turn Signal and Hazard Switch
Figure 3:

Door Dimming


Object Number: 784207  Size: FS
Master Electrical Component List
Interior Lighting Systems Description and Operation
Panel Dimming
Panel Dimming
SP302
SP301
SP302
SP301