GM Service Manual Online
For 1990-2009 cars only
Makes
🢒
Chevrolet
🢒
2005
🢒
Classic
🢒 Driver Controls
Driver Controls
Driver Controls
Master Electrical Component List
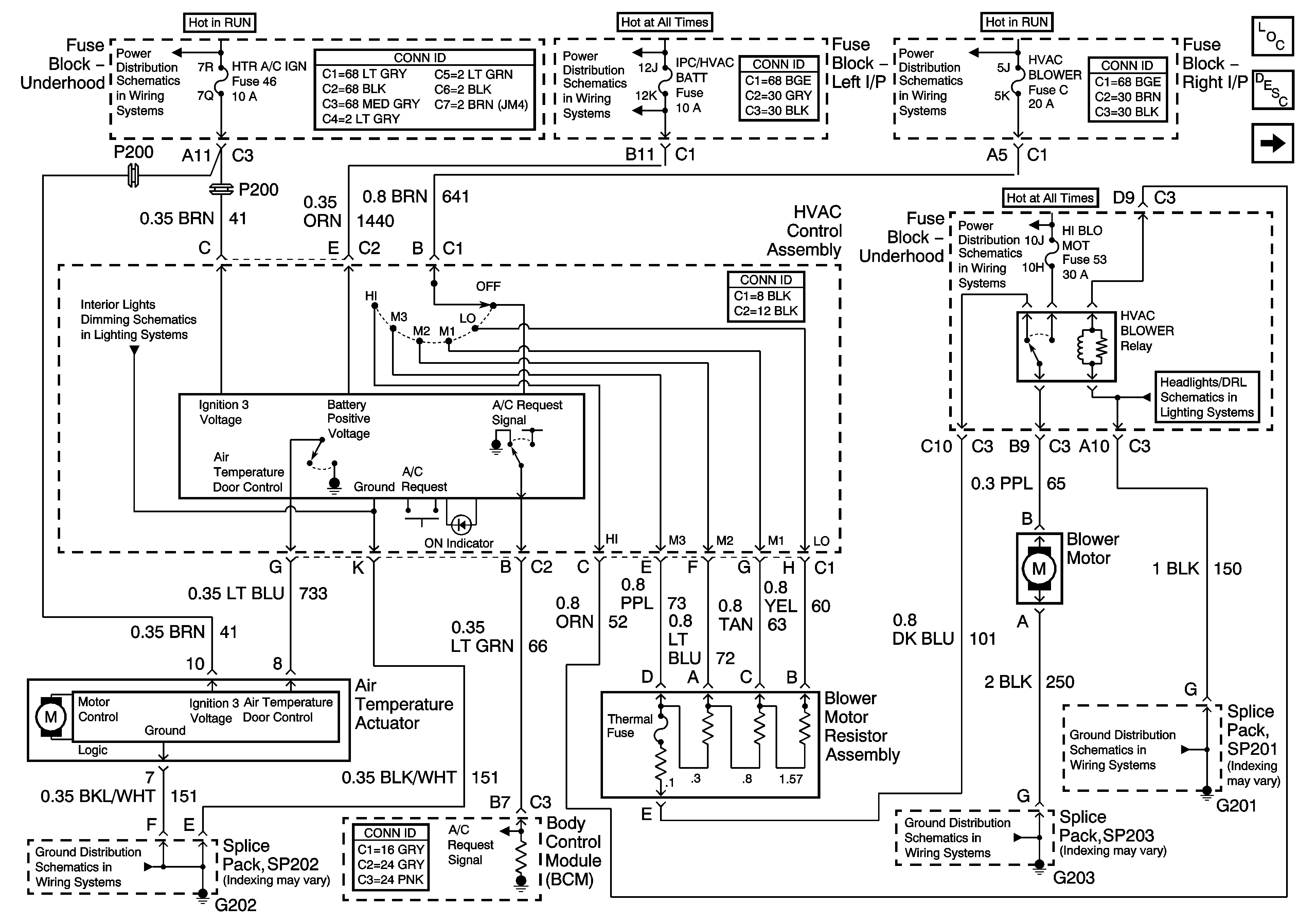
Air Delivery Description and Operation
A/C Compressor Controls
HTR A/C IGN and ERLS Fuses
LH BFC BATT 2, STOP LPS, HAZARD LPS, IPC/HVAC BATT Fuses
CRUISE SW, CRUISE, SUNROOF, and HVAC BLOWER Fuses
Dimmer Switch
B+ Bus Bar
DRL and ALC Relay
SP202
SP203
SP201