GM Service Manual Online
For 1990-2009 cars only
Makes
🢒
Chevrolet
🢒
2005
🢒
Classic
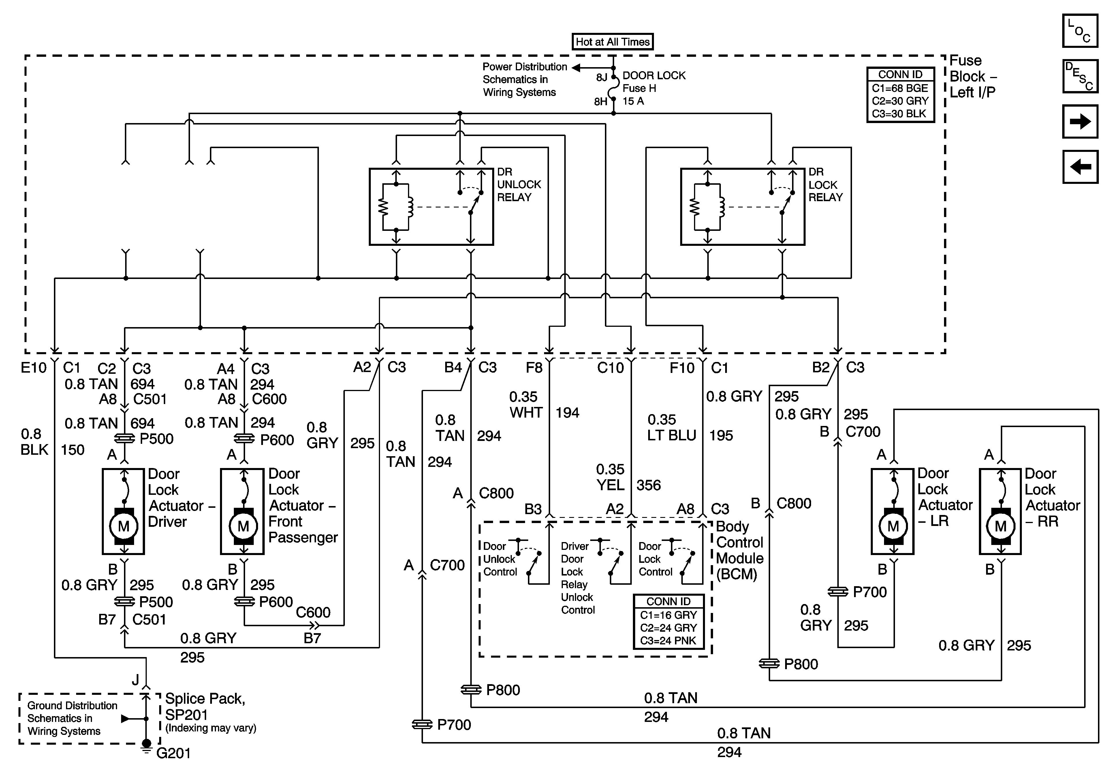
🢒 Actuators w/o Remote Function Actuation
Actuators w/o Remote Function Actuation
Actuators - without Remote Function Actuation
Master Electrical Component List
Power Door Locks Description and Operation
Door Ajar Switches
Actuators w/ Remote Function Actuation
BATT 1, PWR Seat, PWR Mirror, DR Lock, Trunk Release/RFA
SP201