GM Service Manual Online
For 1990-2009 cars only
Makes
🢒
Chevrolet
🢒
2005
🢒
Classic
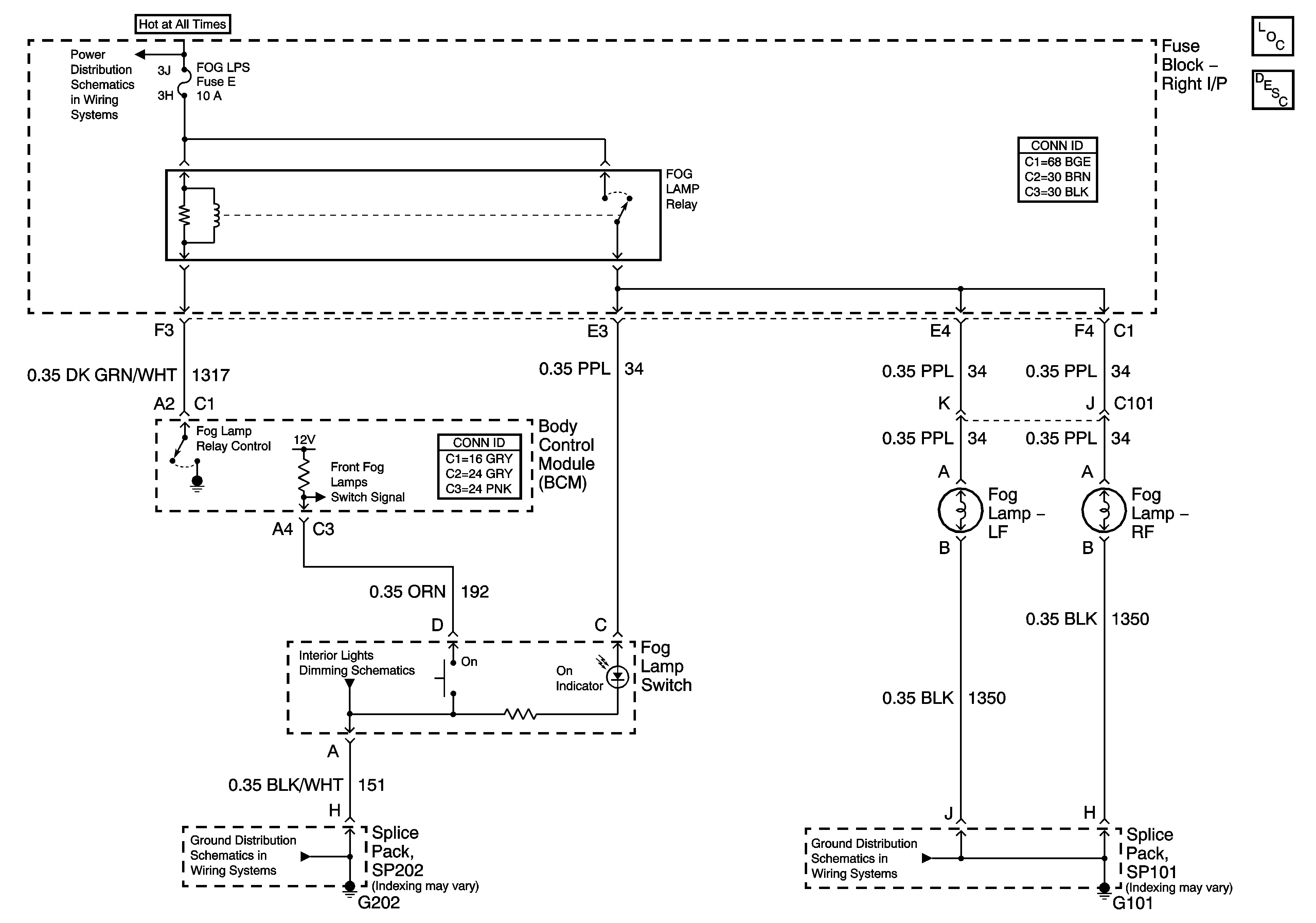
🢒 Fog Lights Schematics
Fog Lights Schematics
Master Electrical Component List
Exterior Lighting Systems Description and Operation
RR DEFOG, HORN, HI BLO MOT, RH BEC BATT, COOL FANS, and ABS Fuses
SP202
SP101