GM Service Manual Online
For 1990-2009 cars only
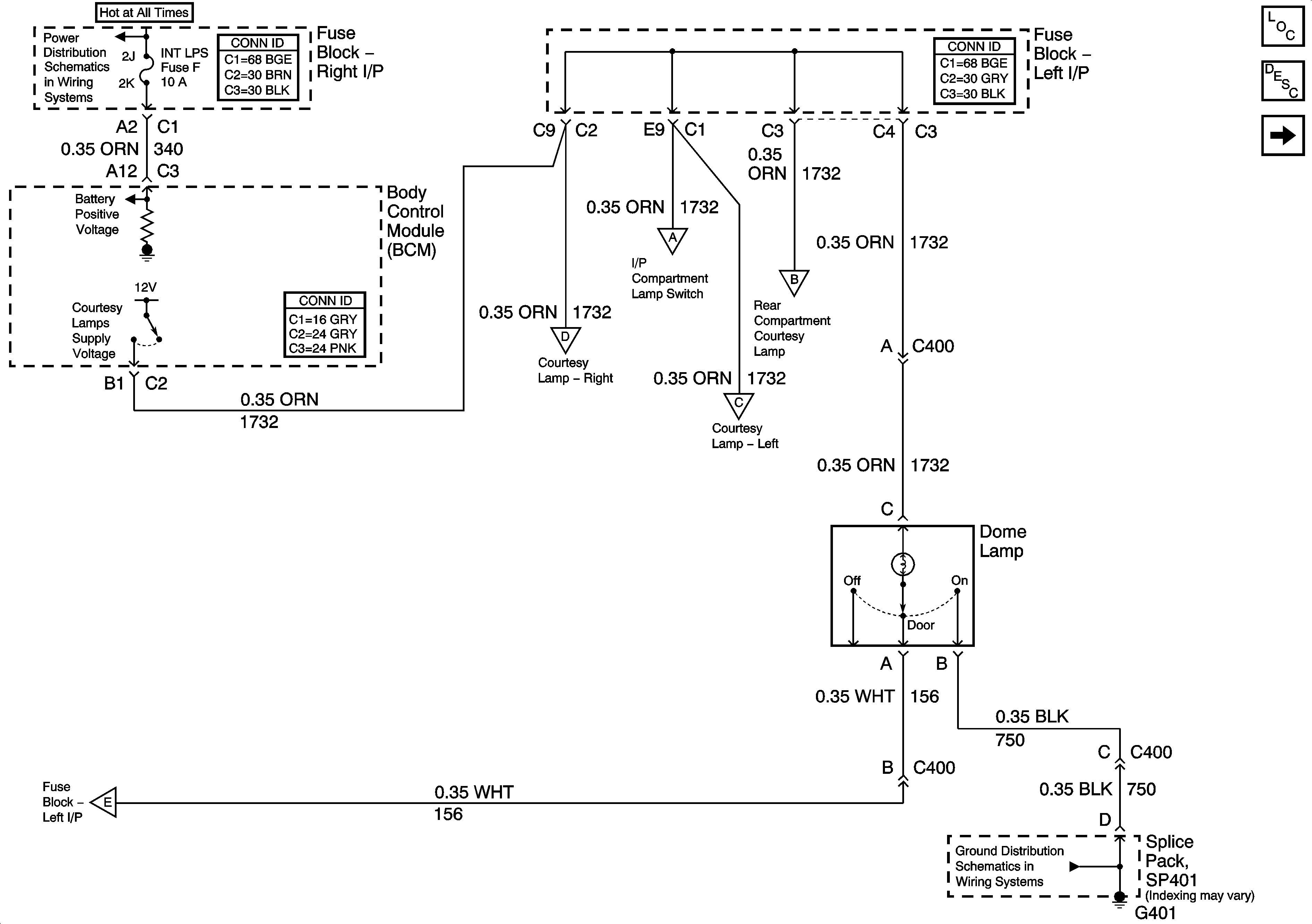
Figure 1:

Power and Dome Lamps


Object Number: 1221876  Size: FS
Figure 2:

Instrument Panel and Rear Compartment Lamps


Object Number: 784161  Size: FS
Figure 3:

Door Ajar Lamps


Object Number: 784162  Size: FS