GM Service Manual Online
For 1990-2009 cars only
Makes
🢒
Chevrolet
🢒
2006
🢒
Classic
🢒
Body
🢒
Stationary Windows
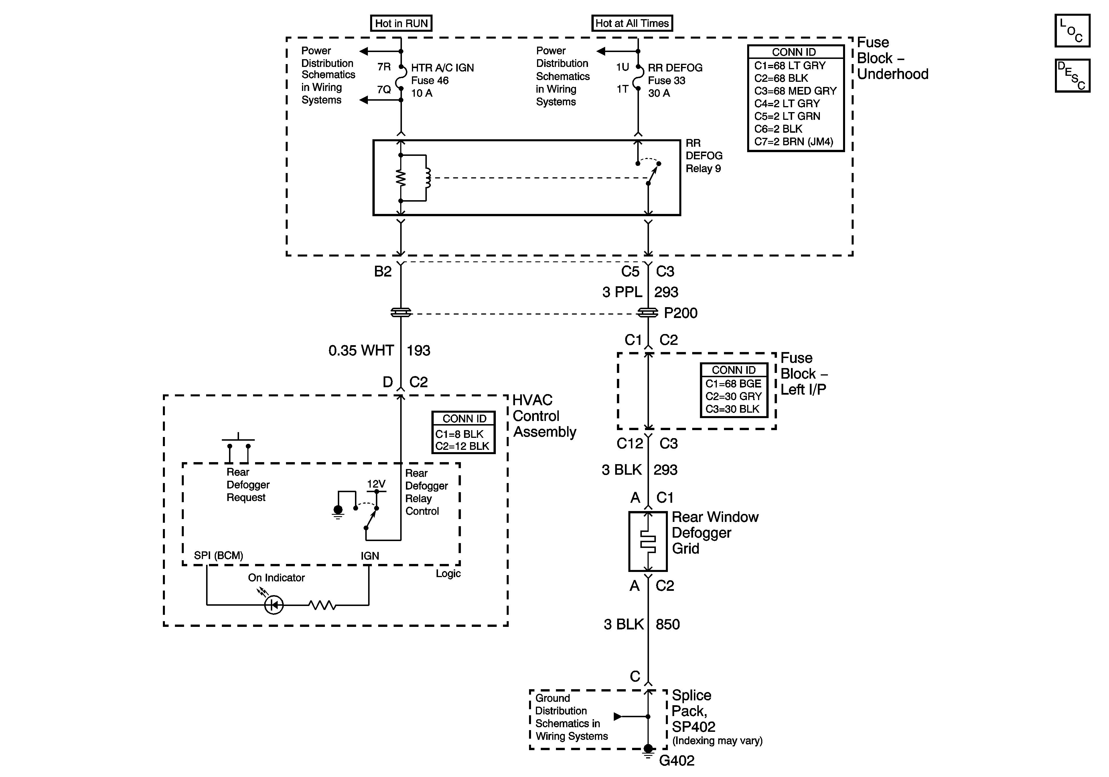
🢒 Defogger Schematics