GM Service Manual Online
For 1990-2009 cars only
Figure 1:

Dimmer Switch Inputs


Object Number: 1527759  Size: FS
Master Electrical Component List
Interior Lighting Systems Description and Operation
Control Module References
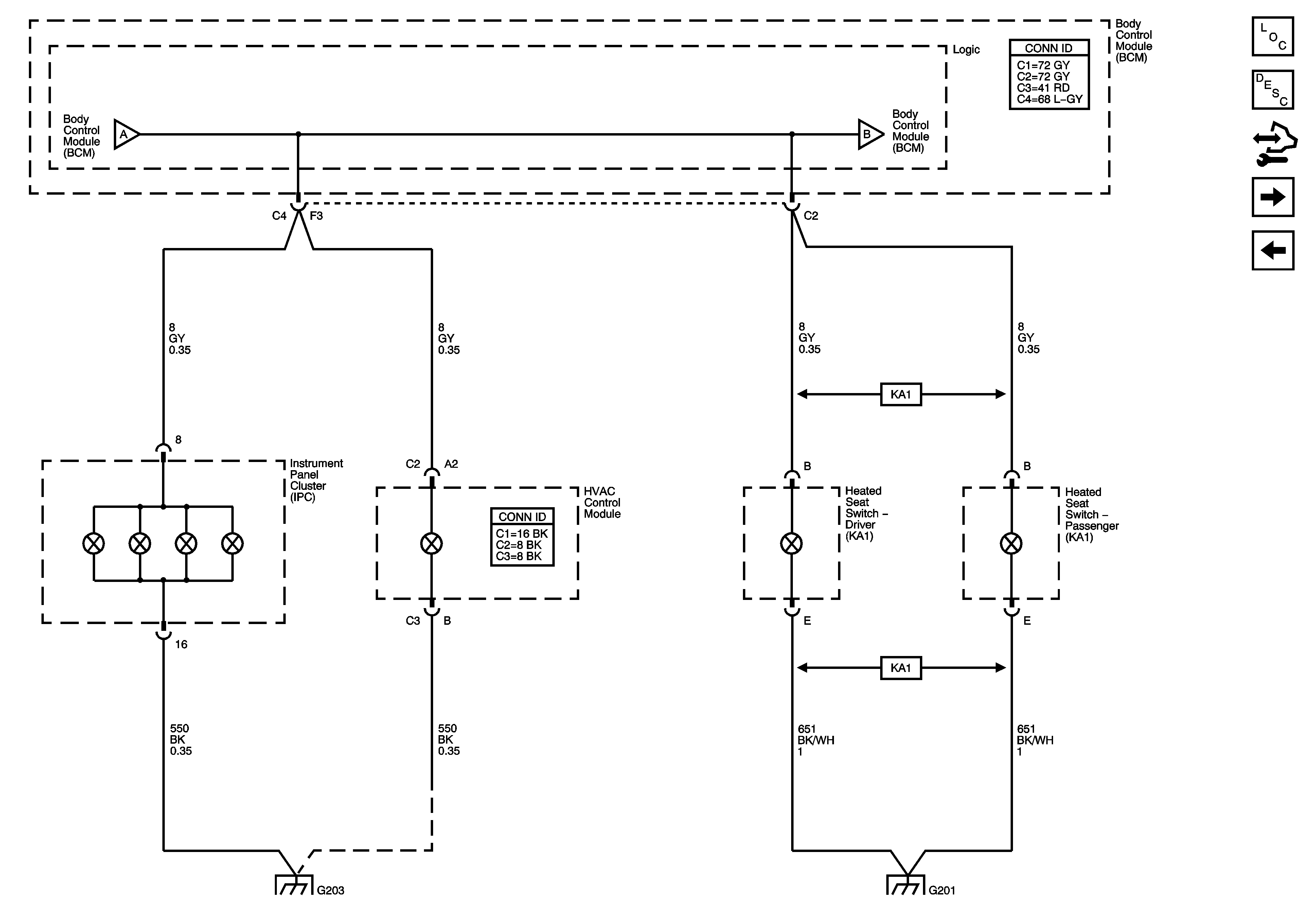
IPC, HVAC Control Assembly, and Heated Seats
SIR Caution for Zoning
IPC, HVAC Control Assembly, and Heated Seats
Cellular Communication Schematic Icons
PARK LAMPS PCB Relay, PARK LPS Fuse, LOW BEAM PCB Relay, HI BEAM PCB Relay, RH LOW BEAM Fuse, LH LOW BEAM Fuse, RH HIGH BEAM Fuse, LH HIGH BEAM Fuse
Ambient Air Temperature Sensor, EOP Sensor, Fuel Level Sensor, and Indicators
G109, G203, and G306
G201 2 of 2
G101 and G102
G201
G109, G203, and G306
G201
G101 and G102
Figure 2:

IPC, Mode Control Assembly, and Heated Seats


Object Number: 1527760  Size: FS
Master Electrical Component List
Interior Lighting Systems Description and Operation
Control Module References
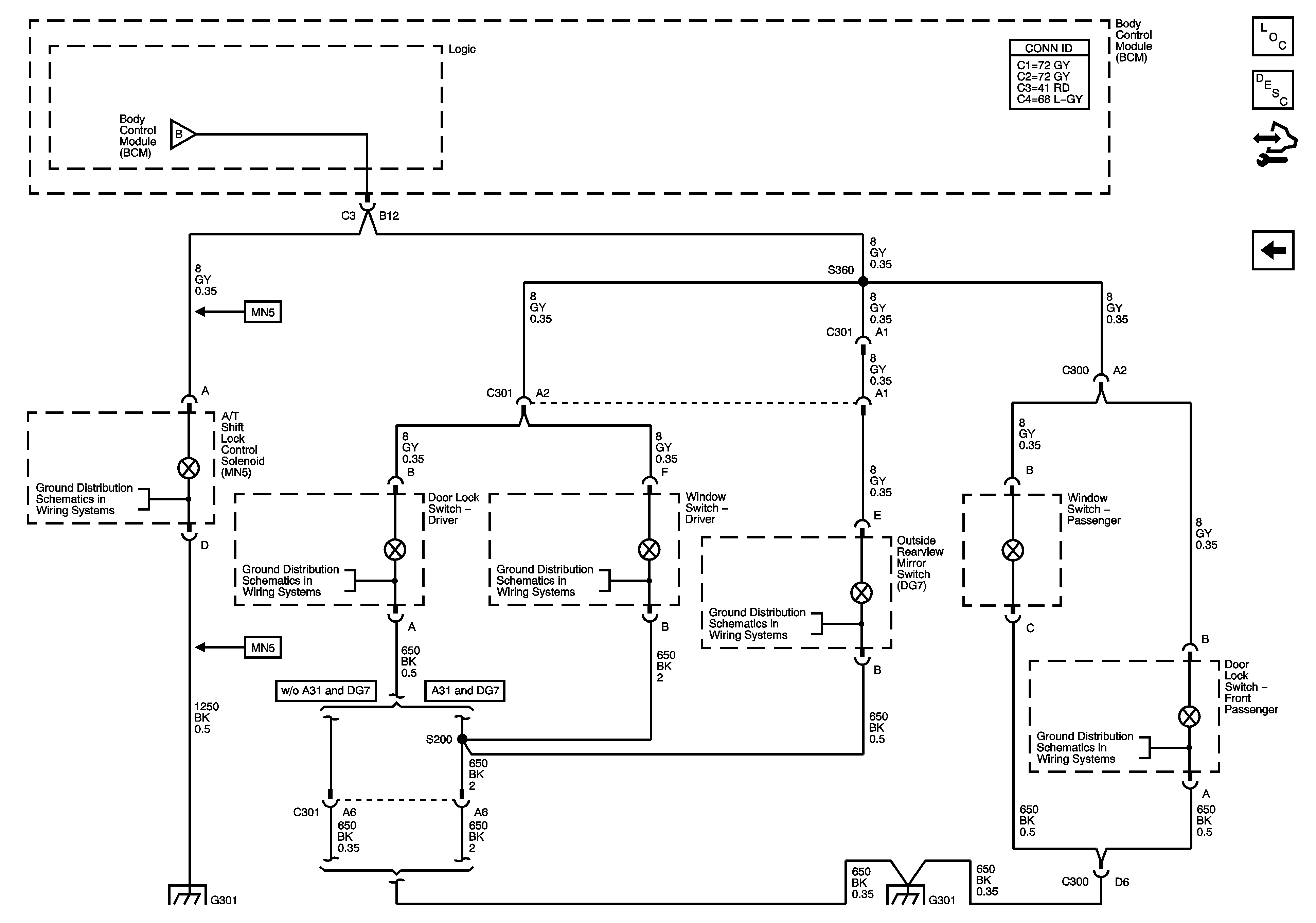
A/T Shift Lock Control Assembly, Mirror and Doors
Dimmer Switch Inputs
Dimmer Switch Inputs
A/T Shift Lock Control Assembly, Mirror and Doors
G109, G203, and G306
G201
Figure 3:

A/T Shift Lock Control Assembly, Mirror, and Doors


Object Number: 1527762  Size: FS
Master Electrical Component List
Interior Lighting Systems Description and Operation
Control Module References
IPC, HVAC Control Assembly, and Heated Seats
IPC, HVAC Control Assembly, and Heated Seats
G301 - 1 of 2
G301 - 2 of 2
G301 - 2 of 2
G301 - 2 of 2
G301 - 2 of 2
G301 - 1 of 2
G301 - 2 of 2