GM Service Manual Online
For 1990-2009 cars only
Makes
🢒
Chevrolet
🢒
2005
🢒
Cobalt
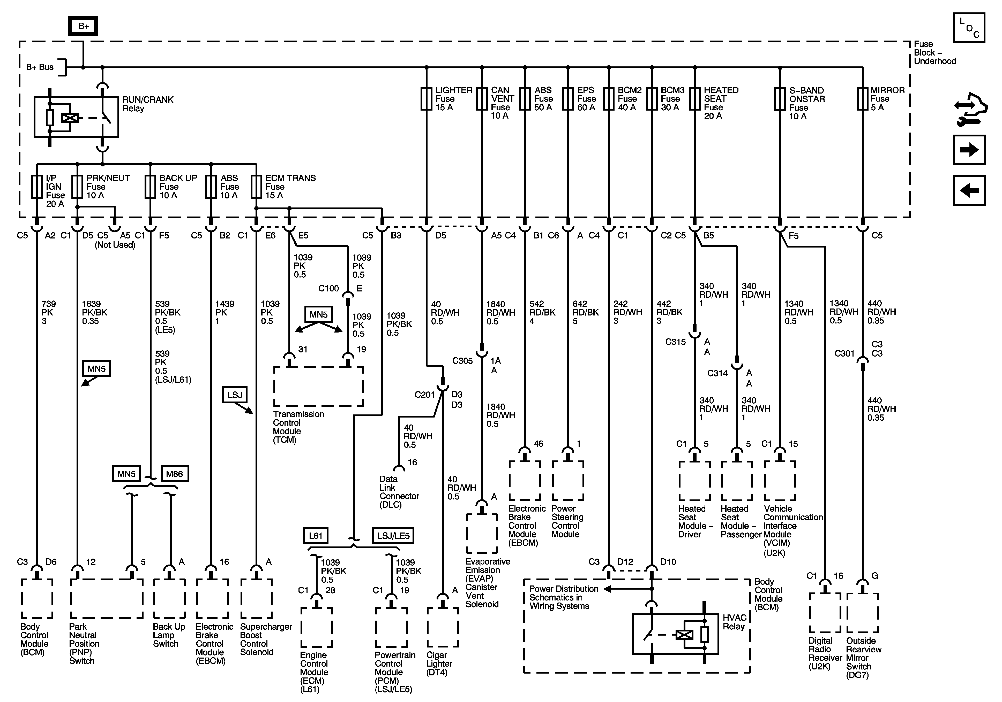
🢒 RUN/CRANK Relay, I/P IGN Fuse, PRK/NEUT Fuse, BACKUP Fuse, ABS Fuses, ECM TRANS Fuse, LIGHTER Fuse, CAN VENT Fuse, EPS Fuse, BCM2 and 3 Fuses, HEATED SEAT Fuse, S-BAND/ONSTAR Fuse, MIRROR Fuse
RUN/CRANK Relay, I/P IGN Fuse, PRK/NEUT Fuse, BACKUP Fuse, ABS Fuses, ECM TRANS Fuse, LIGHTER Fuse, CAN VENT Fuse, EPS Fuse, BCM2 and 3 Fuses, HEATED SEAT Fuse, S-BAND/ONSTAR Fuse, MIRROR Fuse
RUN/CRANK Relay, I/P IGN Fuse, PRK/NEUT Fuse, BACKUP Fuse, ABS 10 Amp and 50 Amp Fuses, ECM TRANS Fuse, LIGHTER Fuse, CAN VENT Fuse, EPS Fuse, BCM2 Fuse, BCM3 Fuse, HEATED SEAT Fuse, S-BAND/ONSTAR Fuse, MIRROR Fuses
Master Electrical Component List
Control Module References
FUEL FUMP Relay, POWERTRAIN Relay, FUEL PMP Fuse, EMISSION Fuse, INJECTORS Fuse, PCM/ECM Fuse
AFTERCOOL Relay, AFTERCOOL Fuse, A/C CLUTCH Relay, A/C Fuse, HORN PCB Relay, HORN Fuse, FOG LAMP PCB Relay, FOG LAMP Fuse, TRUNK/OUTLET Relay, TRUNK RELEASE PCB Relay
Underhood Fuse Block B+ Bus