GM Service Manual Online
For 1990-2009 cars only
Makes
🢒
Chevrolet
🢒
2005
🢒
Cobalt
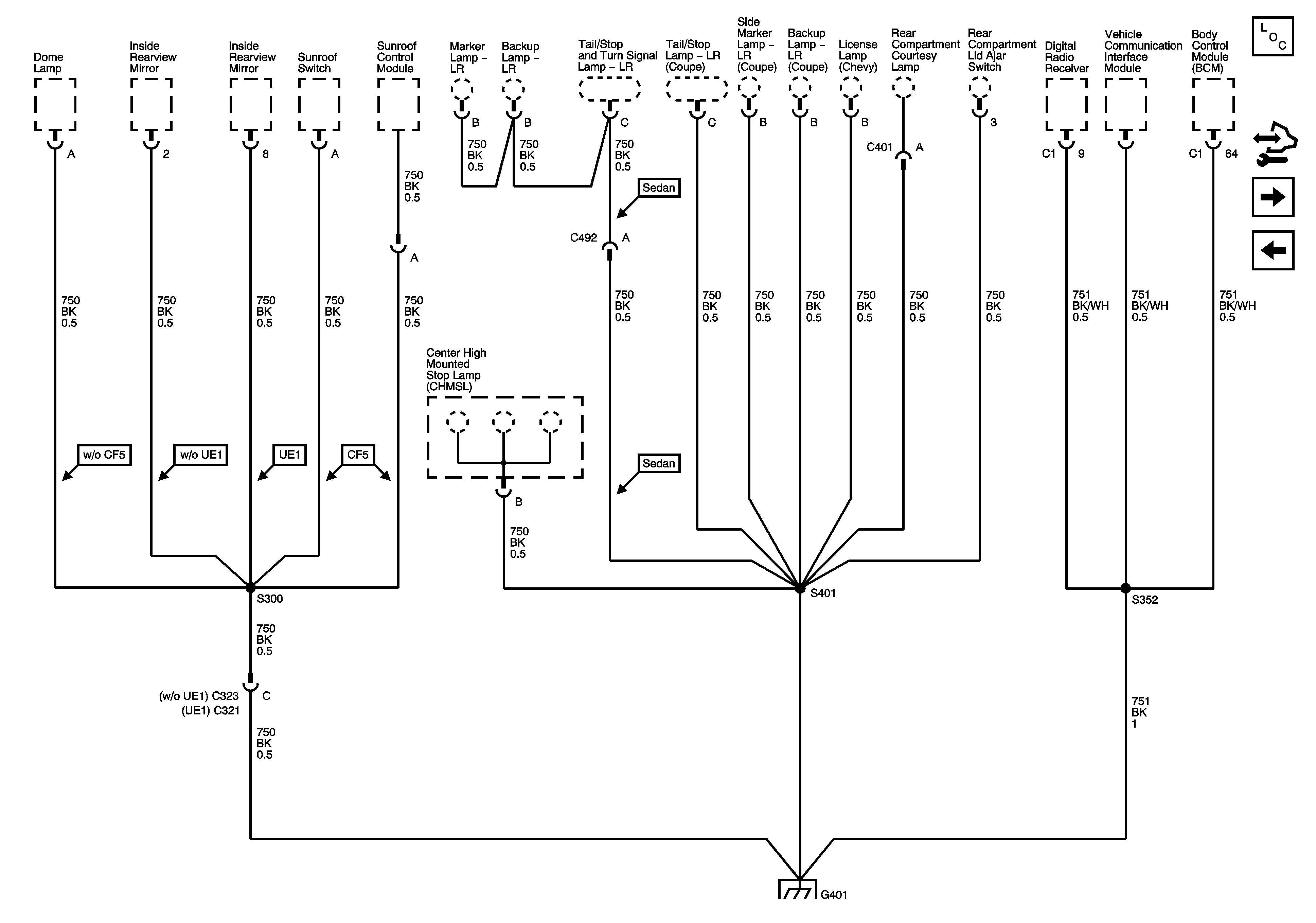
🢒 G401 - 2 of 2
G401 - 2 of 2
G401
Master Electrical Component List
Control Module References
G402 and G403