GM Service Manual Online
For 1990-2009 cars only
Makes
🢒
Chevrolet
🢒
2005
🢒
Cobalt
🢒 Horns Schematics
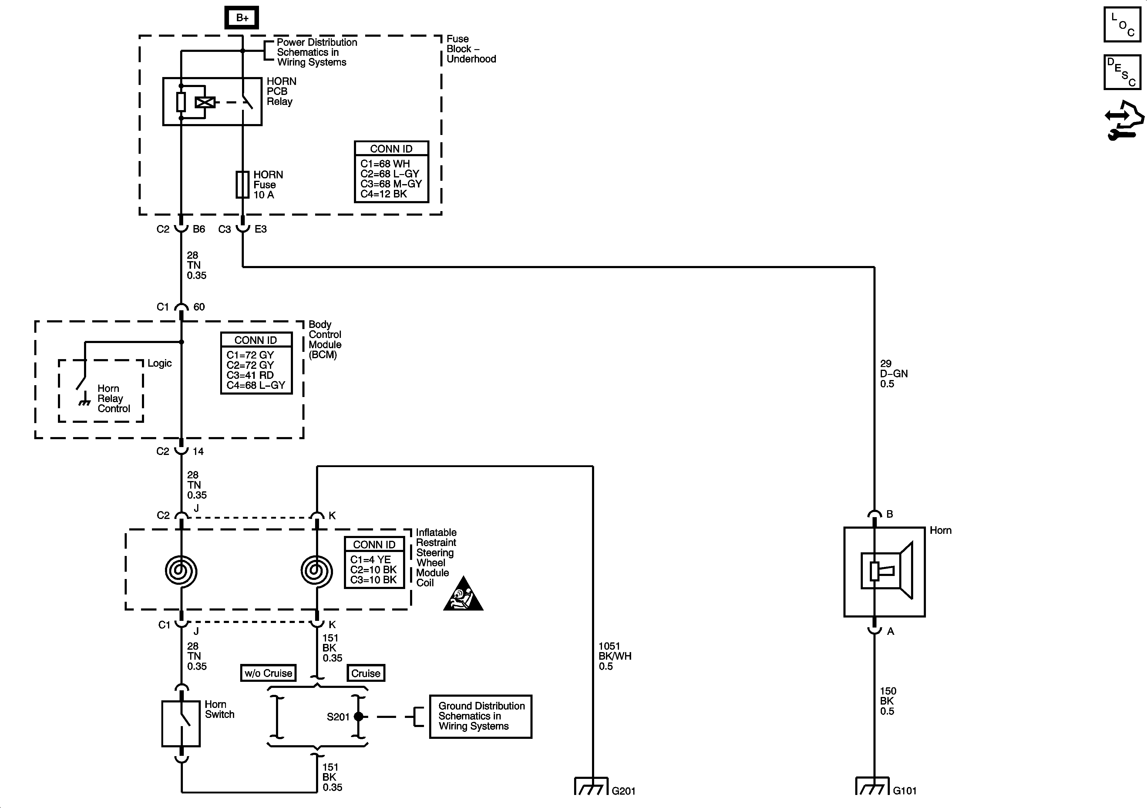
Horns Schematics
Master Electrical Component List
Horns System Description and Operation
Control Module References
AFTERCOOL Relay, AFTERCOOL Fuse, A/C CLUTCH Relay, A/C Fuse, HORN PCB Relay, HORN Fuse, FOG LAMP PCB Relay, FOG LAMP Fuse, TRUNK/OUTLET Relay, TRUNK RELEASE PCB Relay
SIR Caution for Zoning
G201
G201
G101 and G102