GM Service Manual Online
For 1990-2009 cars only
Makes
🢒
Chevrolet
🢒
2005
🢒
Cobalt
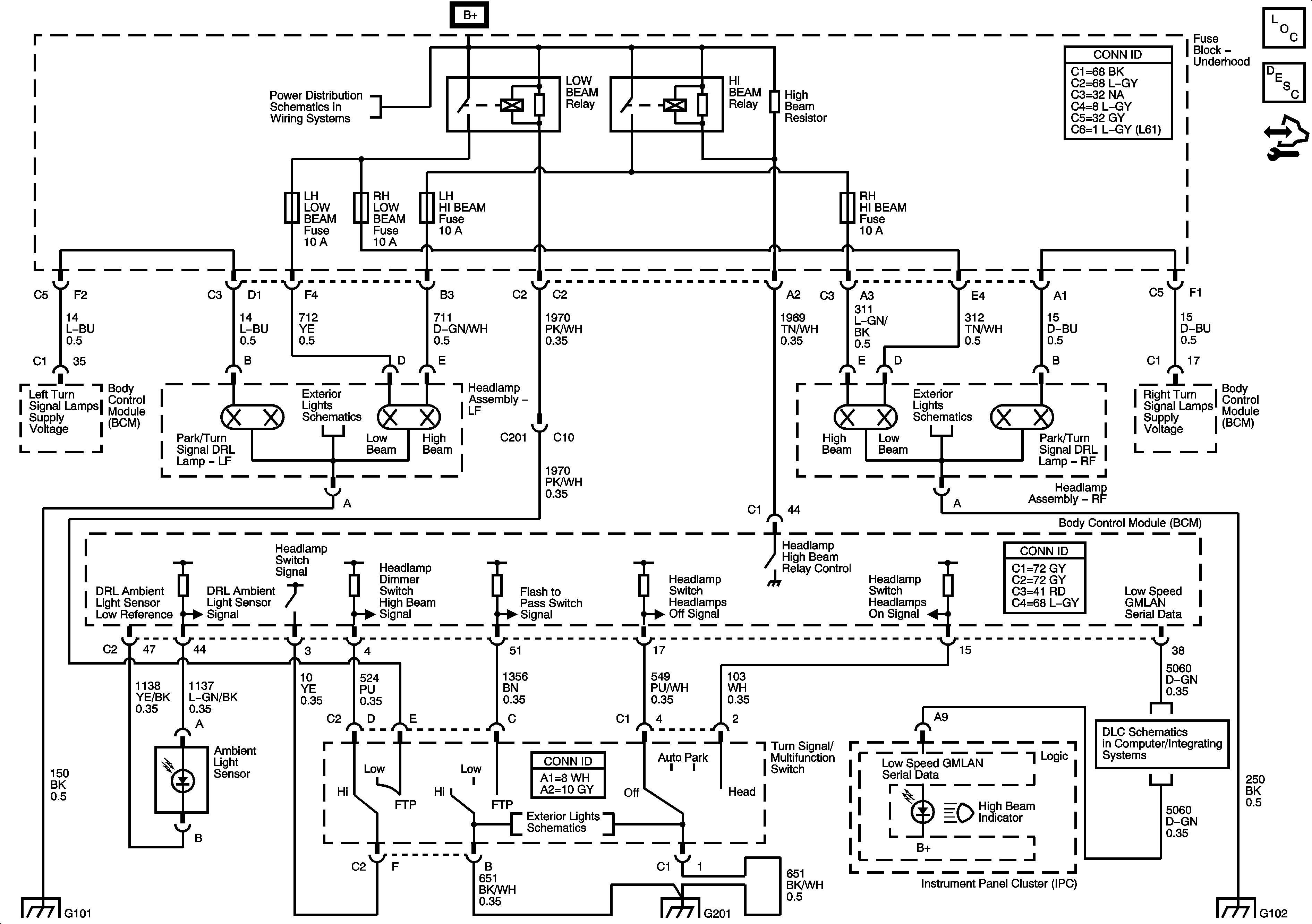
🢒 Headlights/Daytime Running Lights (DRL)
Headlights/Daytime Running Lights (DRL)
Master Electrical Component List
Exterior Lighting Systems Description and Operation
Control Module References
PARK LAMPS PCB Relay, PARK LPS Fuse, LOW BEAM PCB Relay, HI BEAM PCB Relay, RH LOW BEAM Fuse, LH LOW BEAM Fuse, RH HIGH BEAM Fuse, LH HIGH BEAM Fuse
Inputs
DLC Power, Ground, and Low Speed GMLAN
G101 and G102
G201
G101 and G102