GM Service Manual Online
For 1990-2009 cars only
Makes
🢒
Chevrolet
🢒
2005
🢒
Cobalt
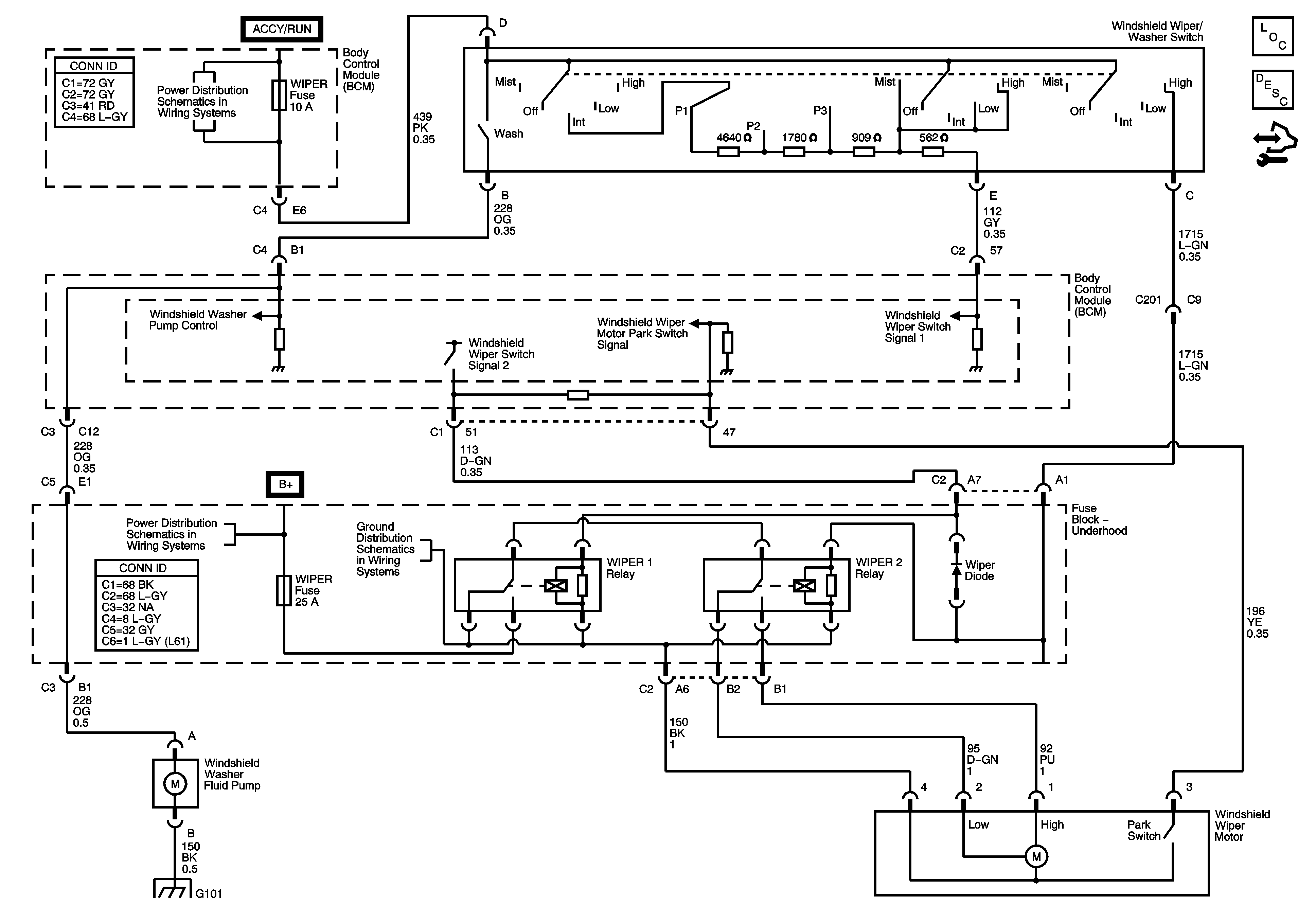
🢒 Wiper/Washer System Schematic
Wiper/Washer System Schematic
Master Electrical Component List
Wiper/Washer System Description and Operation Front
Control Module References
RUN/CRANK Relay, HVAC Relay, I/P IGN Fuse, BCM3 Fuse, WIPER Fuse, RESTRAINTS Fuse, EPS Fuse
Underhood Fuse Block B+ Bus
G101 and G102
G101 and G102