GM Service Manual Online
For 1990-2009 cars only
Makes
🢒
Chevrolet
🢒
2005
🢒
Cobalt
🢒 Seat Belt Schematic
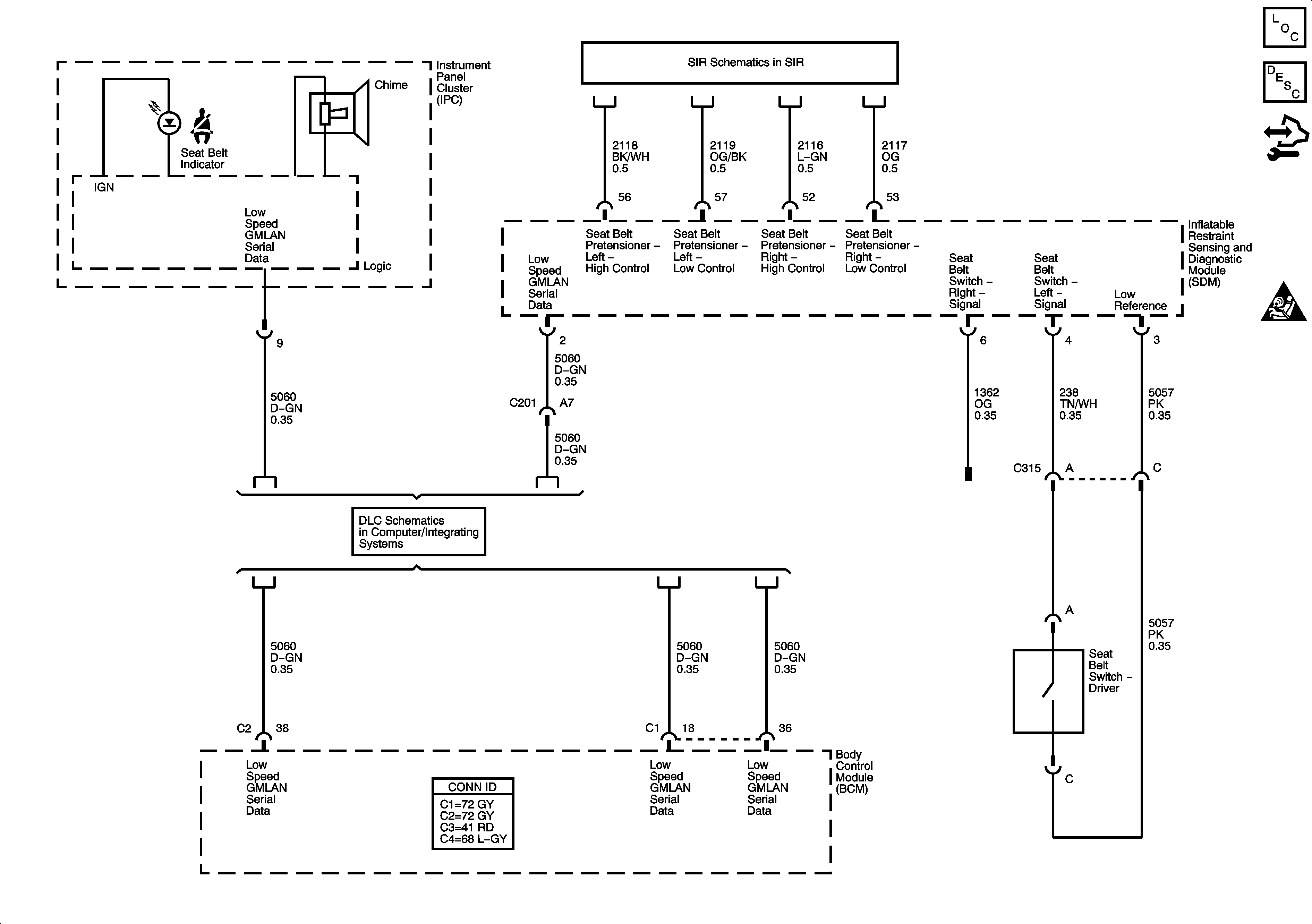
Seat Belt Schematic
Master Electrical Component List
Seat Belt System Description and Operation
Control Module References
SIR Caution for Zoning
DLC Power, Ground, and Low Speed GMLAN