GM Service Manual Online
For 1990-2009 cars only
Makes
🢒
Chevrolet
🢒
2005
🢒
Cobalt
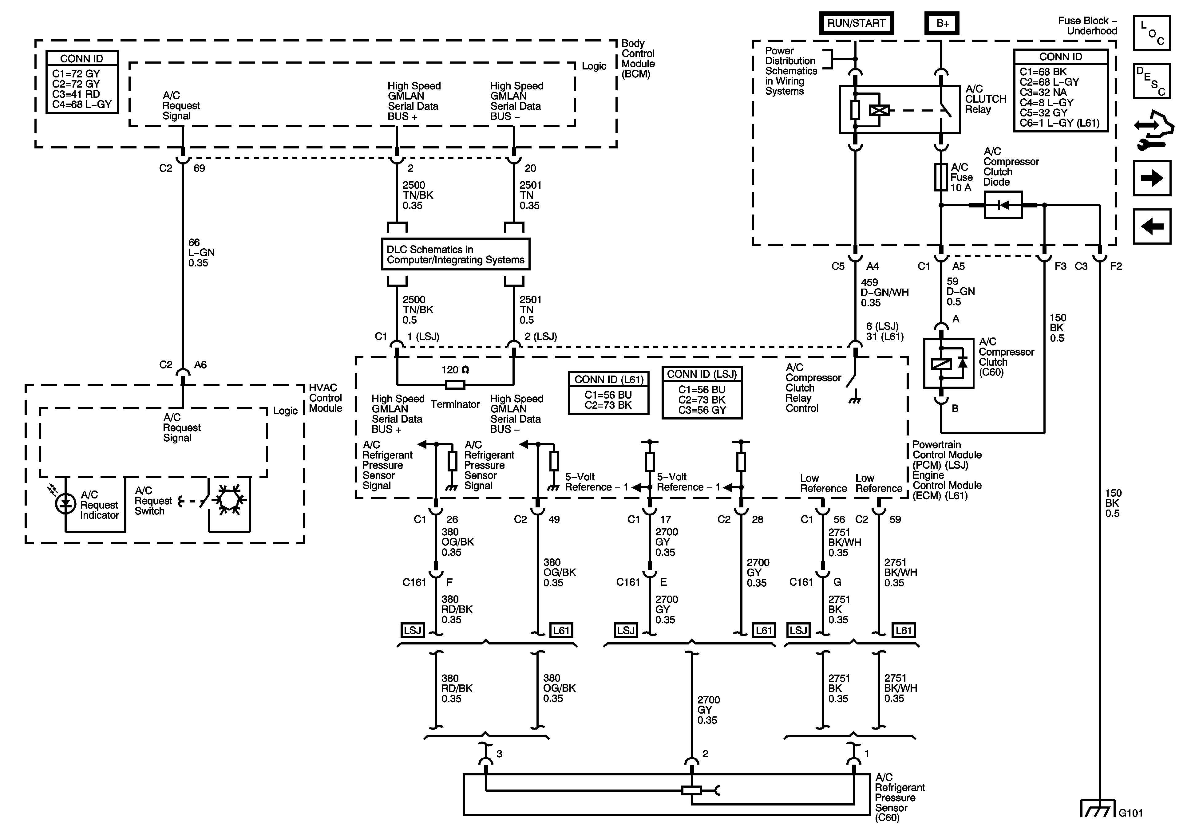
🢒 Compressor Controls
Compressor Controls
Compressor Controls
Master Electrical Component List
Air Delivery Description and Operation
Control Module References
Mode and Air Temperature Controls
Power, Ground and Blower Motor Controls
AFTERCOOL Relay, AFTERCOOL Fuse, A/C CLUTCH Relay, A/C Fuse, HORN PCB Relay, HORN Fuse, FOG LAMP PCB Relay, FOG LAMP Fuse, TRUNK/OUTLET Relay, TRUNK RELEASE PCB Relay
DLC High Speed, Serial Data, Class 2