GM Service Manual Online
For 1990-2009 cars only
Makes
🢒
Chevrolet
🢒
2005
🢒
Cobalt
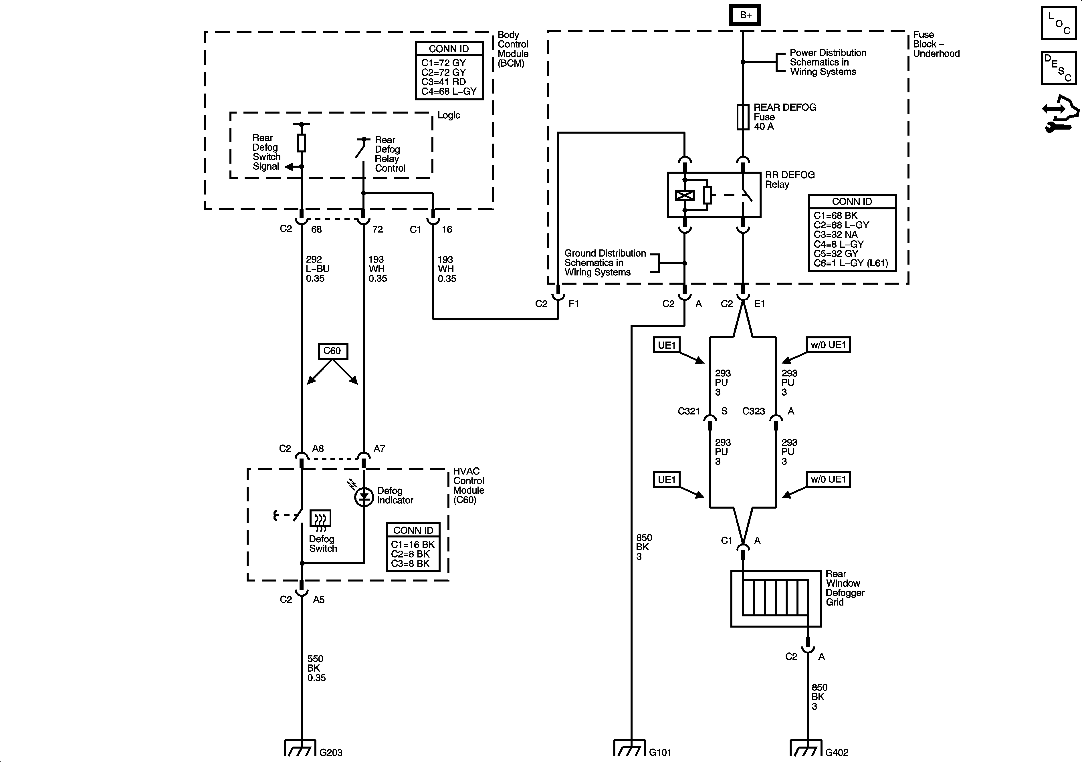
🢒 Rear Window Defogger
Rear Window Defogger
Master Electrical Component List
Rear Window Defogger Description and Operation
Control Module References
Underhood Fuse Block B+ Bus
G101 and G102
G109, G203, and G306
G101 and G102
G402 and G403