GM Service Manual Online
For 1990-2009 cars only
Makes
🢒
Chevrolet
🢒
2005
🢒
Cobalt
🢒 Vehicle Theft Deterrent
Vehicle Theft Deterrent
Vehicle Theft Deterrent
Master Electrical Component List
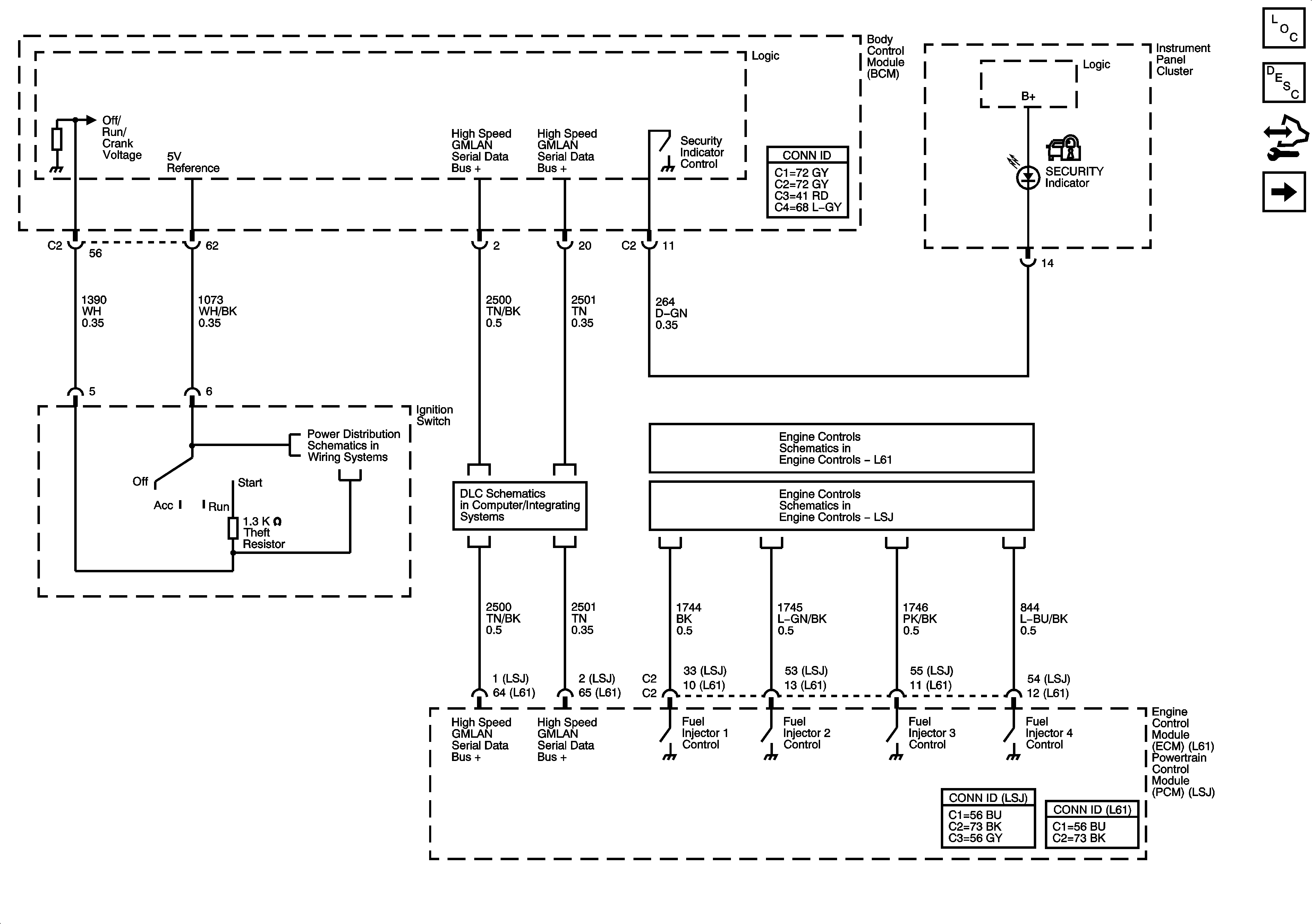
Theft Systems Description and Operation
Control Module References
Content Theft Deterrent
Ignition Switch, BCM2 Fuse, IGN SW Fuse, STOP LPS Fuse, AUDIO AMPLIFIER Fuse, CLUSTER Fuse, HVAC/PK3 Fuse
DLC High Speed, Serial Data, Class 2
Fuel Controls
Fuel Controls