GM Service Manual Online
For 1990-2009 cars only
Makes
🢒
Chevrolet
🢒
2004
🢒
Colorado Pickup - 2WD
🢒
Engine
🢒
Engine Electrical
🢒 Starting and Charging Schematics
Figure
1:
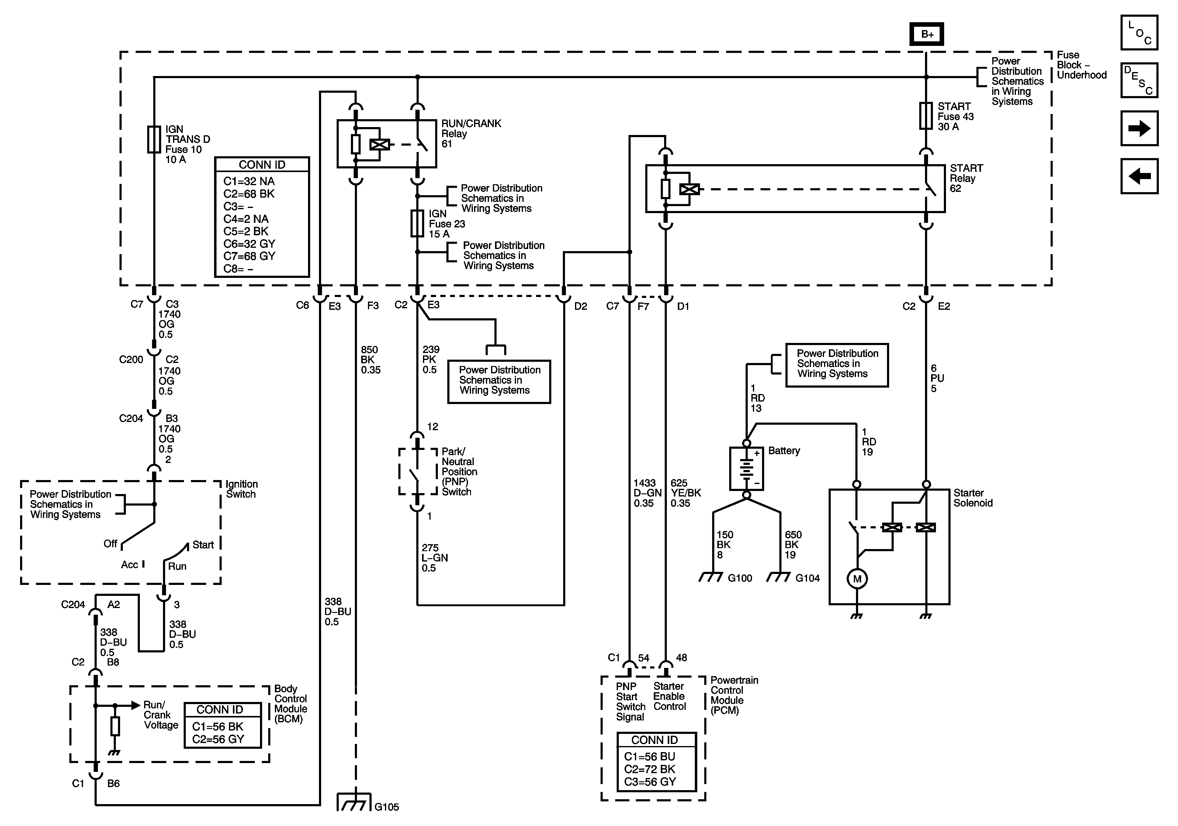
Starting System - MA5
Master Electrical Component List
Starting System Description and Operation
Starting System (M30)
B+ Bus - Underhood Fuse Block
SPARE, IGN, and A/C COMP Fuses
SPARE, IGN, and A/C COMP Fuses
B+ Bus - Underhood Fuse Block
IGN TRANS D Fuse
Splice Pack SP105 and G105 - 1 of 2
Figure
2:
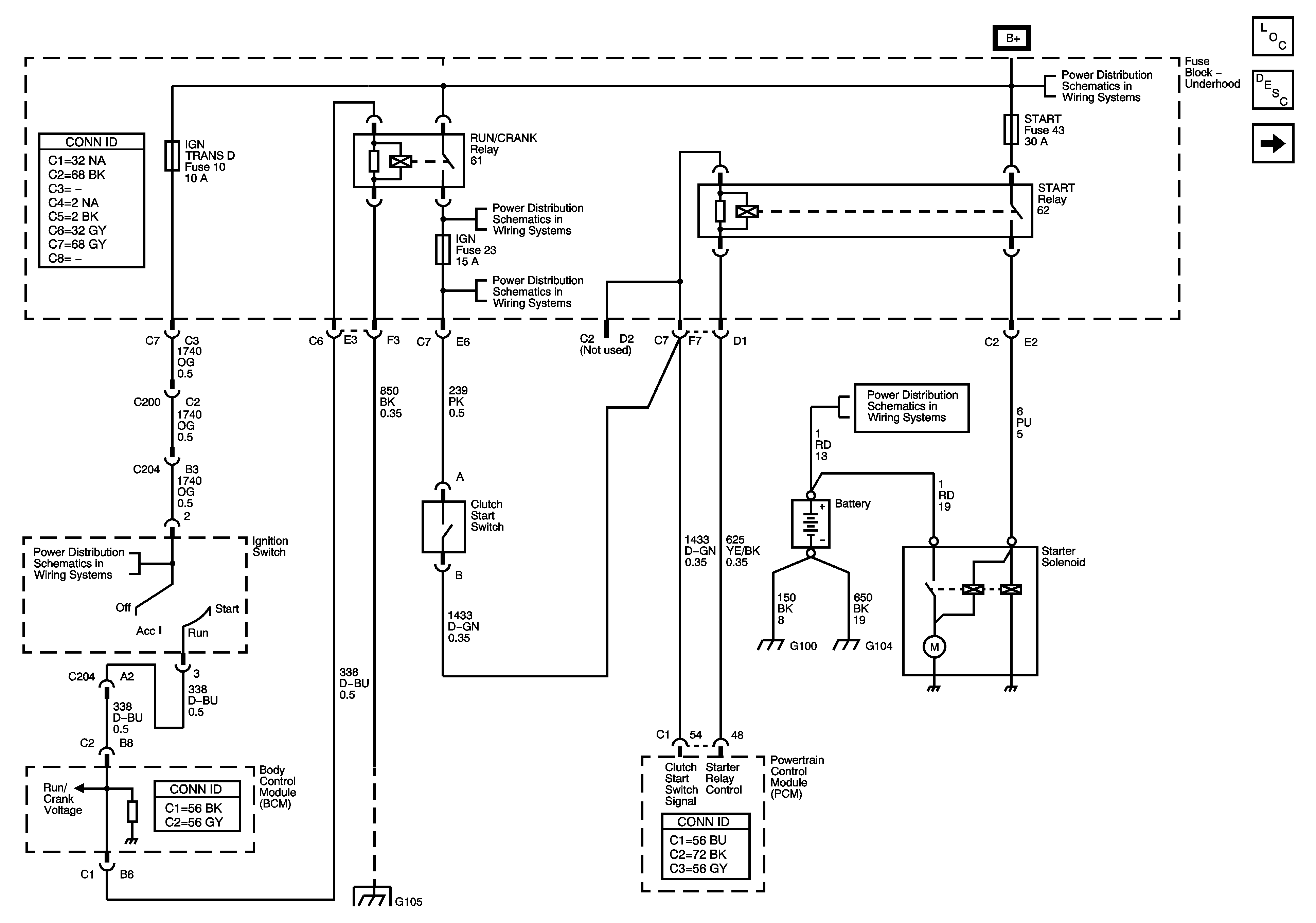
Starting System - M30
Master Electrical Component List
Starting System Description and Operation
Charging System
Starting System (MA5)
B+ Bus - Underhood Fuse Block
SPARE, IGN, and A/C COMP Fuses
SPARE, IGN, and A/C COMP Fuses
SPARE, IGN, and A/C COMP Fuses
B+ Bus - Underhood Fuse Block
IGN TRANS D Fuse
Splice Pack SP105 and G105 - 1 of 2
Figure
3:
Charging System
Master Electrical Component List
Charging System Description and Operation
Starting System (M30)
B+ Bus - Underhood Fuse Block
B+ Bus - Underhood Fuse Block