GM Service Manual Online
For 1990-2009 cars only
Figure 1:

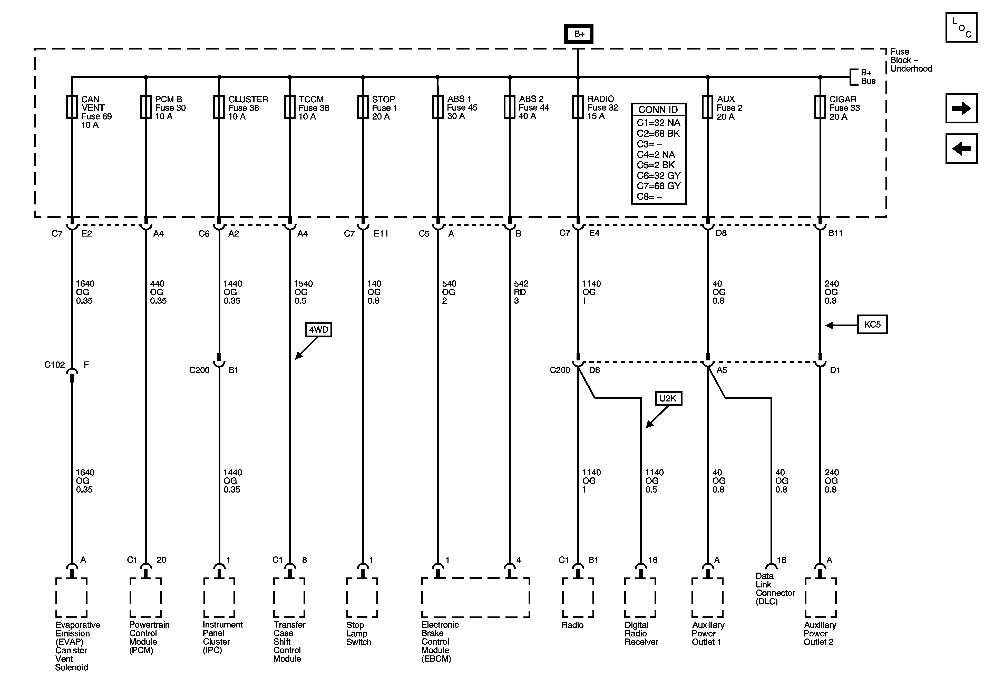
B+ Bus - Underhood Fuse Block


Object Number: 1278740  Size: FS
Master Electrical Component List
CAN VENT, PCM B, CLUSTER, TCCM, STOP, ABS 1, ABS 2, RADIO, AUX, and CIGAR Fuses
Figure 2:

CAN VENT, PCM B, CLUSTER, TCCM, STOP, ABS 1, ABS 2, RADIO, AUX, and CIGAR Fuses


Object Number: 1278832  Size: FS
Master Electrical Component List
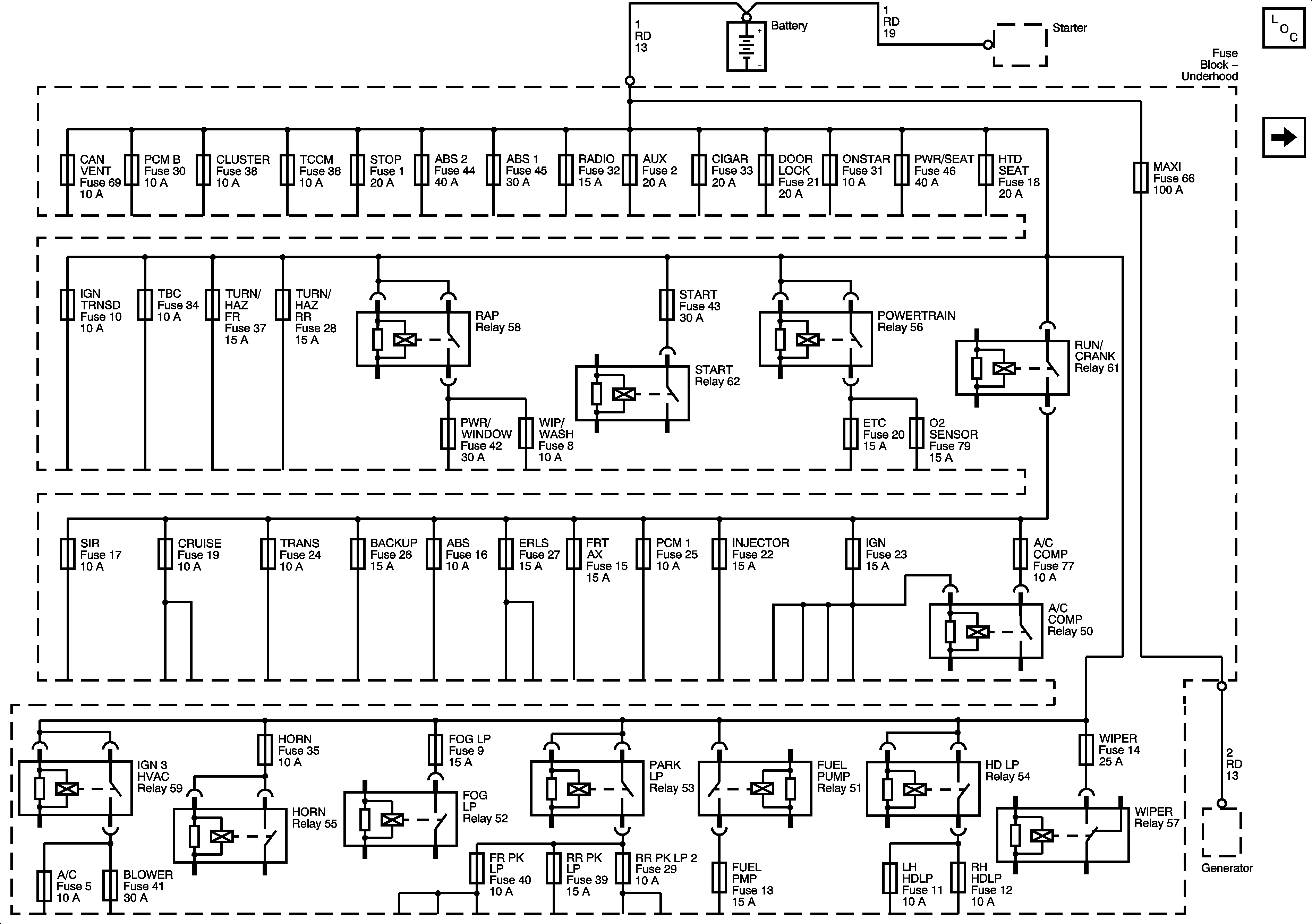
DOOR LOCK, ONSTAR, HTD SEAT, TBC, TURN/HAZ FR, TURN/HAZ RR, BLOWER, and A/C Fuses, IGN 3 HVAC Relay
B+ Bus - Underhood Fuse Block
B+ Bus - Underhood Fuse Block
Figure 3:

DOOR LOCK, ONSTAR, HTD SEAT, TBC, TURN/HAZ FR, TURN/HAZ RR, BLOWER, and A/C Fuses, IGN 3 HVAC Relay


Object Number: 1278837  Size: FS
Master Electrical Component List
WIPER SW, PWR WDO, ETC, and 02 SENSOR Fuses
CAN VENT, PCM B, CLUSTER, TCCM, STOP, ABS 1, ABS 2, RADIO, AUX, and CIGAR Fuses
B+ Bus - Underhood Fuse Block
Figure 4:

WIP/WASH, PWR/WINDOW, ETC, and 02 SENSOR Fuses, RAP, and POWERTRAIN Relays


Object Number: 1278878  Size: FS
Master Electrical Component List
RH HDLP, LH HDLP, FUEL PMP, POWER SEAT Fuses, and HDLP, FUEL PUMP Relays
DOOR LOCK, ONSTAR, HTD SEAT, TBC, TURN/HAZ FR, TURN/HAZ RR, BLOWER, and A/C Fuses, IGN 3 HVAC Relay
B+ Bus - Underhood Fuse Block
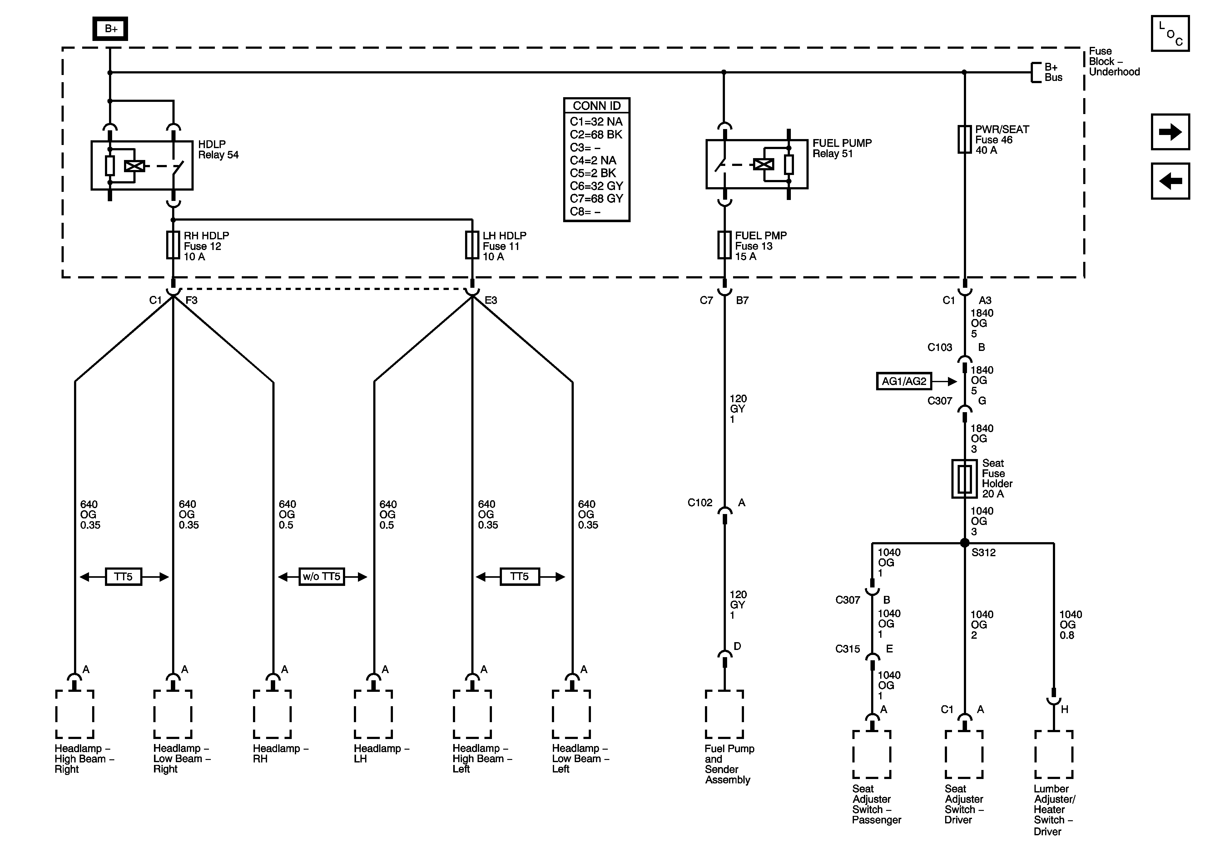
Figure 5:

RH HDLP, LH HDLP, FUEL PMP, PWR/SEAT Fuses, HDLP, and FUEL PMP Relays


Object Number: 1375234  Size: FS
Master Electrical Component List
SIR, CRUISE/MISC, TRANS, BACK UP, and ABS Fuses
WIPER SW, PWR WDO, ETC, and 02 SENSOR Fuses
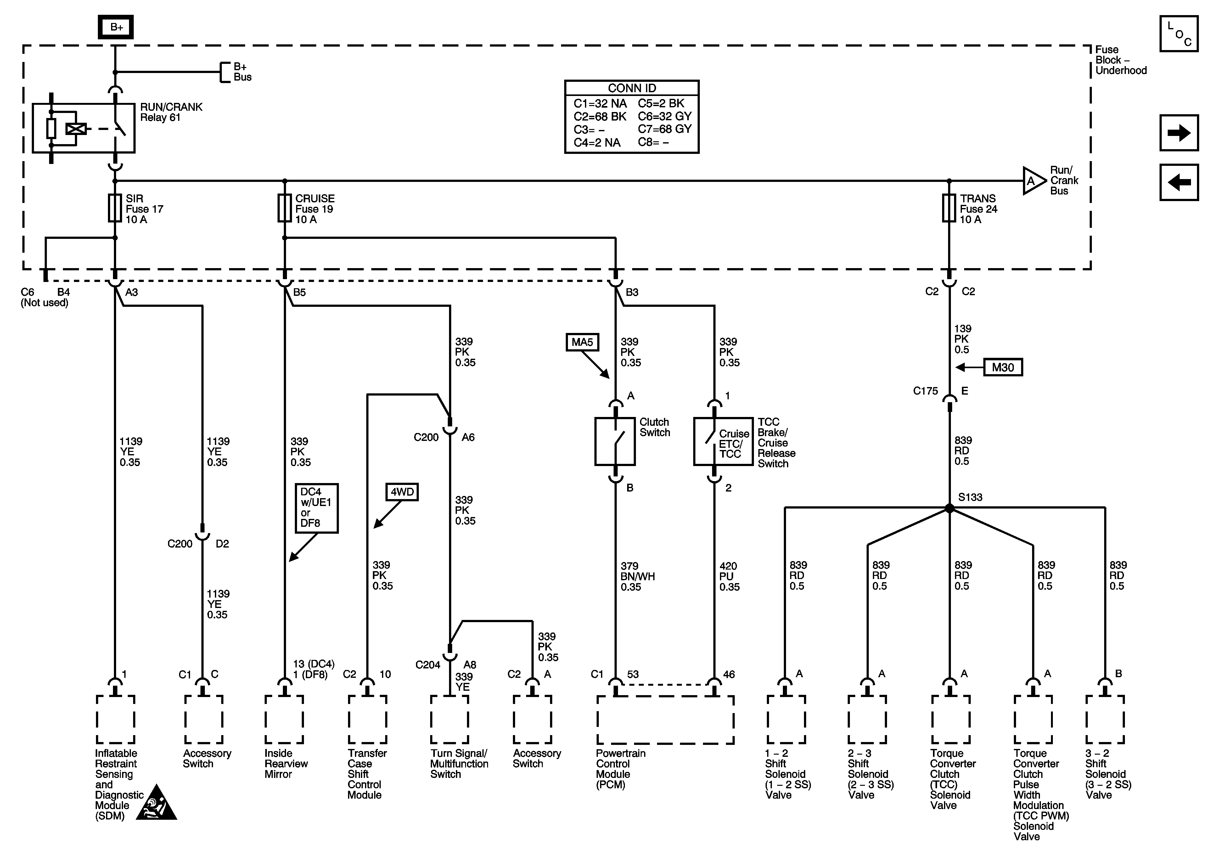
Figure 6:

SIR, CRUISE, and TRANS Fuses, RUN/CRANK Relay


Object Number: 1278917  Size: FS
Master Electrical Component List
SPARE, IGN, and A/C COMP Fuses
RH HDLP, LH HDLP, FUEL PMP, POWER SEAT Fuses, and HDLP, FUEL PUMP Relays
B+ Bus - Underhood Fuse Block
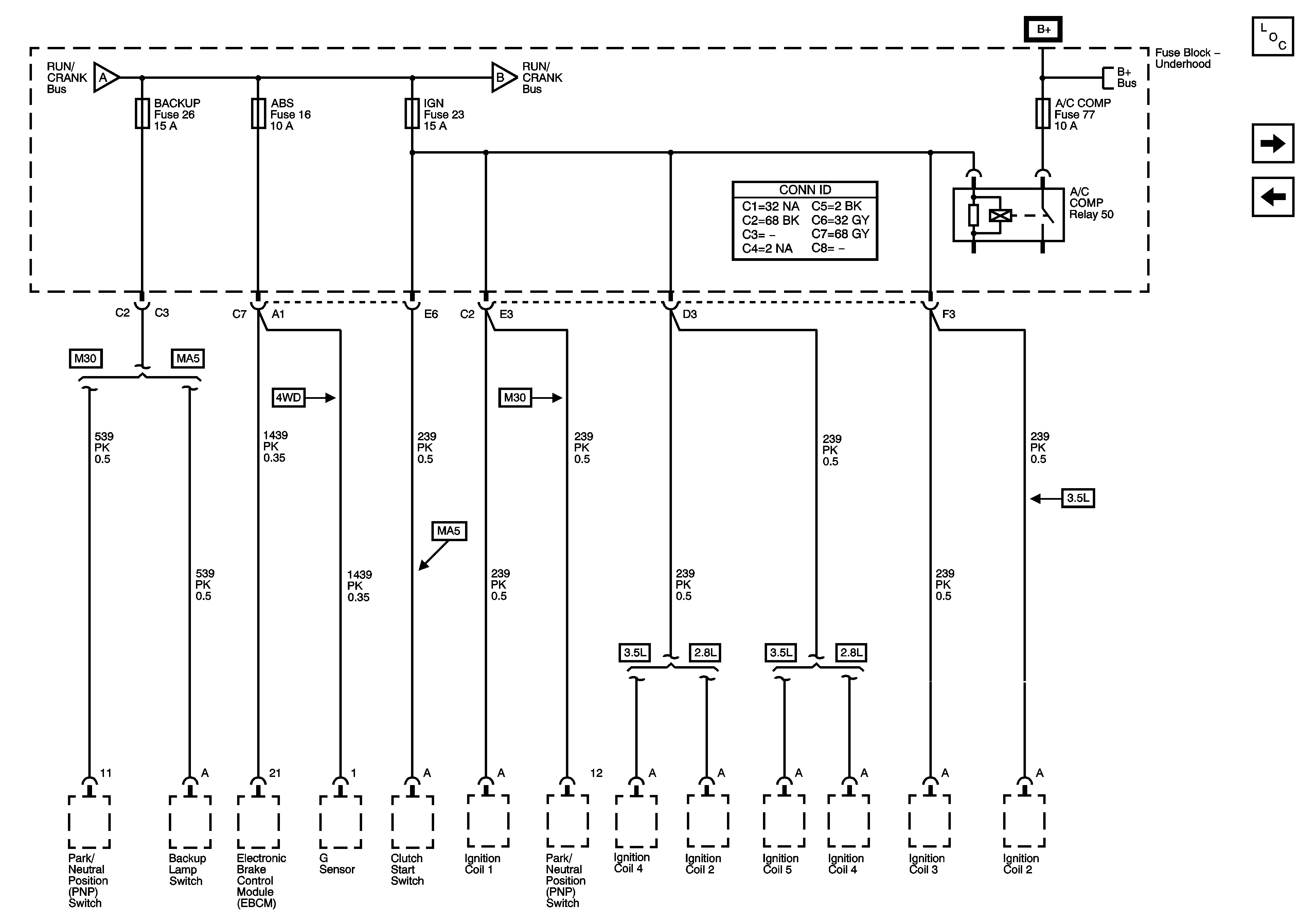
SPARE, IGN, and A/C COMP Fuses
SIR Caution for Zoning
Figure 7:

BACKUP, IGN, and A/C COMP Fuses,n A/C COMP Relay


Object Number: 1279365  Size: FS
Master Electrical Component List
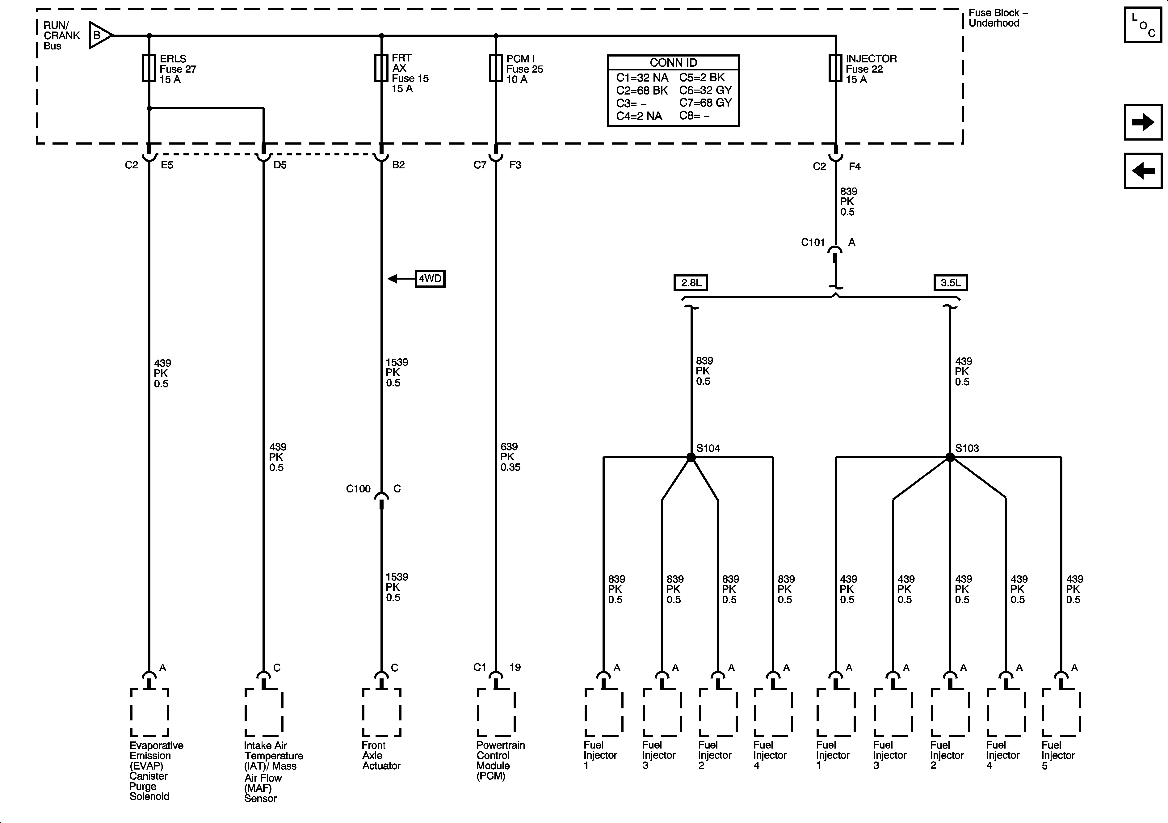
04 GMT355 Power Distribution Schematics - ERLS, FRT AXLE, PCM - I, and INJECTORS Fuses
SIR, CRUISE/MISC, TRANS, BACK UP, and ABS Fuses
B+ Bus - Underhood Fuse Block
SIR, CRUISE/MISC, TRANS, BACK UP, and ABS Fuses
04 GMT355 Power Distribution Schematics - ERLS, FRT AXLE, PCM - I, and INJECTORS Fuses
Figure 8:

ERLS, FRT AX, PCM I, and INJECTOR Fuses


Object Number: 1279437  Size: FS
Master Electrical Component List
FRT PARK LAMP, REAR PARK LAMP #1, and REAR PARK LAMP #2 Fuses
SPARE, IGN, and A/C COMP Fuses
SPARE, IGN, and A/C COMP Fuses
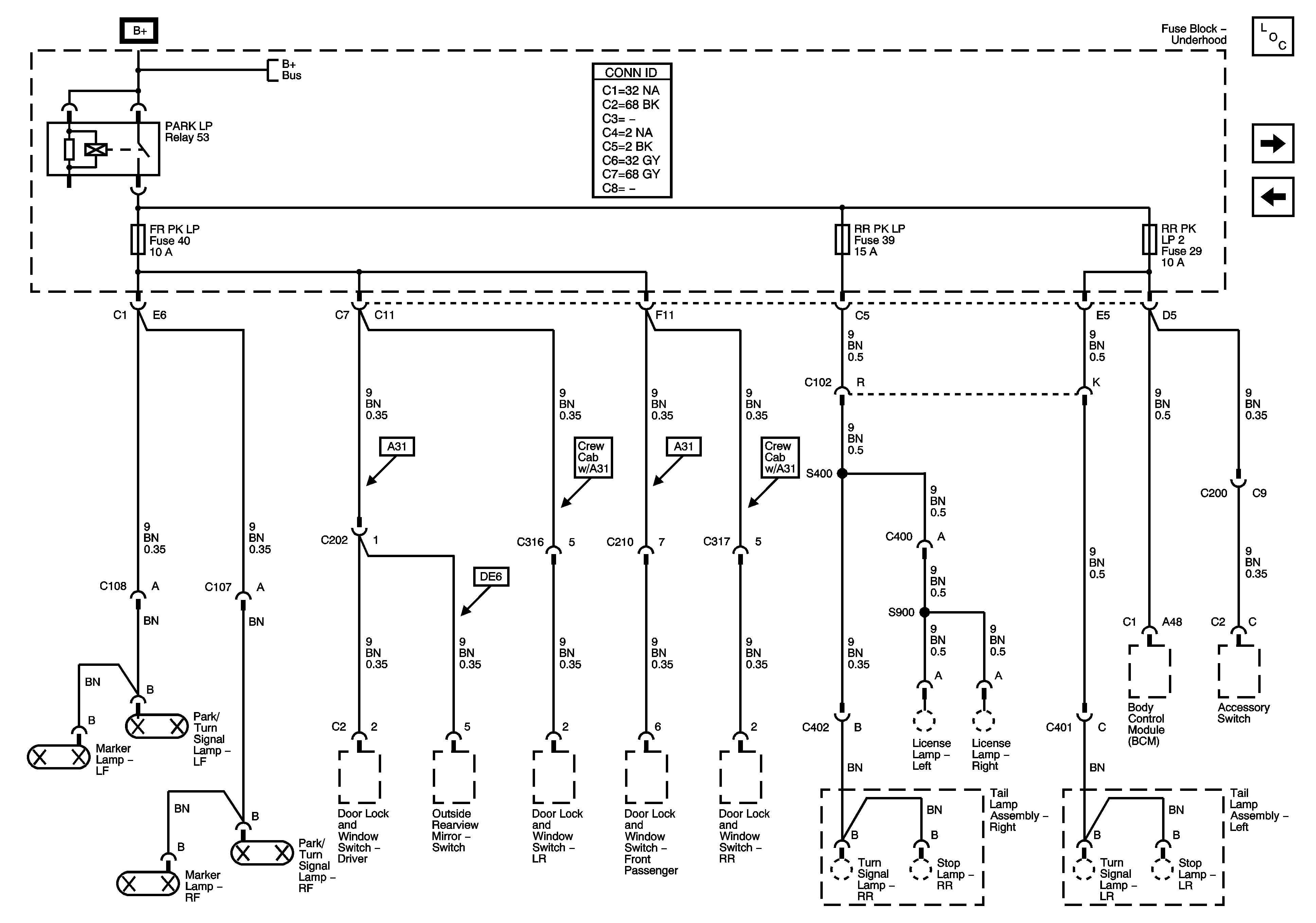
Figure 9:

FR PK LP, RR PK LP, and RR PK LP 2 Fuses, PARK LP Relay


Object Number: 1279444  Size: FS
Master Electrical Component List
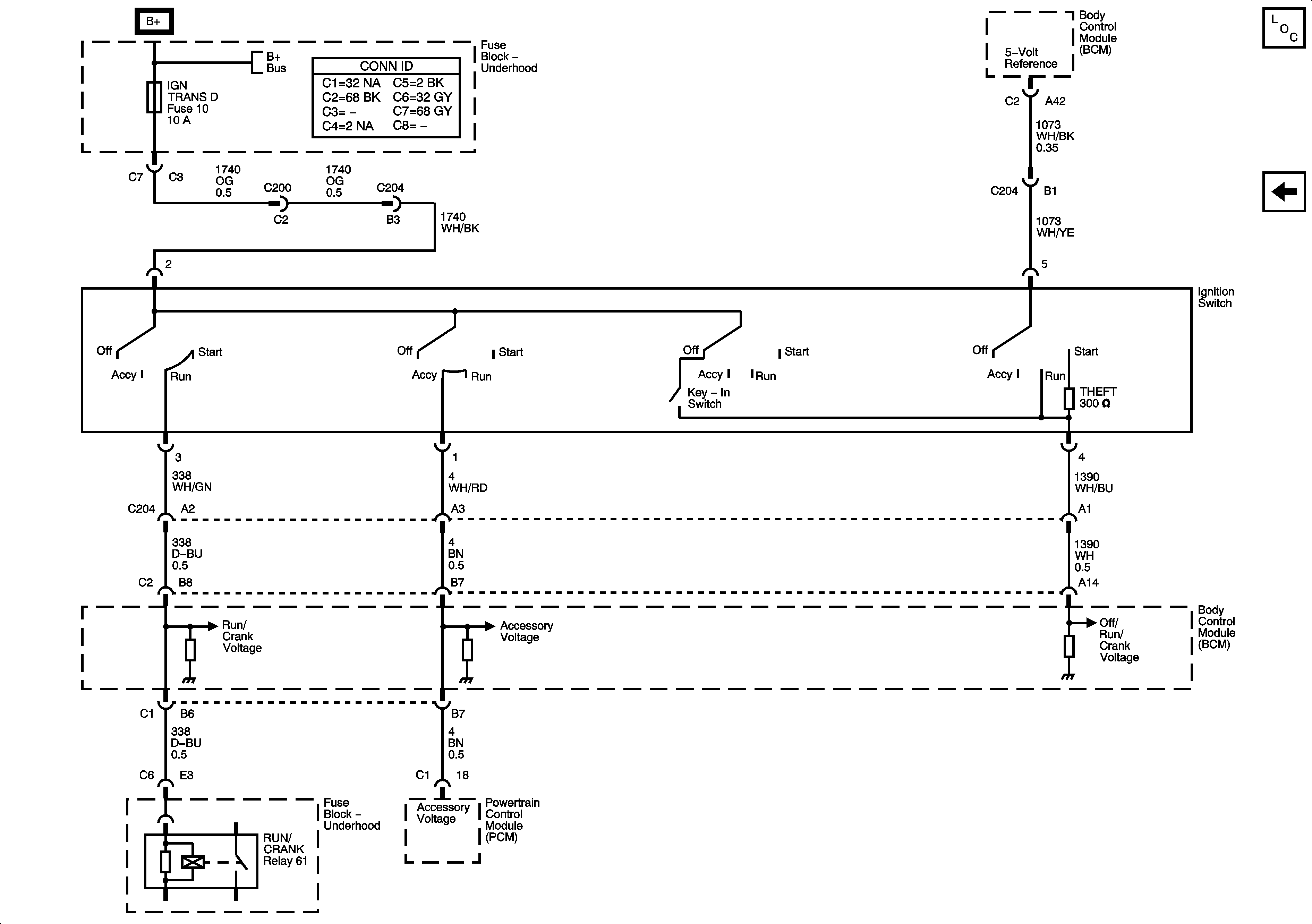
IGN TRANS D Fuse
04 GMT355 Power Distribution Schematics - ERLS, FRT AXLE, PCM - I, and INJECTORS Fuses
B+ Bus - Underhood Fuse Block
Figure 10:

IGN TRANS D Fuse


Object Number: 1279476  Size: FS
Master Electrical Component List
FRT PARK LAMP, REAR PARK LAMP #1, and REAR PARK LAMP #2 Fuses
B+ Bus - Underhood Fuse Block