GM Service Manual Online
For 1990-2009 cars only

Tools Required

EN-47702 Bolt Extractor Kit


    Object Number: 954029  Size: SH

    Important: Rap on the head of each bolt using an appropriate size punch and hammer. The vibration produced by this procedure assists in successful removal. If a bolt breaks during engine disassembly, a broken bolt extractor kit EN-47702 is available to assist in removal of the remaining bolt segment.

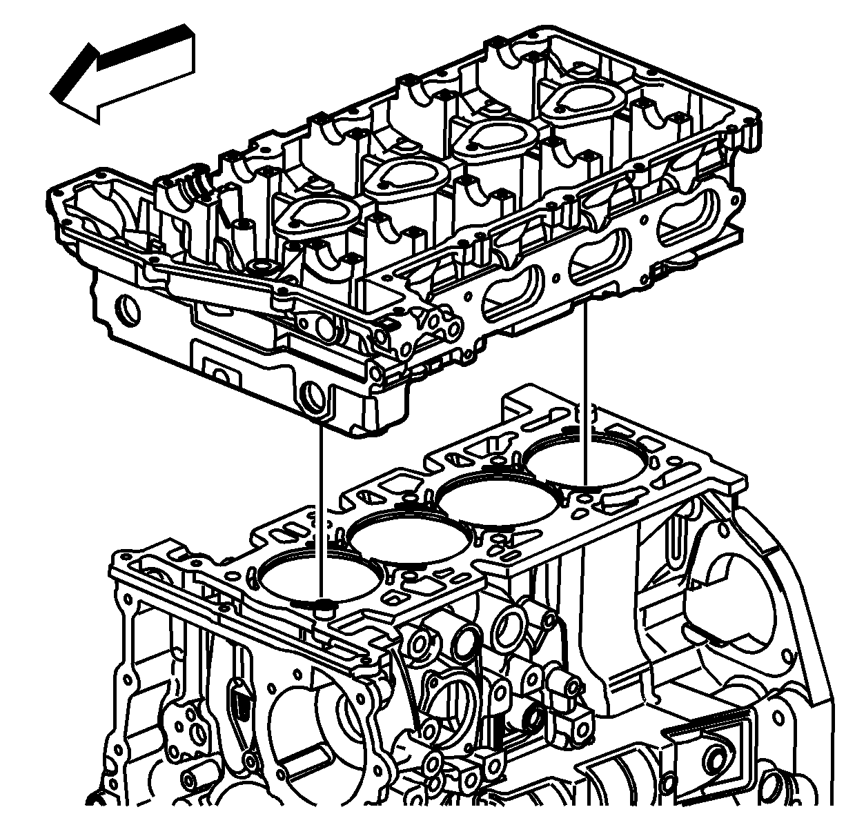
  1. Remove and discard the cylinder head bolts.

  2. Object Number: 954033  Size: SH
  3. Remove the cylinder head.

  4. Object Number: 954038  Size: SH
  5. Remove the cylinder head gasket.