GM Service Manual Online
For 1990-2009 cars only
Makes
🢒
Chevrolet
🢒
2004
🢒
Colorado Pickup - 2WD
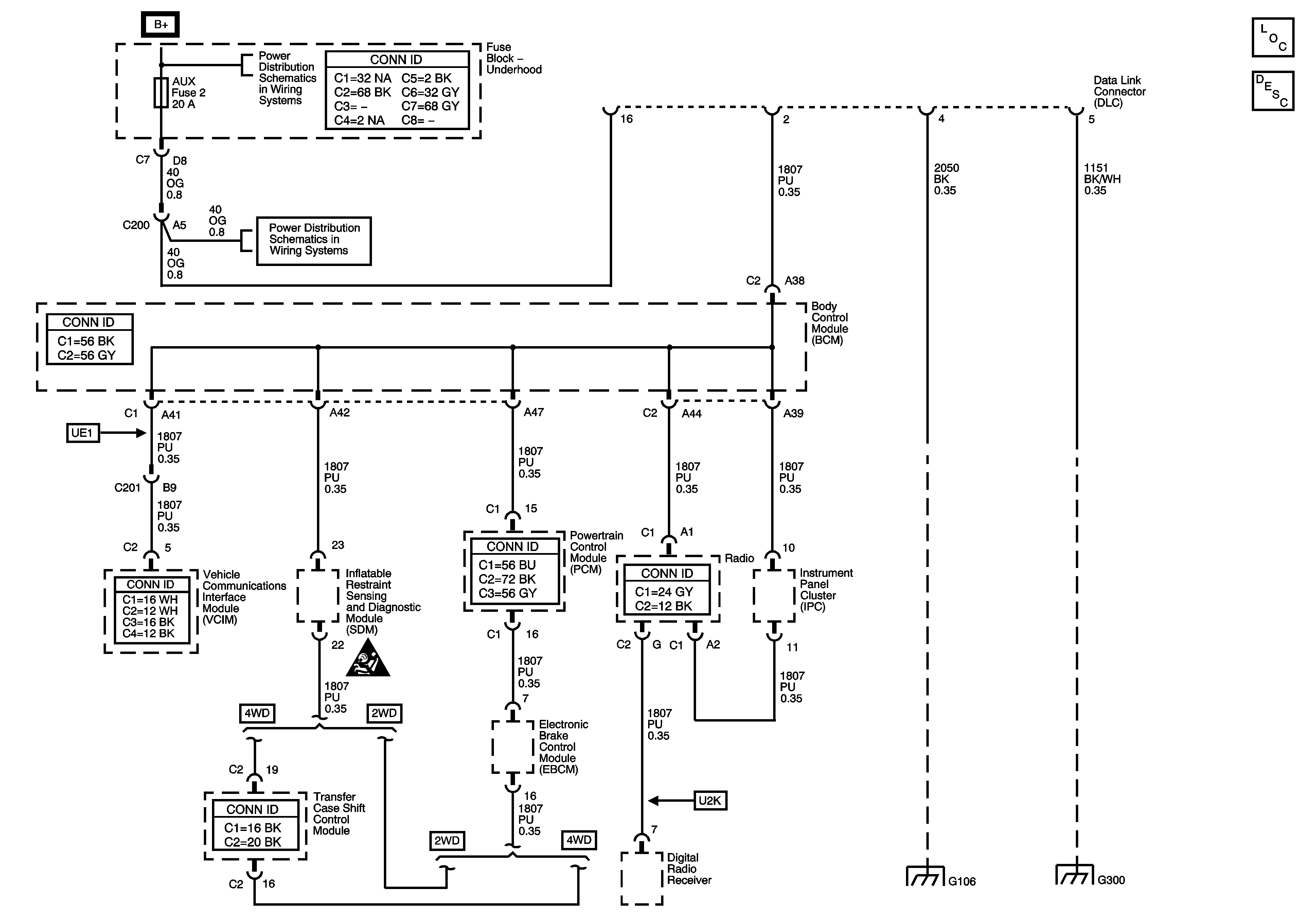
🢒 Data Link Connector (DLC) Schematics
Data Link Connector (DLC) Schematics
Master Electrical Component List
Data Link Communications Description and Operation
B+ Bus - Underhood Fuse Block
CAN VENT, PCM B, CLUSTER, TCCM, STOP, ABS 1, ABS 2, RADIO, AUX, and CIGAR Fuses
SIR Caution for Zoning
Splice Pack SP106 and G106 - 1 of 2
G300, G301, and G302