GM Service Manual Online
For 1990-2009 cars only
Makes
🢒
Chevrolet
🢒
2004
🢒
Colorado Pickup - 2WD
🢒 Back Up Lamps
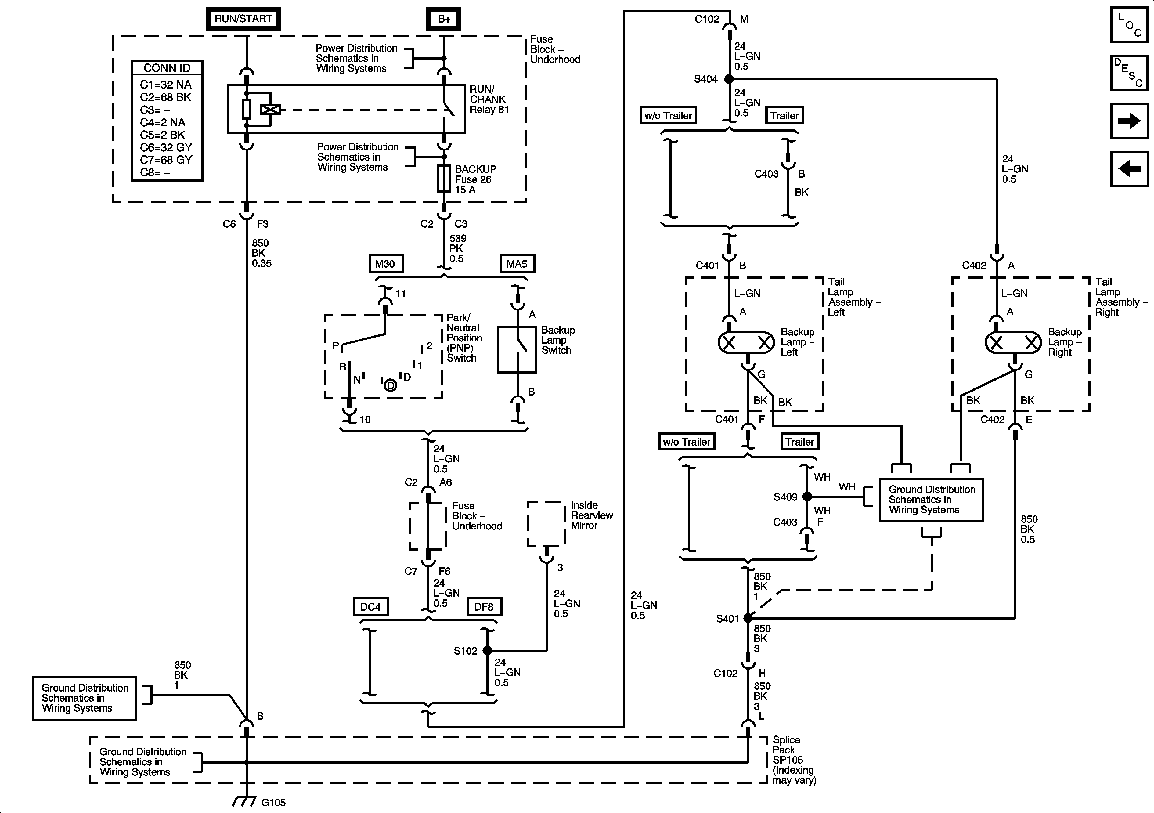
Back Up Lamps
Back Up Lamps
Master Electrical Component List
Exterior Lighting Systems Description and Operation
Stop Lamps, and License Lamps
B+ Bus - Underhood Fuse Block
SPARE, IGN, and A/C COMP Fuses
Splice Pack SP105 and G105 - 2 of 2
Splice Pack SP105 and G105 - 2 of 2
Splice Pack SP105 and G105 - 1 of 2
Splice Pack SP105 and G105 - 1 of 2