GM Service Manual Online
For 1990-2009 cars only
Makes
🢒
Chevrolet
🢒
2004
🢒
Colorado Pickup - 2WD
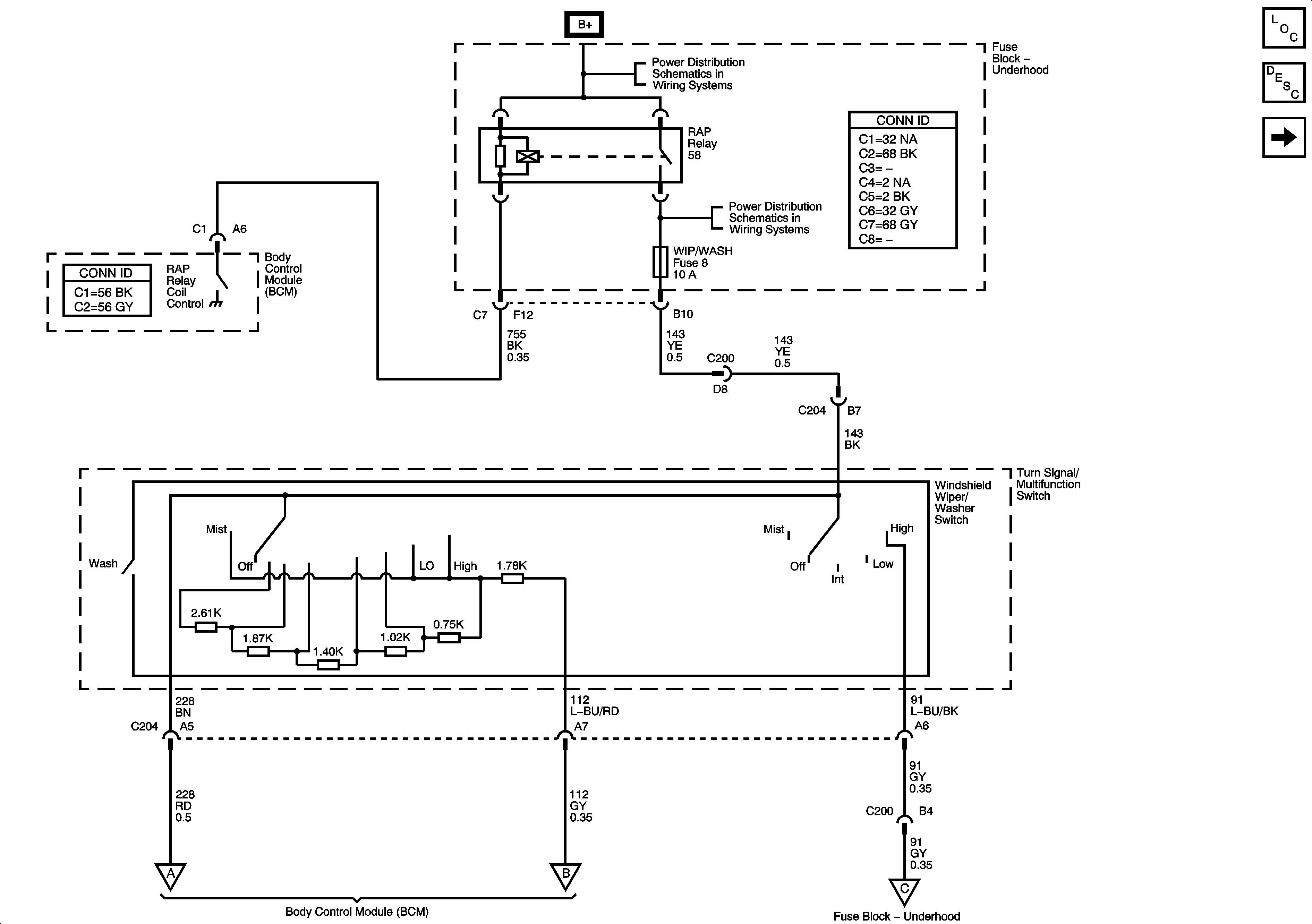
🢒 Windshield Washer Switch
Windshield Washer Switch
Windshield Washer Switch
Master Electrical Component List
Wiper/Washer System Description and Operation
Windshield Wiper Motor, and Windshield Washer Fluid Pump
B+ Bus - Underhood Fuse Block
WIPER SW, PWR WDO, ETC, and 02 SENSOR Fuses
Windshield Wiper Motor, and Windshield Washer Fluid Pump
Windshield Wiper Motor, and Windshield Washer Fluid Pump