GM Service Manual Online
For 1990-2009 cars only
Makes
🢒
Chevrolet
🢒
2004
🢒
Colorado Pickup - 2WD
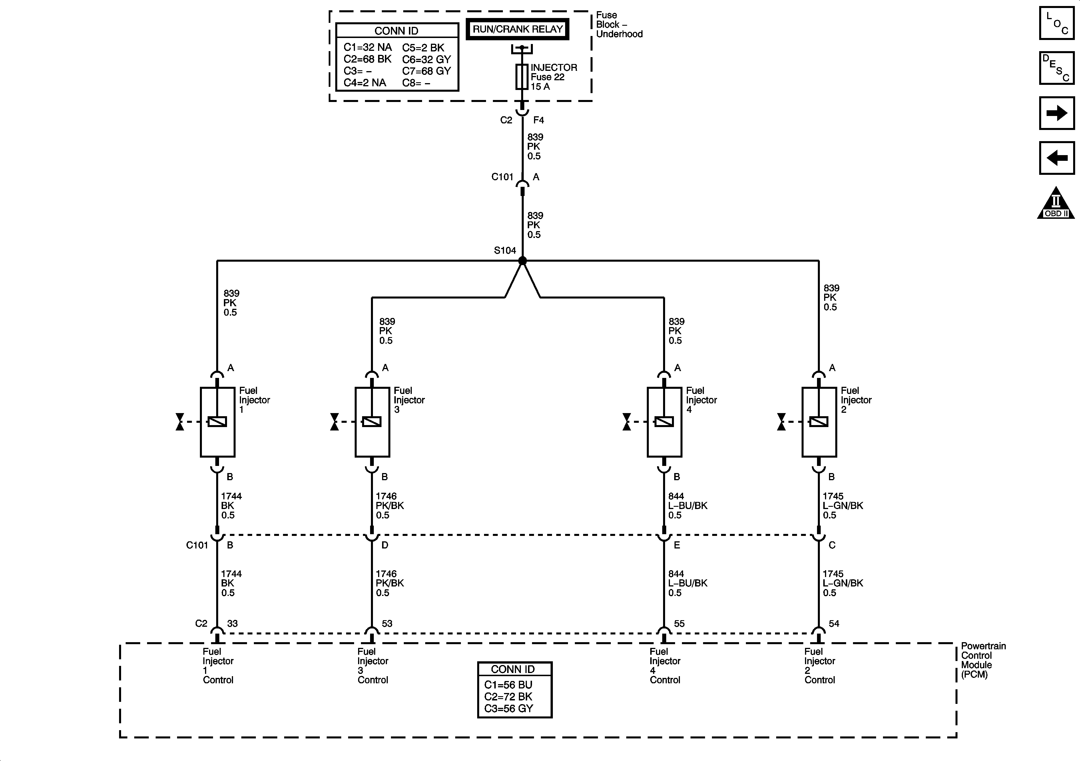
🢒 Fuel Injection Controls
Fuel Injection Controls
Fuel Injection Controls
Master Electrical Component List
Powertrain Control Module Description
Fuel and EVAP Controls
Fuel Controls
OBD II Symbol Description Notice
Power, Ground, MIL, and DLC