GM Service Manual Online
For 1990-2009 cars only
Makes
🢒
Chevrolet
🢒
2004
🢒
Colorado Pickup - 2WD
🢒 Seat Belts
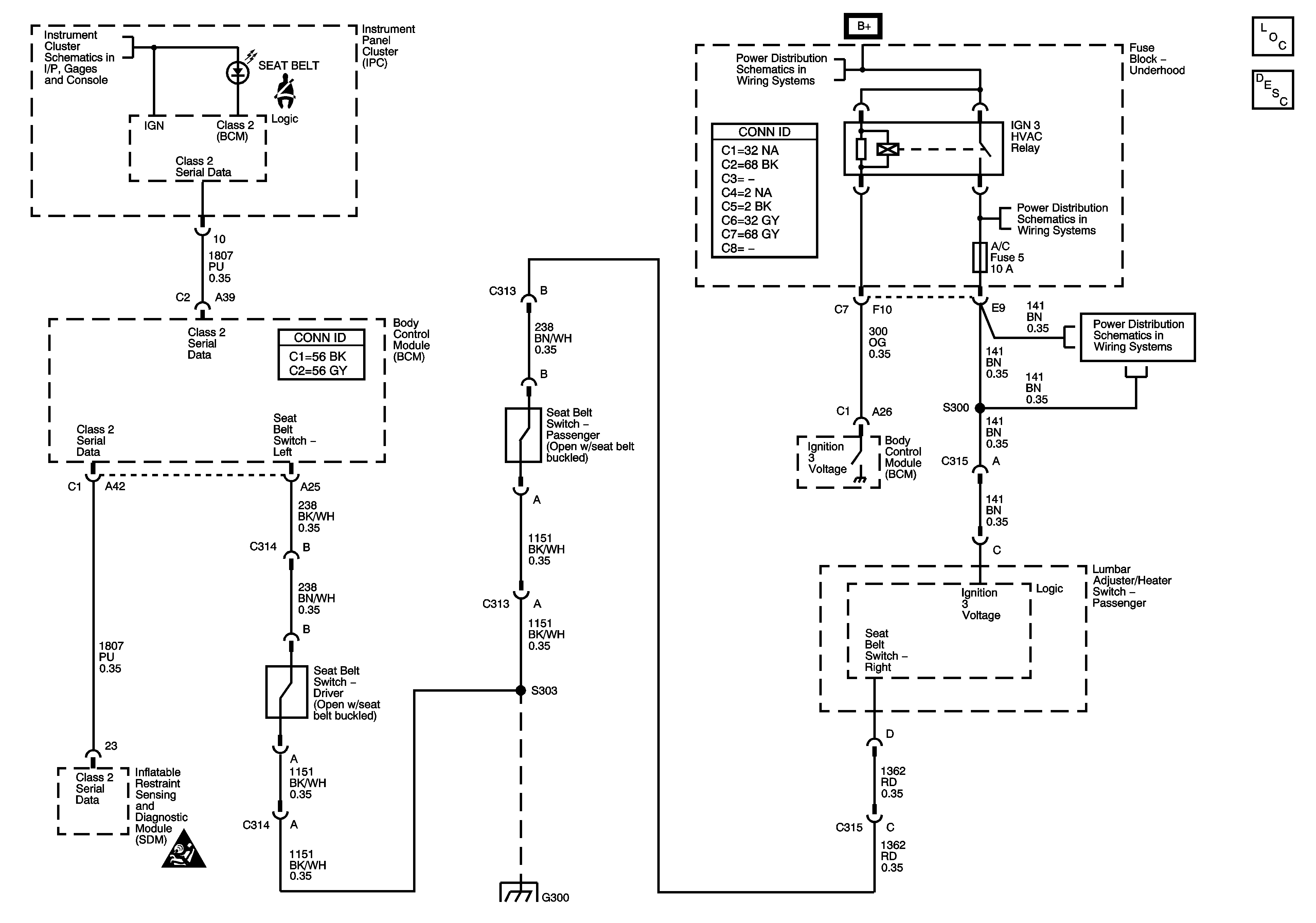
Seat Belts
Master Electrical Component List
Seat Belt System Description and Operation
Indicators
B+ Bus - Underhood Fuse Block
DOOR LOCK, ONSTAR, HTD SEAT, TBC, TURN/HAZ FR, TURN/HAZ RR, BLOWER, and A/C Fuses, IGN 3 HVAC Relay
DOOR LOCK, ONSTAR, HTD SEAT, TBC, TURN/HAZ FR, TURN/HAZ RR, BLOWER, and A/C Fuses, IGN 3 HVAC Relay
SIR Caution for Zoning
G300, G301, and G302