GM Service Manual Online
For 1990-2009 cars only
Figure 1:

B+ Bus - Underhood Fuse Block


Object Number: 1471647  Size: FS
Master Electrical Component List
ABS 1, ABS 2, AUX, CAN VENT, CIGAR, CLUSTER, DOOR LOCK, ONSTAR, PCM B, RADIO, STOP, and TCCM Fuses
Figure 2:

ABS 1, ABS 2, AUX, CAN VENT, CIGAR, CLUSTER, DOOR LOCK, ONSTAR, PCM B, RADIO, STOP, and TCCM Fuses


Object Number: 1471652  Size: FS
Master Electrical Component List
A/C, BLOWER, HTD SEAT, TBC, TURN/HAZ FR, and TURN/HAZ RR Fuses
B+ Bus - Underhood Fuse Block
B+ Bus - Underhood Fuse Block
Figure 3:

A/C, BLOWER, DOOR LOCK, HTD SEAT, ONSTAR, TBC, TURN/HAZ FR, and TURN /HAZ RR Fuses


Object Number: 1471658  Size: FS
Master Electrical Component List
Ignition Switch and IGN TRANS D Fuse
ABS 1, ABS 2, AUX, CAN VENT, CIGAR, CLUSTER, DOOR LOCK, ONSTAR, PCM B, RADIO, STOP, and TCCM Fuses
B+ Bus - Underhood Fuse Block
Figure 4:

Ignition Switch and IGN TRANS D Fuse


Object Number: 1471779  Size: FS
Master Electrical Component List
RUN/CRANK Relay Bus - 1 of 3, CRUISE, SIR, and TRANS Fuses
B+ Bus - Underhood Fuse Block
Figure 5:

RUN/CRANK Relay Bus - 1 of 3, CRUISE, SIR, and TRANS Fuses


Object Number: 1471752  Size: FS
Master Electrical Component List
RUN/CRANK Relay Bus - 2 of 3, ABS, BACKUP, and IGN Fuses
Ignition Switch and IGN TRANS D Fuse
B+ Bus - Underhood Fuse Block
RUN/CRANK Relay Bus - 2 of 3, ABS, BACKUP, and IGN Fuses
SIR Caution for Zoning
Figure 6:

RUN/CRANK Relay Bus - 2 of 3, ABS, BACKUP, and IGN Fuses


Object Number: 1471762  Size: FS
Master Electrical Component List
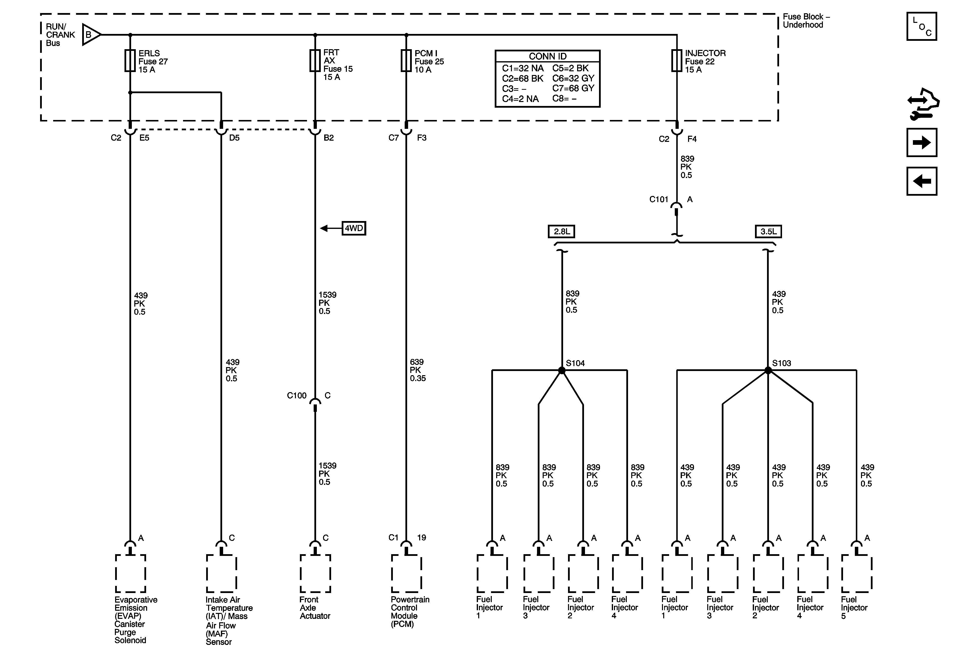
RUN/CRANK Relay Bus - 3 of 3, ERLS, FRT AX, INJECTOR, and PCM I Fuses
RUN/CRANK Relay Bus - 1 of 3, CRUISE, SIR, and TRANS Fuses
RUN/CRANK Relay Bus - 1 of 3, CRUISE, SIR, and TRANS Fuses
RUN/CRANK Relay Bus - 3 of 3, ERLS, FRT AX, INJECTOR, and PCM I Fuses
Figure 7:

RUN/CRANK Relay Bus - 3 of 3, ERLS, FRT AX, INJECTOR, and PCM I Fuses


Object Number: 1471766  Size: FS
Master Electrical Component List
ETC, O2 SENSOR, PWR/WINDOW, SUNROOF, and WIP/WASH Fuses
RUN/CRANK Relay Bus - 2 of 3, ABS, BACKUP, and IGN Fuses
RUN/CRANK Relay Bus - 2 of 3, ABS, BACKUP, and IGN Fuses
Figure 8:

ETC, 02 SENSOR, PWR/WINDOW, SUNROOF, and WIP/WASH Fuses


Object Number: 1471708  Size: FS
Master Electrical Component List
FUEL PMP, LH HDLP, and RH HDLP Fuses
RUN/CRANK Relay Bus - 3 of 3, ERLS, FRT AX, INJECTOR, and PCM I Fuses
B+ Bus - Underhood Fuse Block
Figure 9:

FUEL PMP, LH HDLP, and RH HDLP Fuses


Object Number: 1471710  Size: FS
Master Electrical Component List
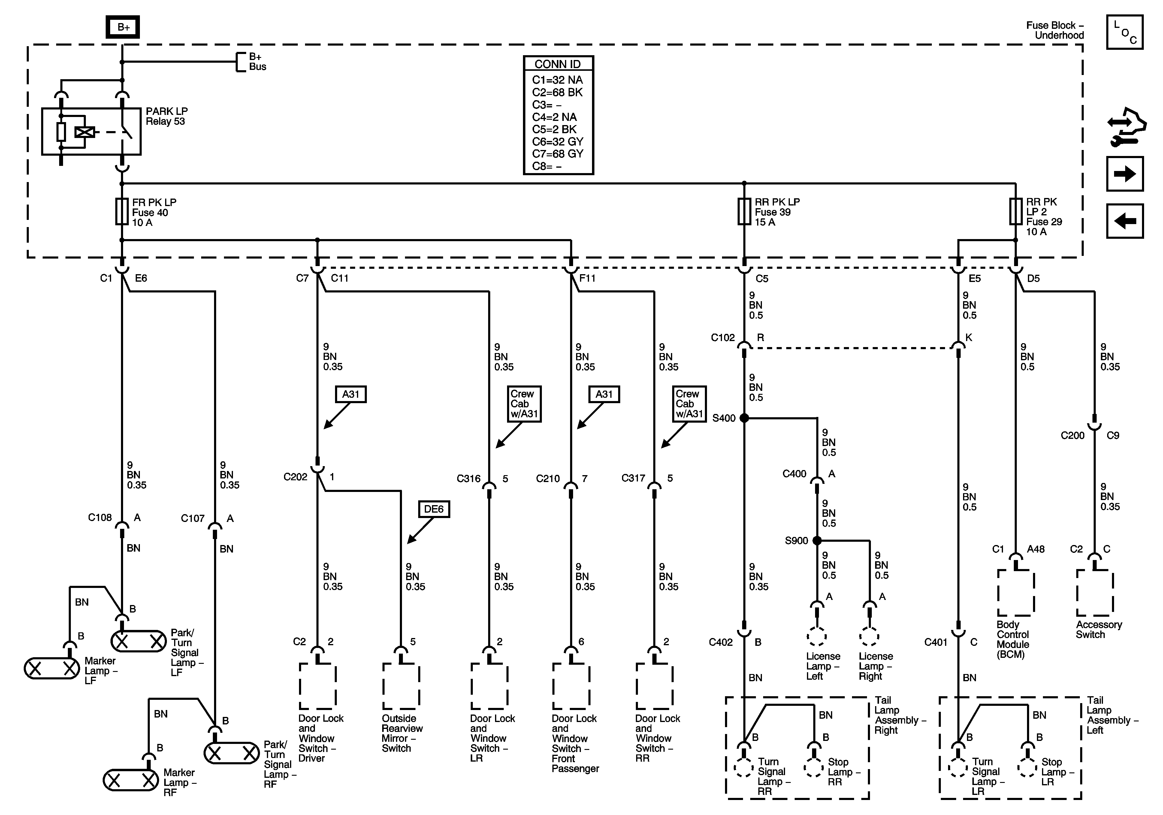
FR PK LP, RR PK, and RR PK LP Fuses
ETC, O2 SENSOR, PWR/WINDOW, SUNROOF, and WIP/WASH Fuses
Figure 10:

FR PK LP, RR PK LP, and RR PK LP 2 Fuses


Object Number: 1471773  Size: FS
Master Electrical Component List
FUEL PMP, LH HDLP, and RH HDLP Fuses
B+ Bus - Underhood Fuse Block