GM Service Manual Online
For 1990-2009 cars only
Figure 1:

G100, G104, G102, G103, and G101


Object Number: 1471869  Size: FS
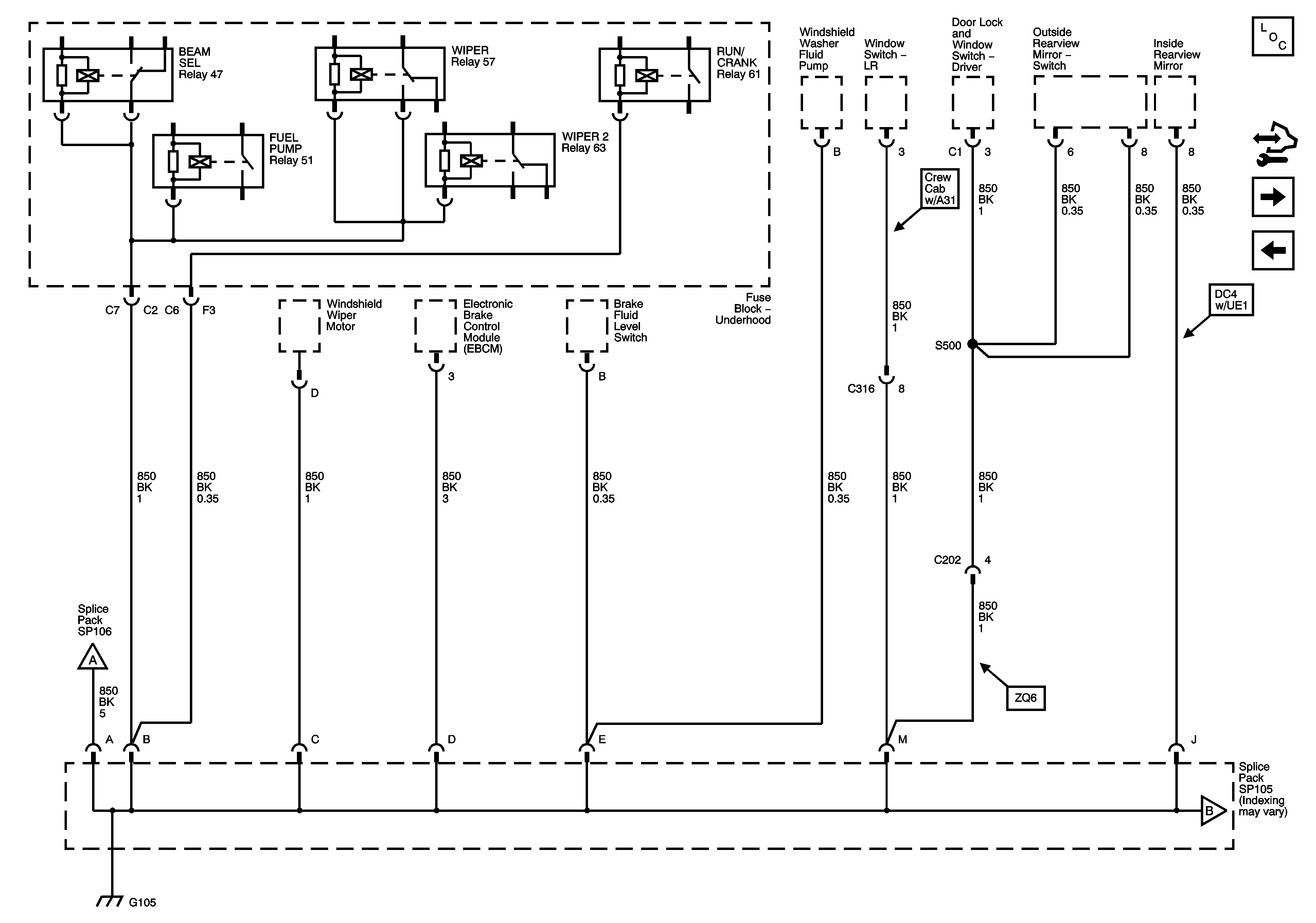
Master Electrical Component List
Splice Pack SP105 and G105 - 1 of 2
Figure 2:

Splice Pack SP105 and G105 1 of 2


Object Number: 1471882  Size: FS
Master Electrical Component List
Splice Pack SP105 and G105 - 2 of 2
G100, G104, G102, G103, and G101
Splice Pack SP106 and G106 - 1 of 2
Splice Pack SP105 and G105 - 2 of 2
Figure 3:

Splice Pack SP105 and G105 2 of 2


Object Number: 1471883  Size: FS
Master Electrical Component List
Splice Pack SP106 and G106 - 1 of 2
Splice Pack SP105 and G105 - 1 of 2
Splice Pack SP105 and G105 - 1 of 2
Figure 4:

Splice Pack SP106 and G106 1 of 2


Object Number: 1471915  Size: FS
Master Electrical Component List
Splice Pack SP106 and G106 - 2 of 2
Splice Pack SP105 and G105 - 2 of 2
Splice Pack SP105 and G105 - 1 of 2
Splice Pack SP106 and G106 - 2 of 2
Figure 5:

Splice Pack SP106 and G106 2 of 2


Object Number: 1471917  Size: FS
Master Electrical Component List
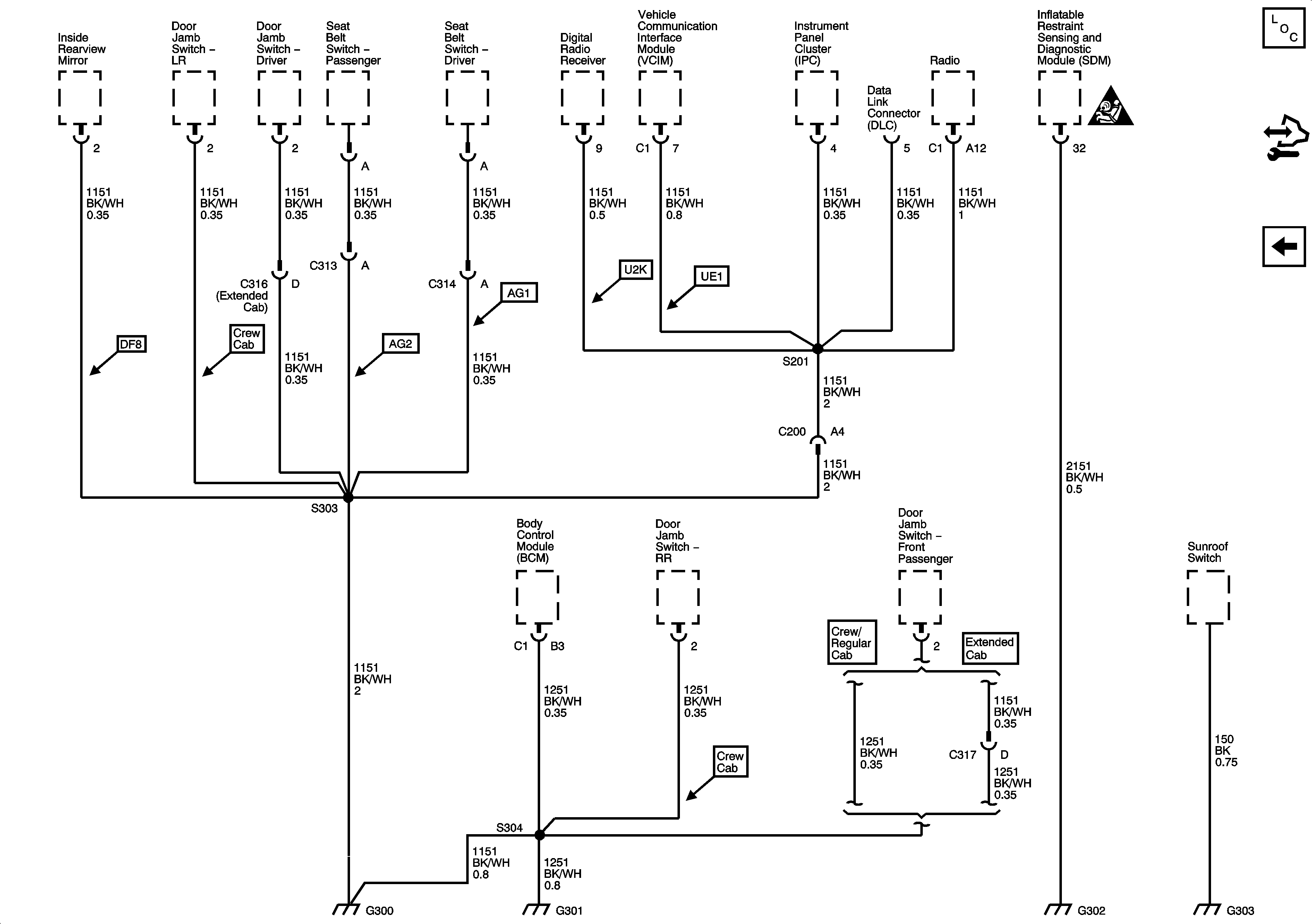
G300, G301, G302, and G303
Splice Pack SP106 and G106 - 1 of 2
Splice Pack SP106 and G106 - 1 of 2
Figure 6:

G300, G301, G302, and G303


Object Number: 1471952  Size: FS
Master Electrical Component List
Splice Pack SP106 and G106 - 2 of 2
SIR Caution for Zoning