GM Service Manual Online
For 1990-2009 cars only

Removal Procedure


    Object Number: 1350714  Size: SH
  1. Disconnect the engine wiring harness electrical connector (1) from the camshaft position (CMP) actuator solenoid valve (6).

  2. Object Number: 744600  Size: SH
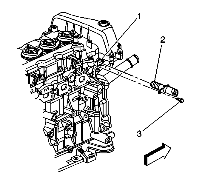
  3. Remove the CMP actuator solenoid valve bolt (3).
  4. Remove the CMP actuator solenoid valve (2) from the cylinder head.
  5. Discard the O-ring seal.

  6. Clean debris from the hole (1).

Installation Procedure


    Object Number: 744600  Size: SH
  1. Install a new O-ring seal to the actuator solenoid valve (2).
  2. Lightly lubricate the O-ring seal with clean engine oil.
  3. Install the CMP actuator solenoid valve (2) into the cylinder head.
  4. Notice: Refer to Fastener Notice in the Preface section.

  5. Install the camshaft position actuator solenoid valve bolt (3).
  6. Tighten
    Tighten the CMP actuator solenoid valve bolt to 10 N·m (89 lb in).


    Object Number: 1350714  Size: SH
  7. Connect the engine wiring harness electrical connector (1) to the CMP actuator solenoid valve (6).