GM Service Manual Online
For 1990-2009 cars only
Makes
🢒
Chevrolet
🢒
2005
🢒
Colorado Pickup - 2WD
🢒
Vehicle Control Systems
🢒
Vehicle DTC Information
🢒 SIR Schematics
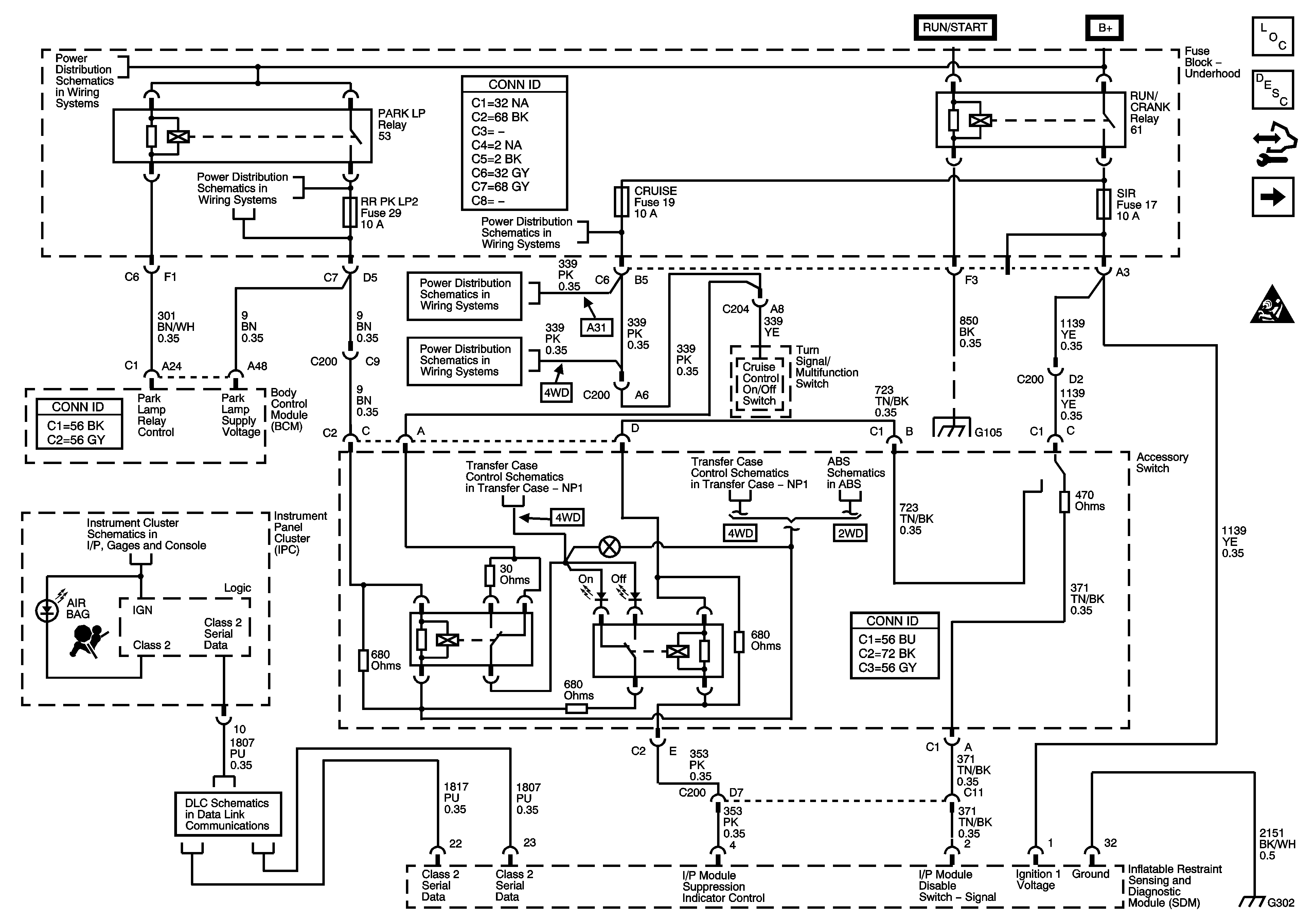
Figure
1:
Power, Ground, Serial Data, and Disable Switch
Master Electrical Component List
SIR System Description and Operation
Body Control Module (BCM) Programming/RPO Configuration
Driver and Passenger Inflatable Restraint Module and Sensors
SIR Schematic Icons
B+ Bus - Underhood Fuse Block
B+ Bus - Underhood Fuse Block
B+ Bus - Underhood Fuse Block
B+ Bus - Underhood Fuse Block
RUN/CRANK Relay Bus - 1 of 3, CRUISE, SIR, and TRANS Fuses
Indicators
Data Link Connector (DLC) Schematics
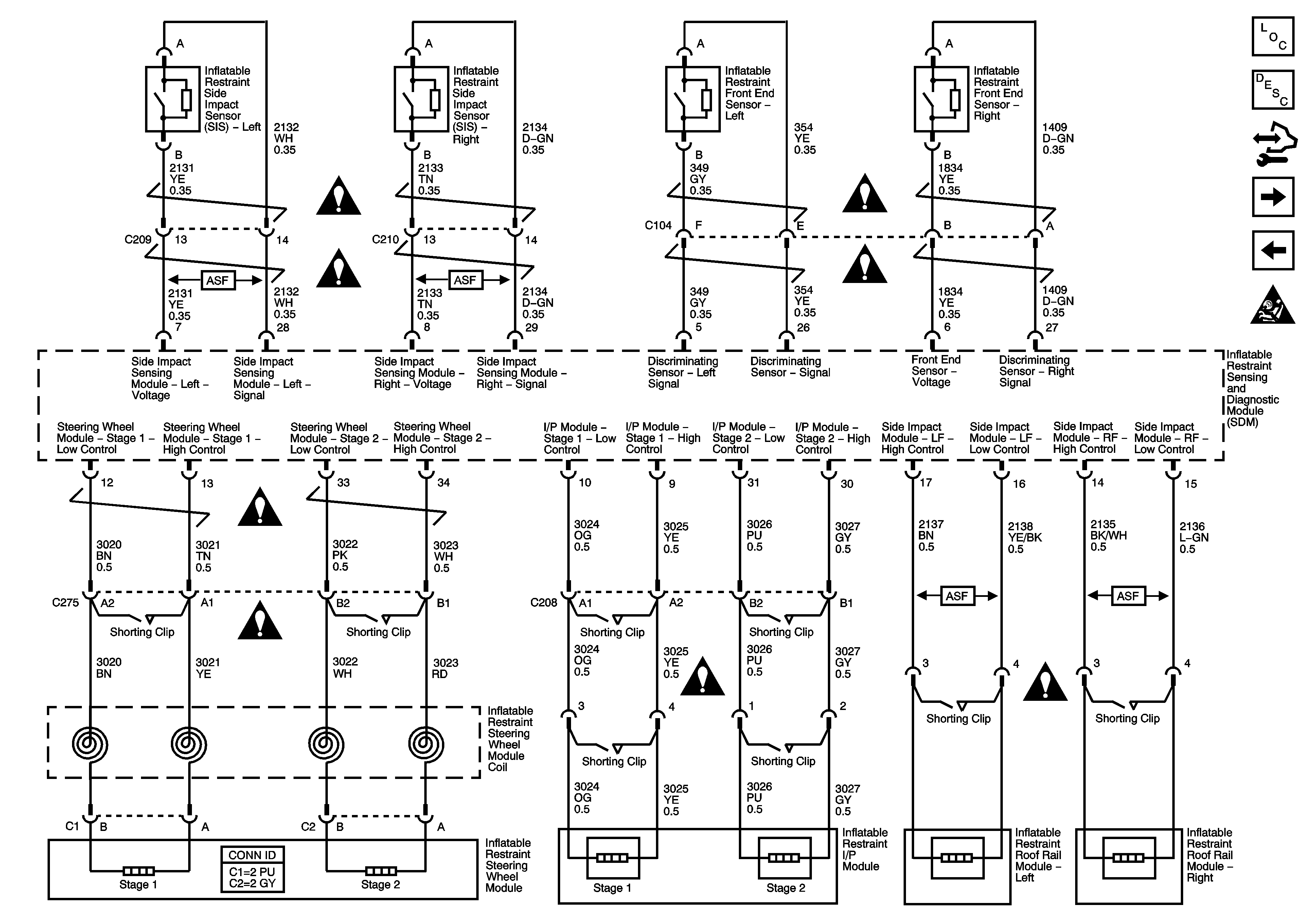
Figure
2:
Driver, and Passenger Inflatable Restraint Modules, and Sensors
Master Electrical Component List
SIR System Description and Operation
Body Control Module (BCM) Programming/RPO Configuration
Seat Position Switches and Seat Belt Pretensioners
Power, Ground, Serial Data, and Disable Switch
SIR Schematic Icons
SIR Schematic Icons
SIR Schematic Icons
SIR Schematic Icons
SIR Schematic Icons
SIR Schematic Icons
SIR Schematic Icons
SIR Schematic Icons
SIR Schematic Icons
Figure
3:
Seat Position Switches, and Seat Belt Pretensioners
Master Electrical Component List
SIR System Description and Operation
Body Control Module (BCM) Programming/RPO Configuration
Driver and Passenger Inflatable Restraint Module and Sensors
SIR Schematic Icons
SIR Schematic Icons