GM Service Manual Online
For 1990-2009 cars only
Makes
🢒
Chevrolet
🢒
2005
🢒
Colorado Pickup - 2WD
🢒
Vehicle Control Systems
🢒
Computer/Integrating Systems
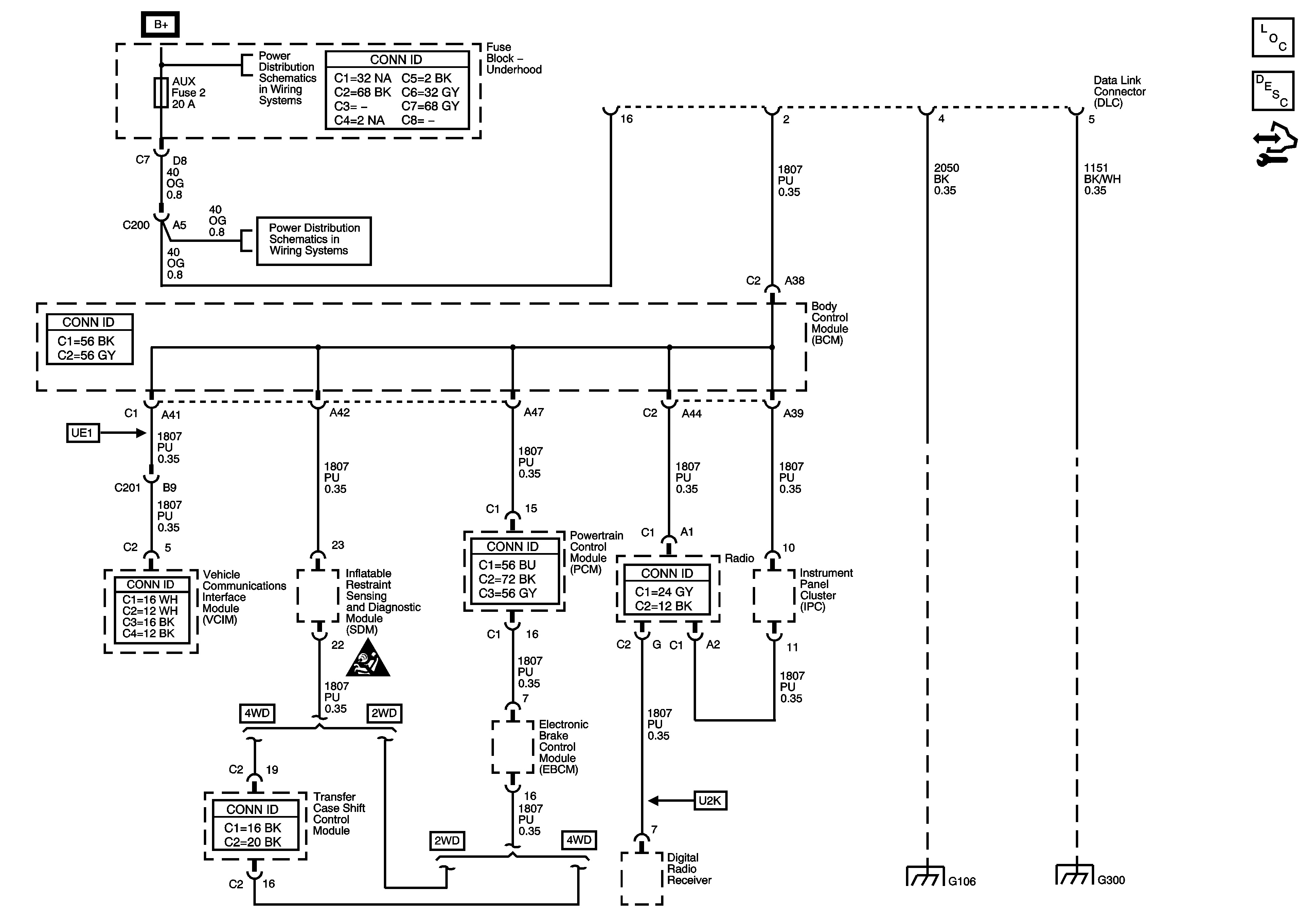
🢒 Data Link Connector Schematics
Master Electrical Component List
Data Link Communications Description and Operation
Body Control Module (BCM) Programming/RPO Configuration
B+ Bus - Underhood Fuse Block
ABS 1, ABS 2, AUX, CAN VENT, CIGAR, CLUSTER, DOOR LOCK, ONSTAR, PCM B, RADIO, STOP, and TCCM Fuses
SIR Schematic Icons
Splice Pack SP106 and G106 - 1 of 2
G300, G301, G302, and G303