GM Service Manual Online
For 1990-2009 cars only
Makes
🢒
Chevrolet
🢒
2005
🢒
Colorado Pickup - 2WD
🢒
Body
🢒
Roof
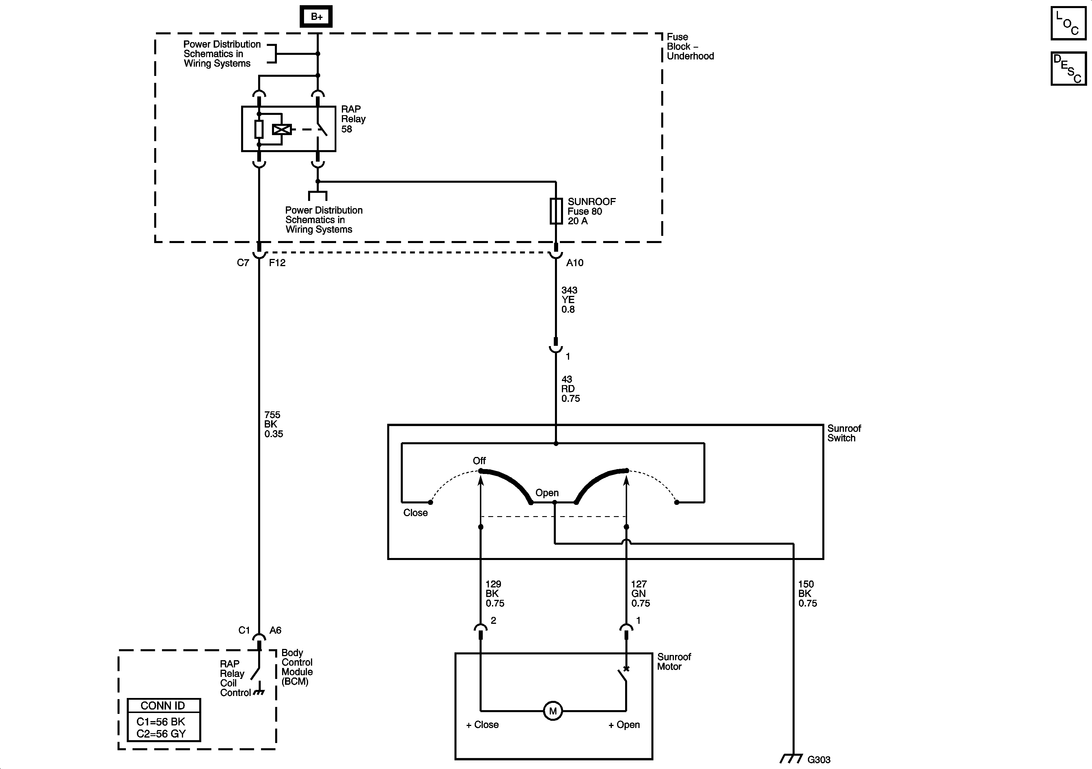
🢒 Sunroof Schematics
Master Electrical Component List
Sunroof Description and Operation
B+ Bus - Underhood Fuse Block
ETC, O2 SENSOR, PWR/WINDOW, SUNROOF, and WIP/WASH Fuses