GM Service Manual Online
For 1990-2009 cars only
Makes
🢒
Chevrolet
🢒
2005
🢒
Colorado Pickup - 2WD
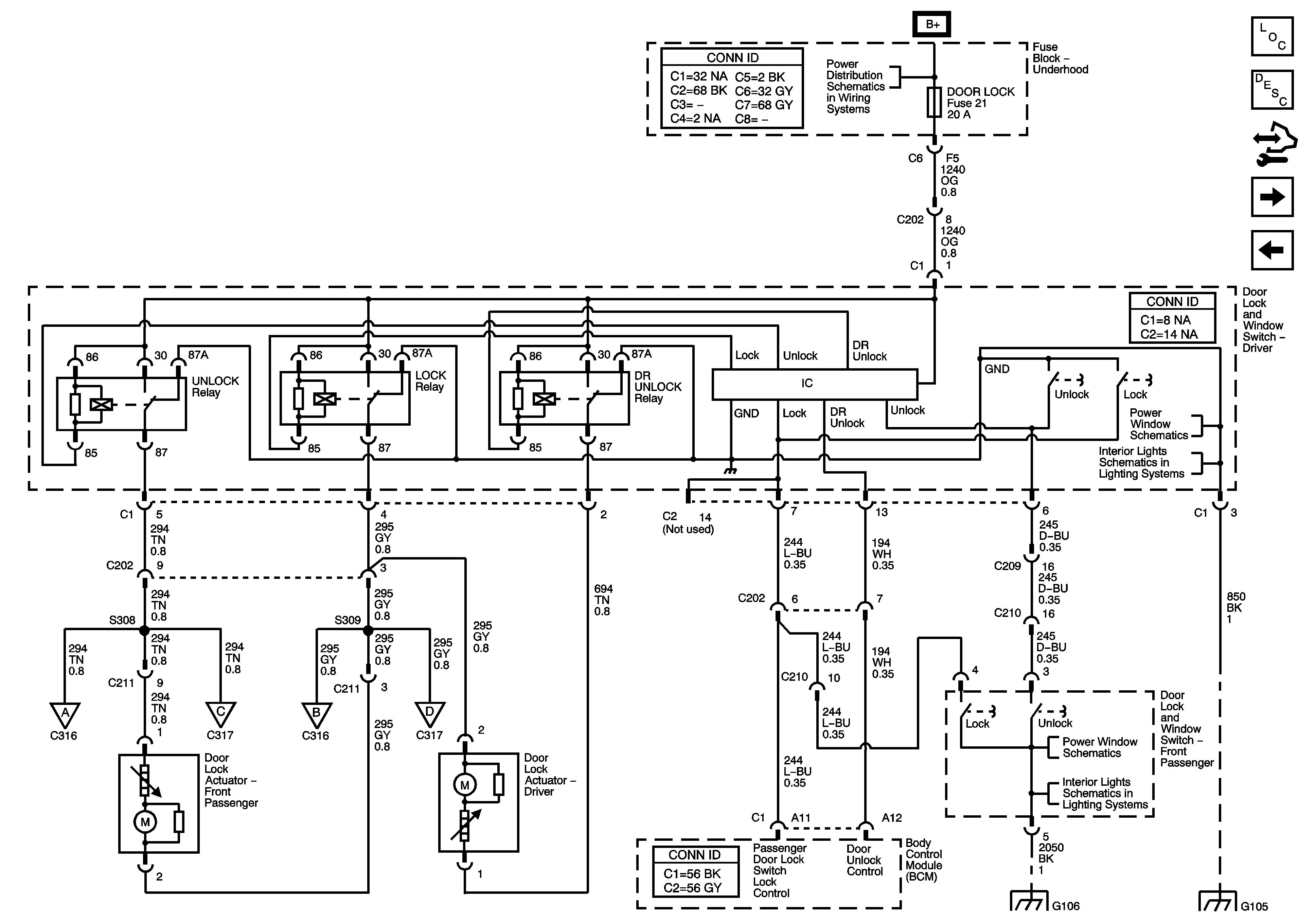
🢒 Power Door Locks - Crew Cab
Power Door Locks - Crew Cab
Power Door Locks - Crew Cab
Master Electrical Component List
Power Door Locks Description and Operation
Body Control Module (BCM) Programming/RPO Configuration
Rear Door Lock Actuators - Crew Cab
Power Door Locks - Regular and Extended Cab
B+ Bus - Underhood Fuse Block
Left Door Regular and Extended Cab
Door Lock, Window Switches, and Outside Rearview Mirror Switches
Right Door - Regular and Extended Cab
Door Lock, Window Switches, and Outside Rearview Mirror Switches
Rear Door Lock Actuators - Crew Cab
Rear Door Lock Actuators - Crew Cab
Rear Door Lock Actuators - Crew Cab
Rear Door Lock Actuators - Crew Cab
Splice Pack SP106 and G106 - 1 of 2
Splice Pack SP105 and G105 - 1 of 2