GM Service Manual Online
For 1990-2009 cars only
Makes
🢒
Chevrolet
🢒
2005
🢒
Colorado Pickup - 2WD
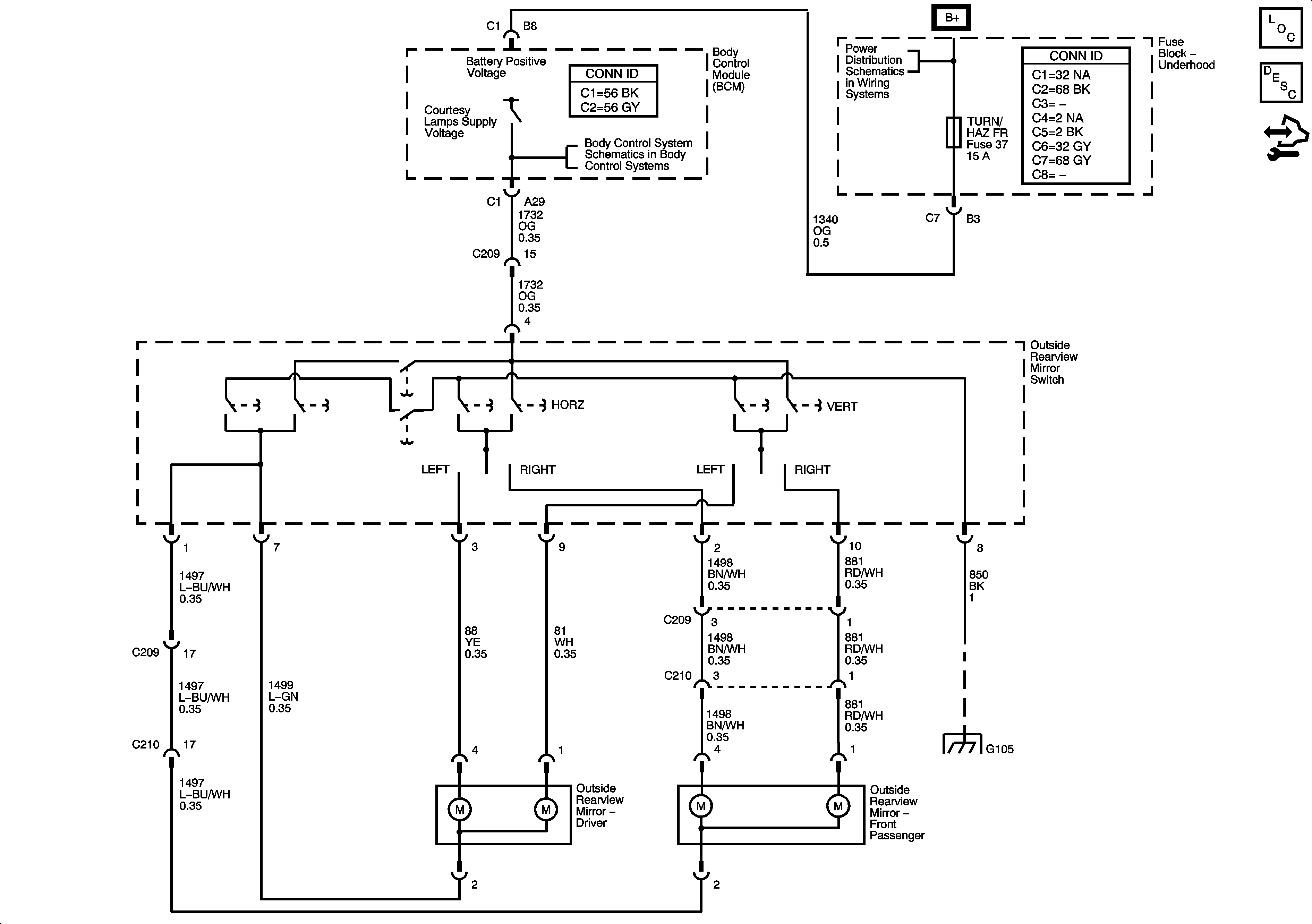
🢒 Outside Mirror Schematics
Outside Mirror Schematics
Master Electrical Component List
Outside Mirror Description and Operation
Body Control Module (BCM) Programming/RPO Configuration
Subsystem References to Theft, Horn, Seat Belt, Outside Mirror, RAP, Brake Warning, ABS, and Wiper/Washer
B+ Bus - Underhood Fuse Block
Splice Pack SP105 and G105 - 1 of 2