GM Service Manual Online
For 1990-2009 cars only
Makes
🢒
Chevrolet
🢒
2005
🢒
Colorado Pickup - 2WD
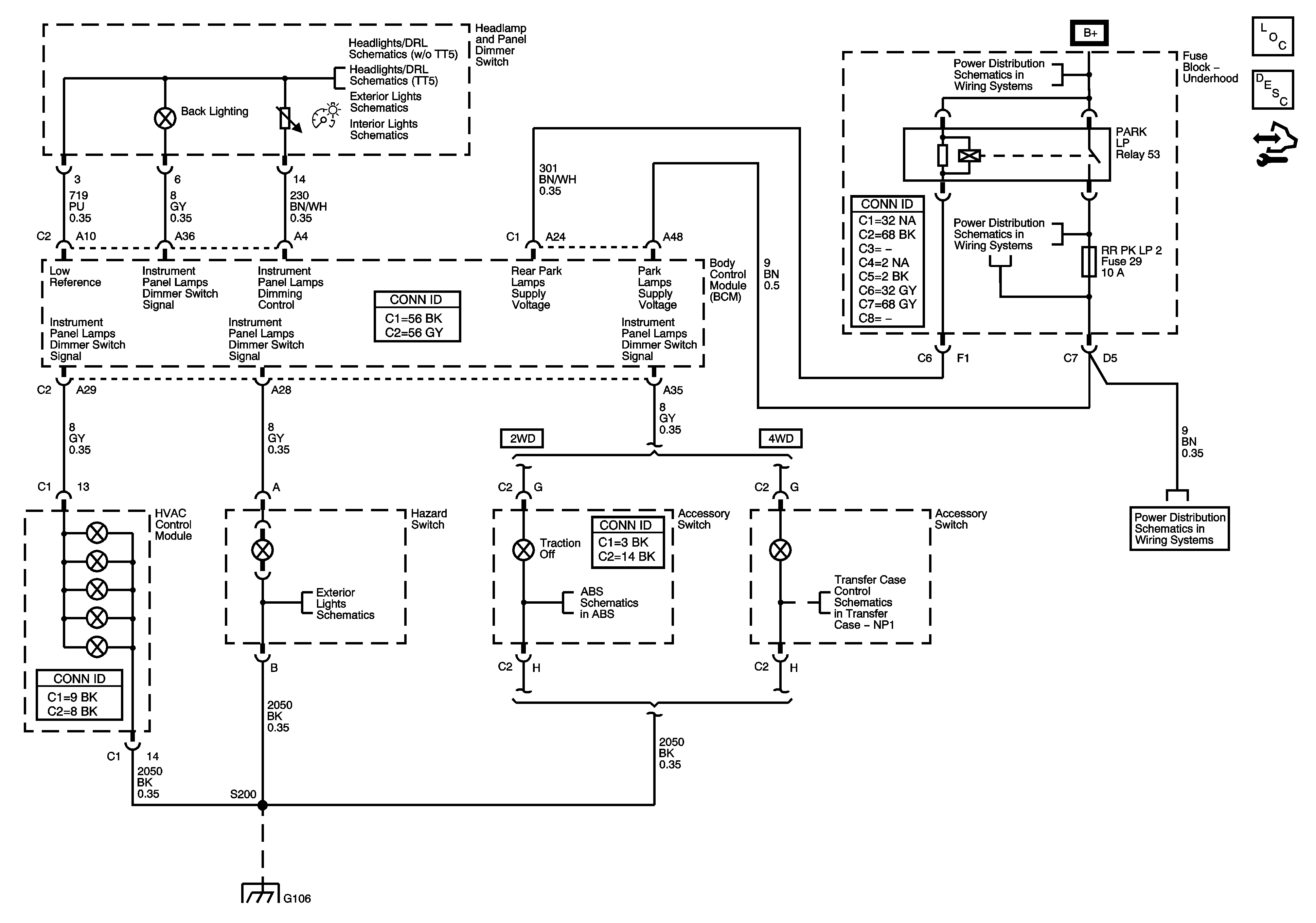
🢒 Interior Lights Dimming Schematics
Interior Lights Dimming Schematics
Master Electrical Component List
Interior Lighting Systems Description and Operation
Body Control Module (BCM) Programming/RPO Configuration
w/o TT5
Ambient Light Sensor, Headlamp Controls and Switches
Fog Lights Schematics
Inside Rearview Mirror, Dome Lamp, Footwell Lamps, and Cargo Lamp
B+ Bus - Underhood Fuse Block
B+ Bus - Underhood Fuse Block
B+ Bus - Underhood Fuse Block
Park Lamp Control, Turn Signal Inputs, and Hazard Switch
Traction Control
Shift Control Switch Inputs
Splice Pack SP106 and G106 - 1 of 2