GM Service Manual Online
For 1990-2009 cars only
Makes
🢒
Chevrolet
🢒
2005
🢒
Colorado Pickup - 2WD
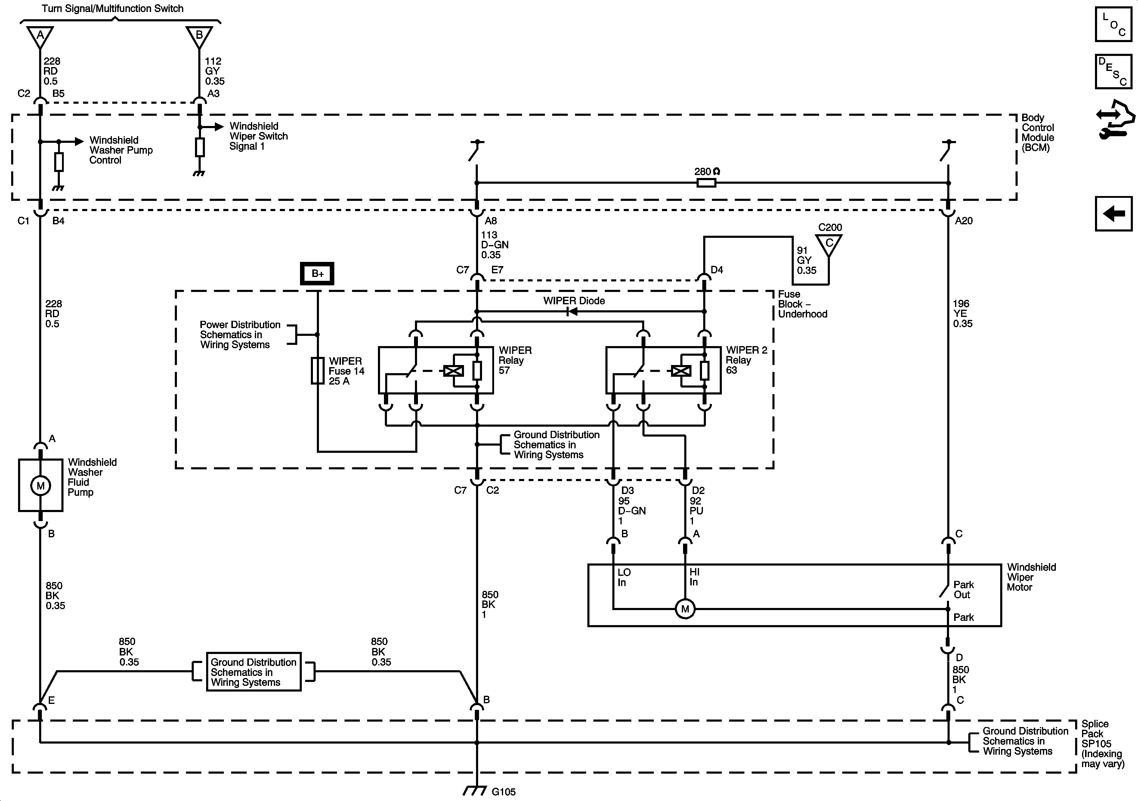
🢒 Windshield Wiper Motor and Windshield Washer Fluid Pump
Windshield Wiper Motor and Windshield Washer Fluid Pump
Windshield Wiper Motor and Windshield Washer Fluid Pump
Master Electrical Component List
Body Control Module (BCM) Programming/RPO Configuration
Windshield Washer Switch
Windshield Washer Switch
Windshield Washer Switch
B+ Bus - Underhood Fuse Block
Splice Pack SP105 and G105 - 1 of 2
Splice Pack SP105 and G105 - 1 of 2
Splice Pack SP105 and G105 - 1 of 2