GM Service Manual Online
For 1990-2009 cars only
Makes
🢒
Chevrolet
🢒
2006
🢒
Colorado Pickup - 2WD
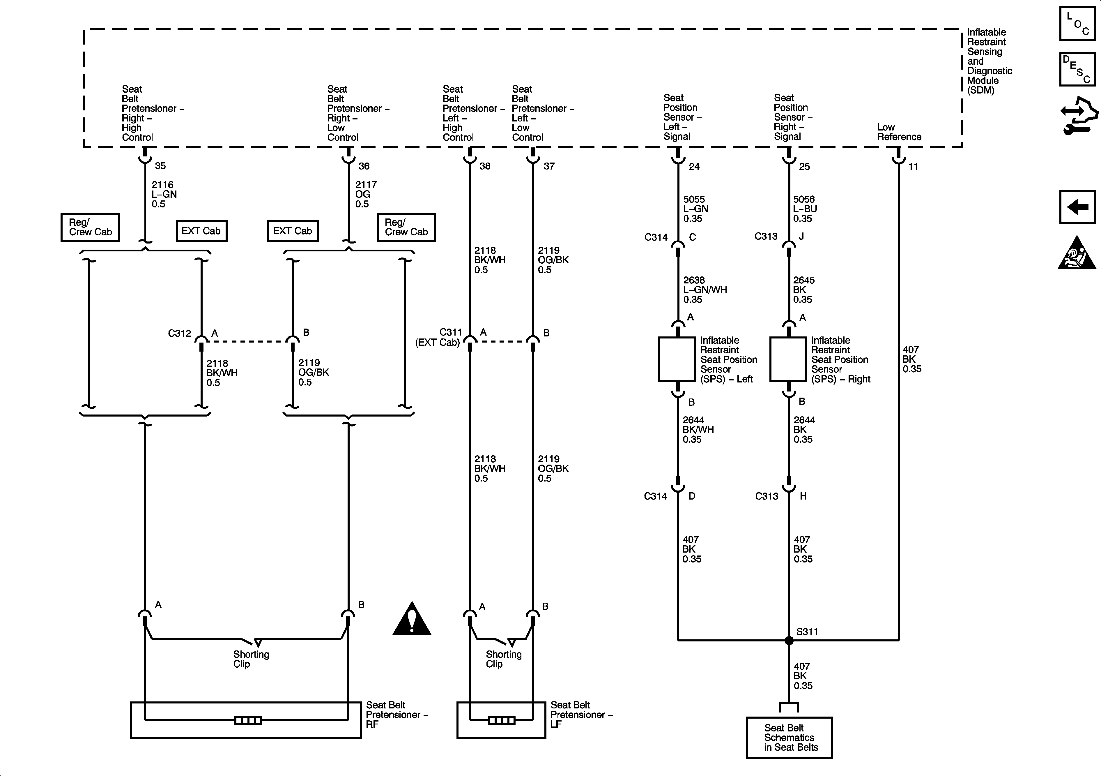
🢒 SIR Schematics
SIR Schematics
Seat Position Sensors, Seat Belt Pretensioners
Master Electrical Component List
SIR System Description and Operation
Body Control Module (BCM) Programming/RPO Configuration
Seat Position Switches and Seat Belt Pretensioners
SIR Schematic Icons
SIR Schematic Icons
Seat Belts Schematics