GM Service Manual Online
For 1990-2009 cars only

Product Safety - Brake Master Cylinder (Export Only)

Subject:07188 -- Brake Master Cylinder

Models:2007 Chevrolet Colorado (C-190)



Condition

General Motors has decided to implement a recall campaign on the Chevrolet Colorado (C190) mid-size pick up. The screw of the primary piston in the brake master cylinder may not have been tightened properly on the vehicles. This may cause the screw to break and damage the seal cup resulting in the drop of the rear brake performance. However, front brake will not be affected by this failure.

Correction

Dealers are to inspect, and if necessary, replace the Master Cylinder.

Vehicles Involved

Involved are certain 2007 model year Chevrolet Colorado (C-190) vehicles built within these VIN breakpoints:

Year

Division

Model

From

Through

2007

Chevrolet

Colorado (C-190)

MPAEL34P17H512892

MPAEL33PX7H561705

Important: Dealers are to confirm vehicle eligibility prior to beginning repairs by using the GM Vehicle Inquiry System (GMVIS). Not all vehicles within the above breakpoints may be involved.

For dealers with involved vehicles, a listing with involved vehicles containing the complete vehicle identification number, customer name, and address information has been prepared and will be provided through the applicable system listed below. Dealers will not have a report available if they have no involved vehicles currently assigned.

-- Export dealers - IPC World Recall Information

The listing may contain customer names and addresses obtained from Motor Vehicle Registration Records. The use of such motor vehicle registration data for any purpose other than follow-up necessary to complete this recall is a violation of law in several states/provinces/countries. Accordingly, you are urged to limit the use of this report to the follow-up necessary to complete this recall.

Parts Information

Parts required to complete this recall will be provided locally.

Part Number

Description

Qty/ Vehicle

8980069420

Brake Master Cylinder Asm.

1 (If Req'd)

NPN

Brake Fluid

As Req'd

Service Procedure

Brake Master Cylinder ASM. Inspection / Replacement

All pictures show RHD vehicle (Thailand domestic model).

Some points (Location, Design and Parts etc.) are different in LHD vehicle and some of RHD vehicle.


    Object Number: 2048738  Size: SH
  1. Check whether it is the affected vehicle or not.
  2. Move a vehicle to repair shop and turn off the ignition.
  3. Open engine hood.
  4. Figure 2 Lot No. & Pink Dot Mark


    Object Number: 2048739  Size: SH
    (1)The affected brake master cylinder ASM Lot No. 6908-7511 / BP Lot No. 7512 / *7512 means production date is on May 12, 2007
    (2)Pink dot mark
  5. Check a Lot No. and a dot mark of the brake master cylinder.
  6. In case a Lot No. is after countermeasure and/or there is a pink dot mark, a replacement is not needed.

  7. Disconnect (-) terminal connector of the battery.
  8. Disconnect a harness connector of the reservoir tank.

  9. Object Number: 2048740  Size: SH
    (1)Nut

    Object Number: 2048741  Size: SH
    (1)Harness connector of reservoir tank
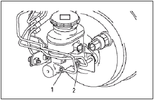
    (2)Brake pipes
    (3)Nut
  10. Disconnect two brake pipes from the brake master cylinder.
  11. Remove two nuts which fix the brake master cylinder to the vacuum booster.
  12. Remove the brake master cylinder.
  13. Install a new brake master cylinder.
  14. Install two nuts which fix the brake master cylinder to the vacuum booster.
  15. Tighten
    Tighten the two fixing nuts to 10-16 N·m (7-12 lb ft).

  16. Connect two brake pipes to the brake master cylinder.
  17. Install the new fuel feeding tube to the plastic clip in the engine compartment.
  18. Tighten
    Tighten to 13-19 N·m (9-14 lb ft).

  19. Connect a harness connector of the reservoir tank.
  20. Connect (-) terminal connector of the battery.
  21. Bleed the brake hydraulic circuit of air.*
  22. Check brake fluid leakage of brake hydraulic circuit.
  23. Put a pink dot mark on the brake master cylinder.
  24. Close engine hood.
  25. Record a result of the brake master cylinder replacement on its vehicle.

*BLEEDING OF THE BRAKE HYDRAULIC CIRCUIT

If air enters the bake lines, it will cause poor brake action.

Therefore, bleeding should be performed if the brakes have been used with the level of brake fluid in the reservoir excessively low or if brake pipes have been disconnected in the course of brake servicing.


Object Number: 2048742  Size: SH

Bleeding operation calls for co-operative action of 2 persons.

    • Set the parking brake firmly while bleeding.
    • Perform bleeding operation with ENGINE RUNNING, to prevent damage to push rod seal. Make sure exhaust is suitably ventilated.
    • Bleed the hydraulic system with the fluid reservoir filled to the specified level.
    • ยท Bleed the system starting with the rear wheel cylinder farthest from the master cylinder.

A bleeding operation is necessary to remove air from the hydraulic brake system whenever air is introduced into the hydraulic system. It may be necessary to bleed the hydraulic system at all four brakes if air has been introduced through a low fluid level or by disconnecting brake pipes at the master cylinder. If a brake pipe is disconnected at one wheel, only that wheel cylinder/caliper needs to be bled. If the pipes are disconnected at any fitting located between the master cylinder and brakes, then the brake system served by the disconnected pipe must be bled.

    Important: The vacuum booster will be damaged if the bleeding operation is performed with the engine off.

  1. Set the parking brake completely, then start the engine.
  2. Remove the master cylinder reservoir cap.
  3. Fill the master cylinder reservoir with brake fluid. Keep the reservoir at least half full during the air bleeding operation.
  4. Always use new brake fluid for replenishment.
  5. In replenishing brake fluid, take care that air bubbles do not enter the brake fluid.
  6. When the master cylinder is replaced or overhauled, first bleed the air from the master cylinder, then from each wheel cylinder and caliper following the procedures described below.

    Bleeding the Master Cylinder


    Object Number: 2048743  Size: SH
  7. Disconnect the rear wheel brake pipe (1) from the master cylinder. Check the fluid level and replenish as necessary. If replenished, leave the system for at least one minute.
  8. Depress the brake pedal slowly once and hold it depressed.
  9. Completely seal the delivery port of the master cylinder with your finger, where the pipe was disconnected then release the brake pedal slowly.
  10. Release your finger from the delivery port when the brake pedal returns completely.
  11. Repeat steps 7 through 9 until the brake fluid comes out of the delivery port during step 7.
  12. Important: Do not allow the fluid level in the reservoir to go below the half-way mark.

  13. Reconnect the brake pipe (1) to the master cylinder and tighten the pipe.
  14. Depress the brake pedal slowly once and hold it depressed.
  15. Loosen the rear wheel brake pipe (1) at the master cylinder.
  16. Retighten the brake pipe, then release the brake pedal slowly.
  17. Repeat steps 12 through 14 until no air comes out of the port when the brake pipe is loosened.
  18. Important: Be very careful not to allow the brake fluid to come in contact with painted surfaces.

  19. Bleed the air from the front wheel brake pipe connection (2) by repeating steps 6 through 15.
  20. Bleeding the Caliper


    Object Number: 2048745  Size: SH
  21. Bleed the air from each wheel in the order listed below:
  22. • Right rear wheel cylinder
    • Left rear wheel cylinder
    • Left front caliper
    • Right front caliper
    • Conduct air bleeding from the wheels in the above order. If no brake fluid comes out, it suggests that air is mixed in the master cylinder. In this case, bleed air from the master cylinder. In this case, bleed air from the master cylinder in accordance with steps 6 through 16, and then bleed air from the caliper or wheel cylinder

    Object Number: 2048746  Size: SH
  23. Place the proper size box end wrench over the bleeder screw.
  24. Cover the bleeder screw with a transparent tube, and submerge the free end of the transparent tube in a transparent container containing brake fluid. 5042.
  25. Pump the brake pedal slowly three (3) times (once/sec), then hold it depressed.

  26. Object Number: 2048747  Size: SH
  27. Loosen the bleeder screw until fluid flows through the tube.
  28. Retighten the bleeder screw.
  29. Release the brake pedal slowly.
  30. Repeat steps 21 through 24 until the air is completely removed. It may be necessary to repeat the bleeding procedure 10 or more times for front wheels and 15 or more times for rear wheels.
  31. Go to the next wheel in the sequence after each wheel is bled. Be sure to monitor reservoir fluid level.
  32. Depress the brake pedal to check if you feel "sponginess" after the air has been removed from all wheel cylinders and calipers. If the pedal feels "spongy", the entire bleeding procedure must be repeated.
  33. After the bleeding operation is completed on the each individual wheel, check the level of the brake fluid in the reservoir and replenish up to the "MAX" level as necessary.
  34. Attach the reservoir cap.
  35. Stop the engine.

Customer Reimbursement

Customer requests for reimbursement of previously paid repairs for the recall condition are to be submitted to the dealer by January 31, 2009.

All reasonable customer paid receipts should be considered for reimbursement. The amount to be reimbursed will be limited to the amount the repair would have cost if completed by an authorized General Motors dealer.

When a customer requests reimbursement, they must provide the following:

    • Proof of ownership at time of repair.
    • Original paid receipt confirming the amount of repair expense(s) that were not reimbursed, a description of the repair, and the person or entity performing the repair.

Claims for customer reimbursement on previously paid repairs are to be submitted as required by WINS.

Important: Refer to the GM Service Policies and Procedures Manual, section 6.1.12, for specific procedures regarding customer reimbursement verification.

Claim Information

Submit a Product Recall Claim with the information indicated below:

Repair Performed

Part Count

Part No.

Parts Allow

CC-FC

Labor Op

Labor Hours

Net Item

Inspect Brake Master Cylinder - No Further Action Required

N/A

N/A

N/A

MA-96

V1756

0.2

N/A

Inspect & Replace Brake Master Cylinder (inc. Bleed Procedures)

1

--

N/A

MA-96

V175

0.5

*

* The amount identified in the "Net Item" column should represent the actual sum total of the current GMSPO Dealer net price plus applicable Mark-Up or Landed Cost Mark-Up (for Export) for the actual amount of Brake Fluid needed to perform the required repairs.

Refer to the General Motors WINS Claims Processing Manual for details on Product Recall Claim Submission.

Customer Notification

Letters will be sent to known owners of record located within areas covered by the US National Traffic and Motor Vehicle Safety Act. For owners outside these areas, dealers should notify customers using the attached sample letter.

Dealer Recall Responsibility

All unsold new vehicles in dealers' possession and subject to this recall must be held and inspected/repaired per the service procedure of this recall bulletin before customers take possession of these vehicles.

Dealers are to service all vehicles subject to this recall at no charge to customers, regardless of mileage, age of vehicle, or ownership, from this time forward.

Customers who have recently purchased vehicles sold from your vehicle inventory, and for which there is no customer information indicated on the dealer listing, are to be contacted by the dealer. Arrangements are to be made to make the required correction according to the instructions contained in this bulletin. A copy of the customer letter is provided in this bulletin for your use in contacting customers. Recall follow-up cards should not be used for this purpose, since the customer may not as yet have received the notification letter.

In summary, whenever a vehicle subject to this recall enters your vehicle inventory, or is in your dealership for service in the future, you must take the steps necessary to be sure the recall correction has been made before selling or releasing the vehicle.

January 2008

Dear General Motors Customer:

General Motors has decided to implement a recall campaign on the Chevrolet Colorado (C190) mid-size pick up.

We apologize for this inconvenience. However, we are concerned about your safety and continued satisfaction with our products.

Important: 

   • Your vehicle is involved in safety recall 07188.
   • Schedule an appointment with your GM dealer.
   • This service will be performed for you at no charge .

Why is your vehicle being recalled?

The screw of the primary piston in the brake master cylinder may not have been tightened properly. This may cause the screw to break and damage the seal cup resulting in the drop of the rear brake performance. However, front brake will not be affected by this failure.

What will we do?

Your GM dealer will inspect, and if necessary, replace the brake master cylinder. This service will be performed for you at no charge . Because of service scheduling requirements, it is likely that your dealer will need your vehicle longer than the actual inspection time of approximately 10 minutes. If the brake master cylinder requires replacement, an additional 30 minutes will be required.

What should you do?

Contact your dealer to arrange a service appointment as soon as possible. Bring the enclosed customer reply form with you when you visit your dealer. The form identifies the repairs required. If you no longer own this vehicle, please let us know by completing the form and mailing it back to us.

Did you already pay for this repair?

The enclosed form explains what reimbursement is available and how to request reimbursement if you have paid for repairs for the recall condition.

Do you have questions?

If you have questions or concerns that your dealer is unable to resolve, please contact the appropriate Customer Assistance Center.

Customer and Relationship Services

Enclosure

07188