GM Service Manual Online
For 1990-2009 cars only
Makes
🢒
Chevrolet
🢒
2007
🢒
Colorado Pickup - 2WD
🢒 Oxygen Sensors
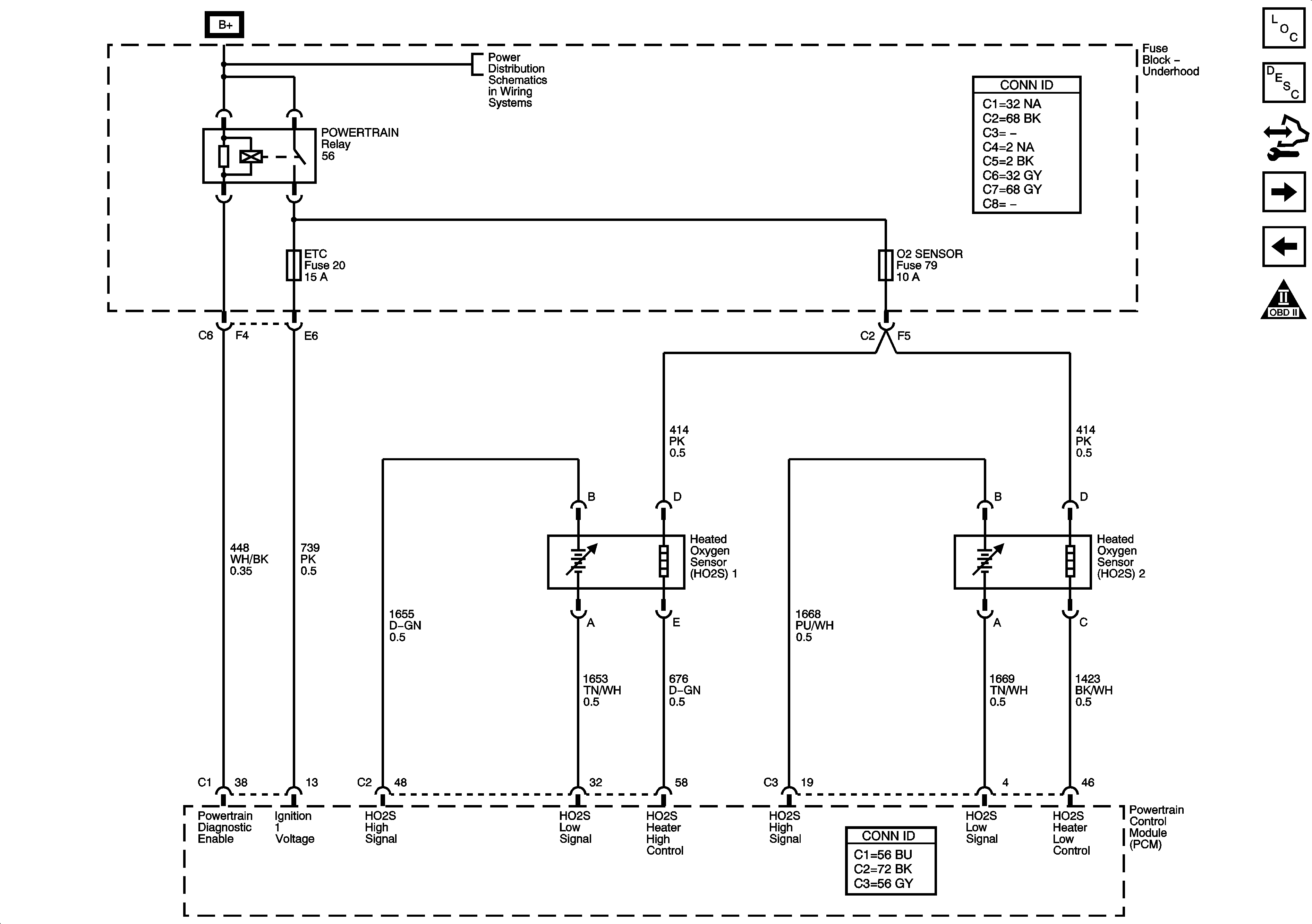
Oxygen Sensors
Engine Data Sensors - Oxygen Sensors
Master Electrical Component List
Evaporative Emission Control System Description
Body Control Module (BCM) Programming/RPO Configuration
Engine Data Sensors - Injection Timing Controls
Engine Data Sensors - Pressure, Temperature, and Pedal Position
Engine Controls Schematic Icons
B+ Bus - Underhood Fuse Block