GM Service Manual Online
For 1990-2009 cars only
Makes
🢒
Chevrolet
🢒
2007
🢒
Colorado Pickup - 2WD
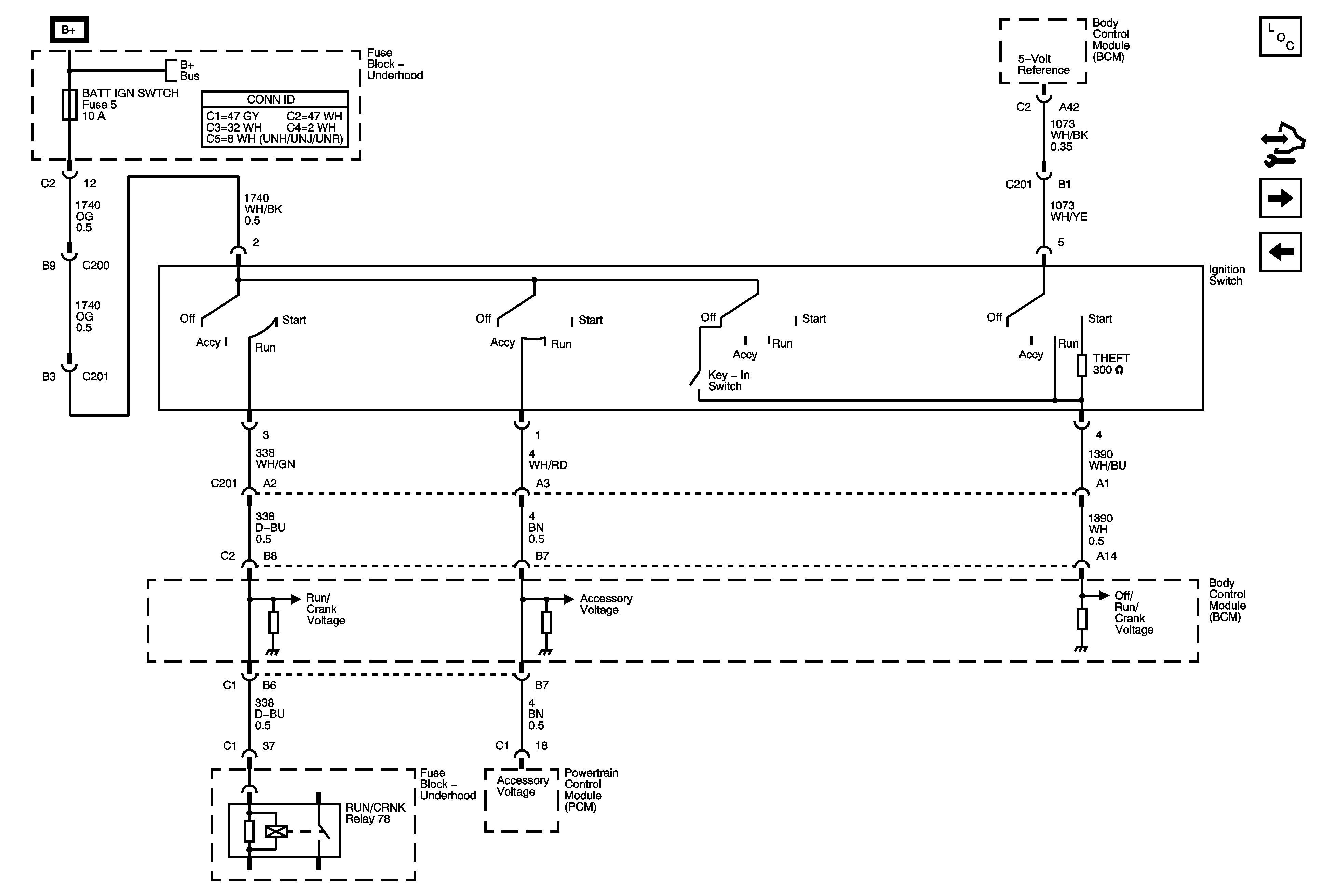
🢒 Ignition Switch and BATT IGN SWTCH Fuse
Ignition Switch and BATT IGN SWTCH Fuse
Ignition Switch and BATT IGN SWTCH Fuse
Master Electrical Component List
Control Module References
RUN/CRNK Relay Bus - 1 of 3, AIRBAG, CRUISE/MISC, and TRANS Fuses
AIR CMPRSR, AMP, E-BRAKE, GRILLE GUARD, MEGAFUSE, PWR S/ROOF, ROOF LP, and TRLR B+ Fuses
B+ Bus - Underhood Fuse Block - 1 of 2