GM Service Manual Online
For 1990-2009 cars only
Makes
🢒
Chevrolet
🢒
2007
🢒
Colorado Pickup - 2WD
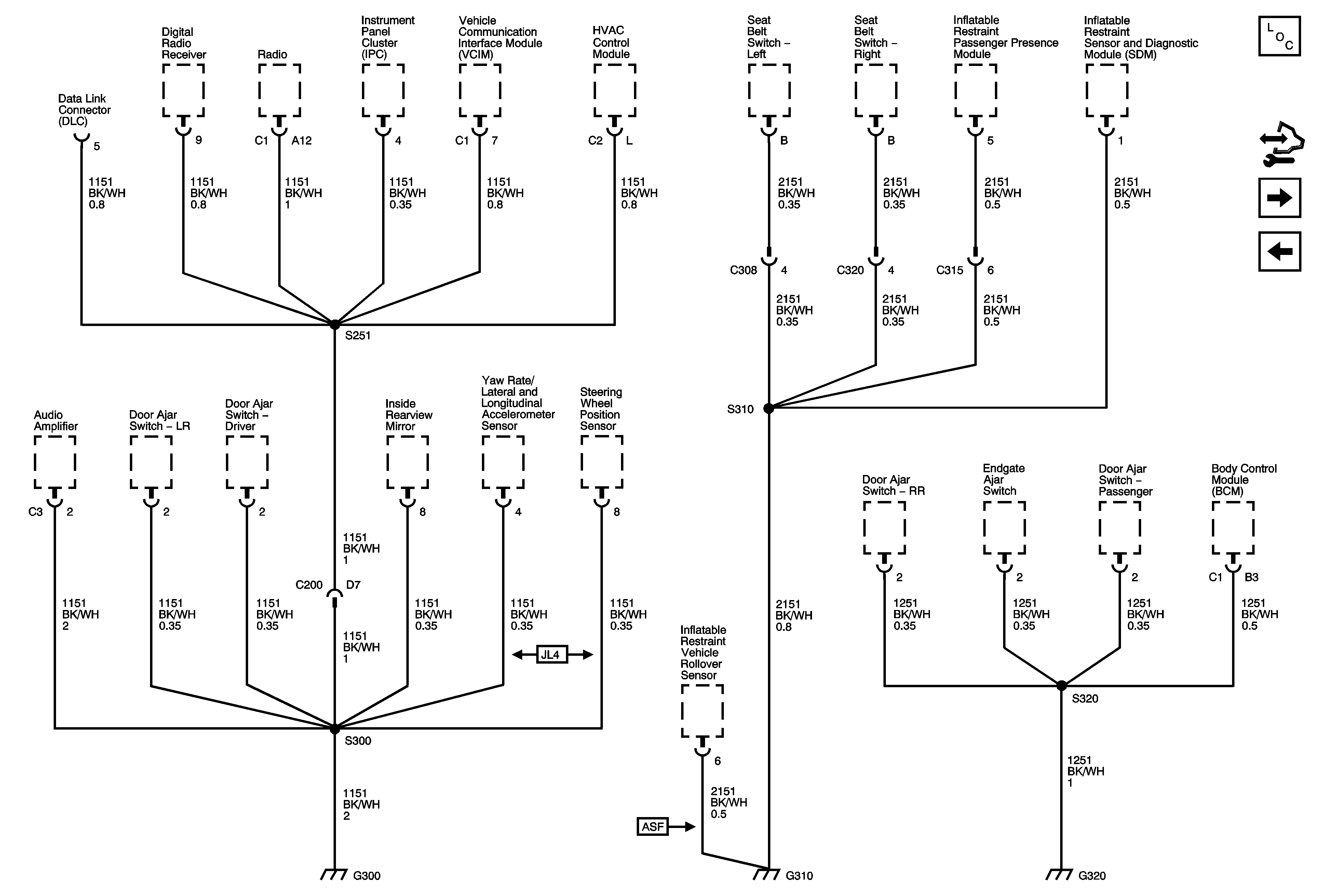
🢒 G300, G310, and G320
G300, G310, and G320
G300, G310, and G320
Master Electrical Component List
Control Module References
G340 and G345
G106