GM Service Manual Online
For 1990-2009 cars only
Makes
🢒
Chevrolet
🢒
2007
🢒
Colorado Pickup - 2WD
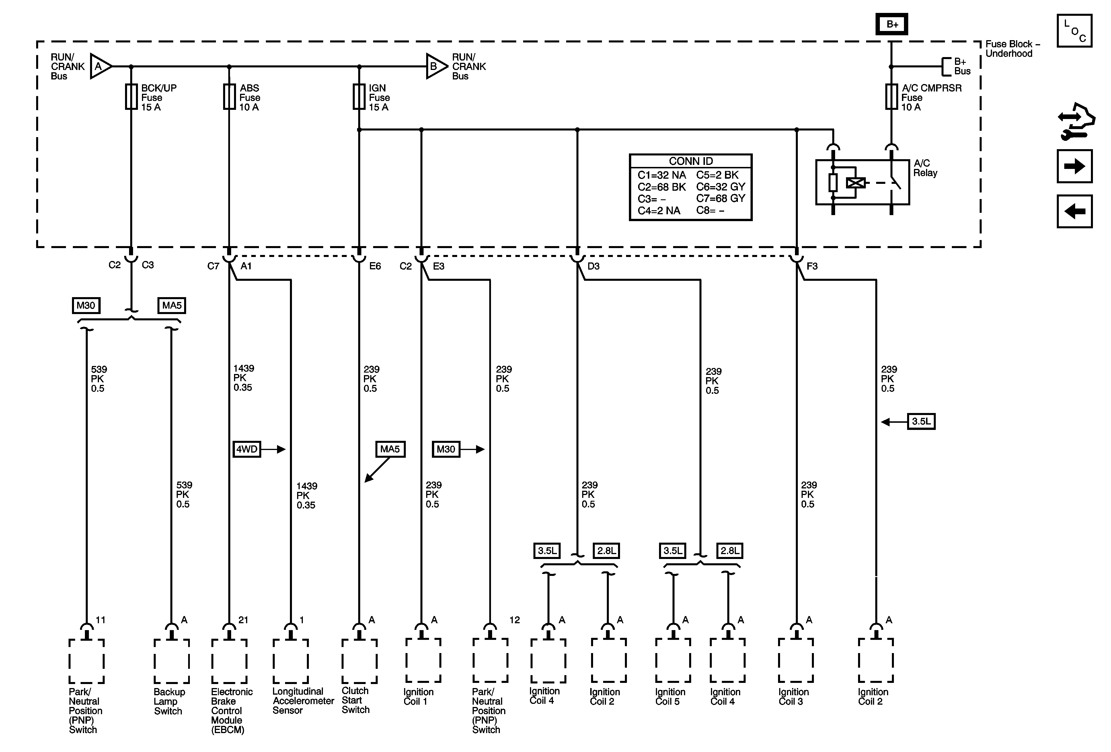
🢒 RUN/CRANK RELAY BUS - 2 of 3, ABS, BACKUP, and IGN Fuses
RUN/CRANK RELAY BUS - 2 of 3, ABS, BACKUP, and IGN Fuses
RUN/CRANK Relay Bus - 2 of 3, ABS, BACKUP, and IGN Fuses
Master Electrical Component List
Body Control Module (BCM) Programming/RPO Configuration
RUN/CRANK RELAY BUS - 3 of 3, ERLS, FRT AX, INJECTOR, and PCM I Fuses
RUN/CRANK RELAY BUS - 1 of 3, CRUISE, SIR, and TRANS Fuses
RUN/CRANK RELAY BUS - 1 of 3, CRUISE, SIR, and TRANS Fuses
RUN/CRANK RELAY BUS - 3 of 3, ERLS, FRT AX, INJECTOR, and PCM I Fuses