GM Service Manual Online
For 1990-2009 cars only
Makes
🢒
Chevrolet
🢒
2007
🢒
Colorado Pickup - 2WD
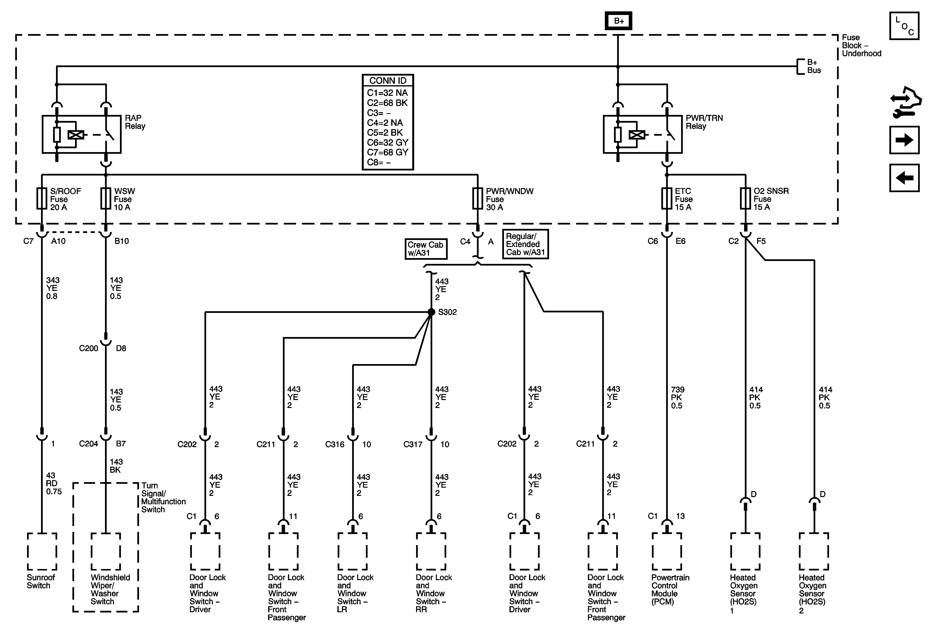
🢒 ETC, O2 SENSOR, PWR/WINDOW,SUNROOF, and WIP/WASH Fuses
ETC, O2 SENSOR, PWR/WINDOW,SUNROOF, and WIP/WASH Fuses
ETC, 02 SENSOR, PWR/WINDOW, SUNROOF, and WIP/WASH Fuses
Master Electrical Component List
Body Control Module (BCM) Programming/RPO Configuration
FUEL PUMP, PWR/SEAT, LH HDLP, and RH HDLP Fuses
RUN/CRANK RELAY BUS - 3 of 3, ERLS, FRT AX, INJECTOR, and PCM I Fuses
B+ Bus - Underhood Fuse Block