GM Service Manual Online
For 1990-2009 cars only
Makes
🢒
Chevrolet
🢒
2007
🢒
Colorado Pickup - 2WD
🢒 Data Communication Schematics
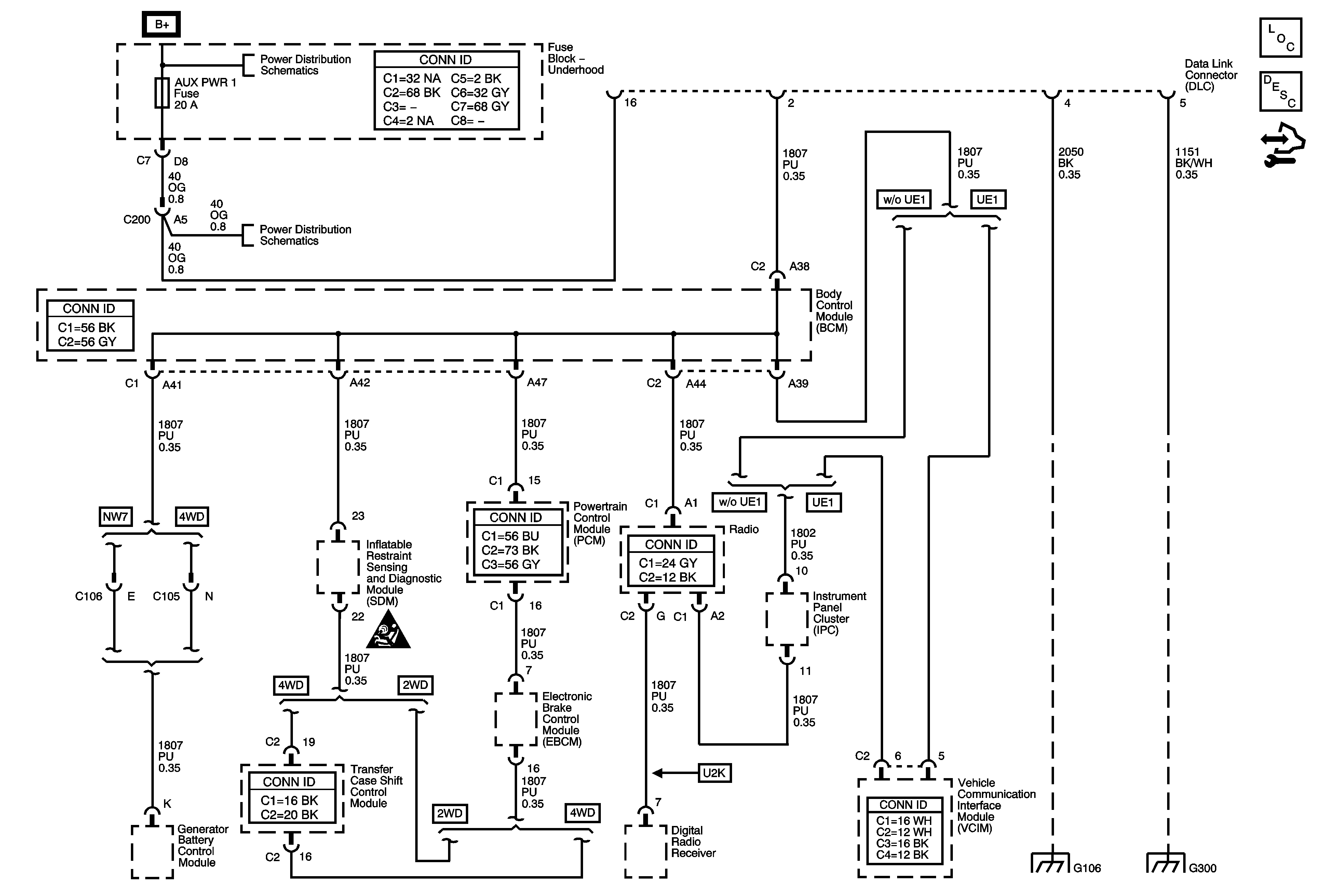
Data Communication Schematics
Master Electrical Component List
Data Link Communications Description and Operation
Body Control Module Programming and Setup
B+ Bus - Underhood Fuse Block
ABS1, ABS2, AUX, CAN VENT, CIGAR, CLUSTER, DOOR LOCK, ONSTAR, PCM B, RADIO, STOP, and TCCM Fuses
SIR Schematic Icons
Splice Pack SP106 and G106 - 1 of 2
G300, G301, and G302